Запчасти Case IH 2055 (9F-25A) - PIVOTING LADDER (12) - CHASSIS

Схема запчастей Case IH 2055 - (9F-25A) - PIVOTING LADDER (12) - CHASSIS
8
16
32
29
25
42
33
41
39
21
9
19
1
30
28
17
15
20
43
40
44
12
6
31
5
2
23
34
13
26
42a
13
7
35
38
4
10
17
27
36
18
37
3
14
29
22
16
33
24
11
13
FIT
1:1
100%

Артикул

Название

Примечание

Количество

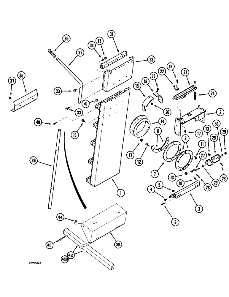
1

1317520C91

LADDER

- pivoting, includes decal 2754442R1, see page 9F-34, item 10

1шт.

2

187941C1

SUPPORT

- pivot extension

1шт.

3

187949C2

SUPPORT

- pivot extension center lever

1шт.

4

256873

BOLT,Hex Serr, 5/16" - 18 x 1/2", 5SPL, Full Thd

6шт.

5

231-5145

SERRATED NUT,Flg, USR, 5/16"-18

NUT - hex serrated flange, 5/16 inch NC

6шт.

6

1978738C1

HAIR PIN COTTER

2шт.

7

187951C1

RETAINER

- pivot outer

1шт.

8

187952C1

RETAINER

- pivot ring

2шт.

9

187953C1

RETAINER

- pivot ring lube

2шт.

10

219-87

LUBE NIPPLE,1/4" - 28 NPTF

NIPPLE, LUBE, 1/4"-28 x .56" lg, Self-Tap

2шт.

11

219-93

LUBE NIPPLE,90 Degree Elbow, 1/4" - 28 NPTF

Special taper 90º, 1/4"-28 NPT x .75" lg, Drive

2шт.

12

409-7616

BOLT,Hex Flg, 3/8" - 16 x 1", Spcl

9шт.

13

231-5146

FLANGE NUT,3/8"-16

10шт.

14

187955C3

FLANGE

- ladder pivot

1шт.

15

138859A1

SUPPORT

- latch

1шт.

16

409-7512

BOLT,Hex Flg, 5/16" - 18 x 3/4", Spcl

- hex serrated flange, 5/16 NC x 3/4 inch

9шт.

17

231-5145

SERRATED NUT,Flg, USR, 5/16"-18

NUT - hex serrated flange, 5/16 inch NC

9шт.

18

1301172C3

SUPPORT

- ladder latch adjusting

1шт.

19

326-516

BOLT,Hex, 5/16" - 18 x 1", Gr 8

2шт.

20

188471C1

FLANGE NUT,Flg, 5/16"-18

NUT - hex flange, self-locking, 5/16 inch NC

2шт.

21

187957C1

LEVER

- ladder pivot latch

1шт.

22

187962C1

SUPPORT

- latch hinge

2шт.

23

1318805C1

SUPPORT

CHANNEL - ladder filler

1шт.

24

398763R2

SPRING

- ladder pivot lever

1шт.

25

1301262C2

STOP

SUPPORT - latch

1шт.

26

409-7620

BOLT,Hex Flg, 3/8" - 16 x 1 1/4", Spcl

- hex serrated flange, 3/8 NC x 1-1/4 inch

3шт.

27

1301260C1

EYEBOLT,3/8" - 16 x 72.91mm

- special, latch adjusting

1шт.

28

413-624

BOLT,Hex, 3/8" - 16 x 1-1/2", Gr 5

- hex, 3/8 NC x 1-1/2 inch

1шт.

29

425-106

NUT,3/8"-16, Cl 5

2шт.

30

492-11038

LOCK WASHER,3/8"

1шт.

31

183544C2

SUPPORT

- ladder pivot

2шт.

32

1324845C1

ROD

HANDLE - pivot ladder

1шт.

33

326-632

BOLT,Hex, 3/8" - 16 x 2", Gr 8

2шт.

34

396-31041

WASHER,10.31mm ID x 20.63mm OD x 3.4mm Thk

1шт.

35

1324841C2

GRIP

- handle

1шт.

36

1321370C1

SUPPORT

- pivoting ladder, upper

1шт.

37

281-1476

SELF-TAP SCREW,Hex Washer, 1/4" - 20 x 3/8"

SCREW - self-tapping, hex washer head, 1/4 NC x 3/8 inch

2шт.

38

137653A1

SUPPORT

- ladder, pivoting

1шт.

39

1318785C1

TUBE,26.8 mm ID, 28.58 mm OD

HANDRAIL - ladder support, lower

2шт.

40

196955C1

BOLT,Curved Hd, 5/16" - 18 x 1.50", Cl 5

- curved head, 5/16 NC x 1-1/2 inch

10шт.

41

231-5145

SERRATED NUT,Flg, USR, 5/16"-18

NUT - hex serrated flange, 5/16 inch NC

10шт.

42

112932A1

TUBE,1491 mm Length

- ladder support, 5 Row Wide with dual wheels

2шт.

42a

137654A2

TUBE,813 mm Length

- ladder support, 4 Row Wide and 5 Row Narrow with dual wheels (Replaces tube 137654A1)

2шт.

43

413-644

BOLT,Hex, 3/8" - 16 x 2-3/4", Gr 5

4шт.

44

231-5146

FLANGE NUT,3/8"-16

4шт.

Выбрано товаров: 0