Запчасти Case IH 2055 (9A-36) - DRUM DRIVE GEARBOX COUPLERS & SUPPORT (13) - PICKING SYSTEM

Схема запчастей Case IH 2055 - (9A-36) - DRUM DRIVE GEARBOX COUPLERS & SUPPORT (13) - PICKING SYSTEM
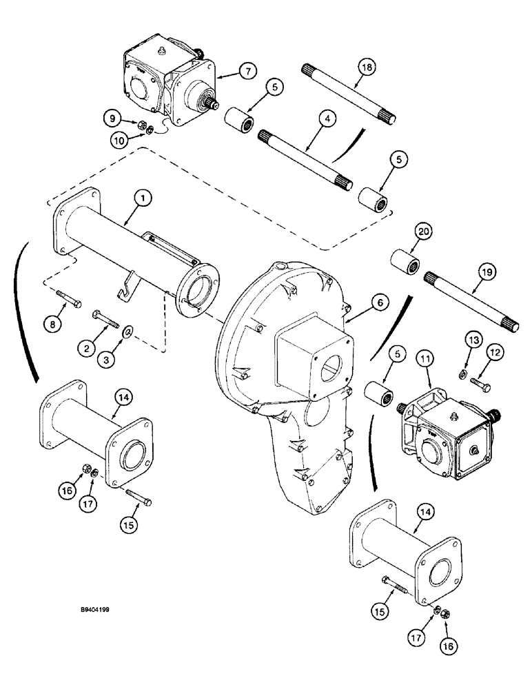
6
8
9
13
16
10
17
7
19
12
11
3
2
15
14
4
15
18
14
17
1
20
5
15
5
5
FIT
1:1
100%

Артикул

Название

Примечание

Количество

1

1342663C3

SUPPORT

- bevel box

1шт.

2

326-836

BOLT,Hex, 1/2" - 13 x 2-1/4", Gr 8

4шт.

3

396-21053

WASHER,17/32" x 1 1/16" x .134"

Hardened 17/32" x 1 1/16" x .134"

4шт.

4

1342674C2

SHAFT

- drum drive coupler, not used on 5 row wide models, use items 18-20 for 5 row wide models

1шт.

5

1342672C2

COUPLING

COUPLIER - shaft, drum drive

3шт.

6

REF

INSTRUCTION

DRIVE ASSEMBLY - drum, see page 9A-4

1шт.

7

1988646C2

GEARBOX ASSY

GEARBOX ASSEMBLY - drum drive, left-hand, parts list page 9A-32

1шт.

338161A2R

REMAN-GEARBOX

2055 (4/93-), Reman for New PN 1988646C2

1шт.

338161A2C

CORE-GEARBOX

Return Number

1шт.

8

413-828

BOLT,Hex, 1/2" - 13 x 1-3/4", Gr 5

4шт.

9

425-108

NUT,1/2" - 13, Gr 5

NUT, , Hex 1/2"-13, G5

4шт.

10

80679

LOCK WASHER,1/20.507 CST ZND

WASHER, LOCK, 1/2"

4шт.

11

1988647C2

GEARBOX ASSY

GEARBOX ASSEMBLY - drum drive, right-hand, parts list page 9A-34

1шт.

12

413-820

BOLT,Hex, 1/2" - 13 x 1-1/4", Gr 5

- hex, 1/2 NC x 1-1/4 inch

4шт.

13

80679

LOCK WASHER,1/20.507 CST ZND

WASHER, LOCK, 1/2"

4шт.

14

113086A2

EXTENSION

- bevel box ADDITIONAL PART FOR FIVE ROW WIDE MODELS

2шт.

15

413-828

BOLT,Hex, 1/2" - 13 x 1-3/4", Gr 5

Additional part for 5-row wide models Hex, 1/2"-13 x 1 3/4", G5

8шт.

16

425-108

NUT,1/2" - 13, Gr 5

NUT, , Hex, Additional part for 5-row wide models 1/2"-13, G5

8шт.

17

80679

LOCK WASHER,1/20.507 CST ZND

WASHER, LOCK, , Additional part for five row wide models 1/2"

8шт.

18

113084A1

SHAFT

- drum drive coupler, 559 mm long, left-hand ADDITIONAL PART FOR FIVE ROW WIDE MODELS

1шт.

19

113085A1

SHAFT

- drum drive coupler, 195 mm long, right-hand ADDITIONAL PART FOR FIVE ROW WIDE MODELS

1шт.

20

1342672C2

COUPLING

COUPLER - shaft, drum drive ADDITIONAL PART FOR FIVE ROW WIDE MODELS

1шт.

Выбрано товаров: 22