Запчасти Case IH 2055 (9D-12) - RIGHT-HAND BASKET SIDE (16) - BASKET

Схема запчастей Case IH 2055 - (9D-12) - RIGHT-HAND BASKET SIDE (16) - BASKET
14
15
6
16
22
6
3
6
18
19
21
17
23
23
14
7
22
4
25
2
20
14
26
7
1
24
5
15
13
6
15
21
6
27
9
23
8
6
6
FIT
1:1
100%

Артикул

Название

Примечание

Количество

REF

INSTRUCTION

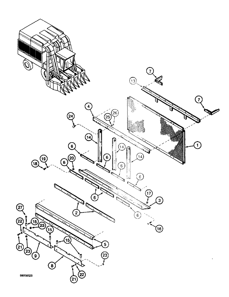
BASKET ASSEMBLY - cotton picker, complete

1шт.

See page 9D-2 for a complete assembly. See pages 9D-4 - 9D-26 for additional components of basket assembly. The basket assembly does not include hydraulic components, basket door or basket unloading parts.

1шт.

1

1260309C1

SCREEN

- side

4шт.

2

1262487C2

LINKAGE

BAR - retainer, flap

2шт.

3

1262488C2

FIXING STRIP

FLAP - rubber

1шт.

4

1266279C1

SUPPORT

BRACKET - angle, right-hand

1шт.

5

1270023C2

ANGLE

RETAINER - screen

2шт.

6

1270044C1

LARGE PLATE

RETAINER - screen

8шт.

7

1278117C1

ANGLE

BRACE - corner

4шт.

8

1278543C3

GUARD

SHIELD - unloader, right-hand, front

1шт.

9

1278544C3

GUARD

SHIELD - unloader, right-hand, rear

1шт.

13

1288774C3

SUPPORT

BRACKET - side, upper

1шт.

14

1288779C1

ANGLE

- upright, right-hand

3шт.

15

21367R1

SPACER,1/4" Pipe x 2 1/2"

- pipe, 1/4 x 2-1/2 inch

4шт.

16

154273C1

BOLT,Hex Serr, 3/8" - 16 x 1", Spcl

- hex, self-locking, special, 3/8 NC x 1 inch

14шт.

17

231-5146

FLANGE NUT,3/8"-16

14шт.

18

477-73812

SERRATED SCREW,Truss HD, 3/8" - 16 x 3/4"

- slotted truss head, special, 3/8 NC x 3/4 inch

64шт.

19

495-11041

WASHER,0.406" ID x 0.812" OD x 0.065" W

(Flat, 13/32 x 13/16 x 1/16") 3/8", SAE

64шт.

20

231-5146

FLANGE NUT,3/8"-16

64шт.

21

409-7512

BOLT,Hex Flg, 5/16" - 18 x 3/4", Spcl

- hex serrated flange, 5/16 NC x 3/4 inch

3шт.

22

495-11034

WASHER,5/16", SAE

5/16" SAE (flat, 11/32 x 11/16 x 1/16")

3шт.

23

231-5145

SERRATED NUT,Flg, USR, 5/16"-18

NUT - hex serrated flange, 5/16 inch NC

7шт.

24

434-616

CARRIAGE BOLT,Sht Sq Nk, 3/8" - 16 x 1", Gr 5

BOLT - carriage, 3/8 NC x 1 inch

20шт.

25

492-11038

LOCK WASHER,3/8"

20шт.

26

425-106

NUT,3/8"-16, Cl 5

20шт.

27

413-552

BOLT,Hex, 5/16" - 18 x 3-1/4", Gr 5

- hex, 5/16 NC x 3-1/4 inch

4шт.

Выбрано товаров: 26