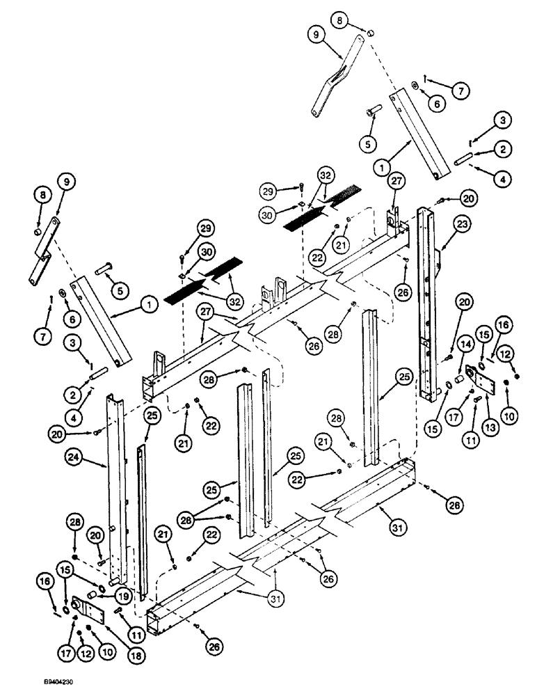
Запчасти Case IH 2055 (9D-23A) - BASKET DOOR, ARMS, CHANNELS AND STRUTS, 5 ROW WIDE (16) - BASKET

Схема запчастей Case IH 2055 - (9D-23A) - BASKET DOOR, ARMS, CHANNELS AND STRUTS, 5 ROW WIDE (16) - BASKET
27
1
16
25
12
6
28
26
28
12
28
17
25
25
9
22
7
26
2
31
11
8
22
9
31
21
29
10
20
18
15
20
4
26
26
14
8
28
29
23
5
16
5
15
19
30
22
3
27
26
2
4
32
20
21
22
7
25
24
28
30
21
10
13
17
11
15
1
32
21
6
3
20
FIT
1:1
100%

Артикул

Название

Примечание

Количество

1

1260385C2

ARM

- basket door

2шт.

2

1260395C2

SHAFT

- pivot

2шт.

3

439-1428

HEADED PIN,1/4" OD x 1-3/4" OAL, Gr 2

PIN - headed, 1/4 x 1-3/4 inch, grade 2

2шт.

4

32-812

COTTER PIN,1/8" x 3/4"

PIN, SPLIT (COTTER), 1/8" x 3/4"

2шт.

5

439-11664

HEADED PIN,1" x 4"

PIN - headed, 1 x 4 inch, grade 2

4шт.

6

495-11106

WASHER,1", SAE

- flat, 1-1/16 x 2 x 1/8 inch

6шт.

7

432-1228

COTTER PIN,3/16" x 1 3/4"

3/16" x 1 3/4"

4шт.

8

521989R1

SPACER,1" Pipe x 15/16"

- 1 x 15/16 inch long

4шт.

9

1990433C2

SUPPORT

BAR - door link

2шт.

10

80679

LOCK WASHER,1/20.507 CST ZND

WASHER, LOCK, 1/2"

8шт.

11

413-824

BOLT,Hex, 1/2" - 13 x 1-1/2", Gr 5

8шт.

12

231-1448

NUT,1/2"-13, GB

- hex, self-locking, 1/2 inch NC

8шт.

13

1270277C1

PIVOT

ASSEMBLY - door, front

1шт.

14

458900R1

SPACER

BUSHING - split steel back

1шт.

15

495-81205

WASHER,32.54mm ID x 50.8mm OD x 1.7mm Thk

- flat, 1-9/32 x 2 x 3/64 inch

4шт.

16

432-1632

COTTER PIN,1/4" x 2"

Pin, Split (Cotter), 1/4" x 2"

2шт.

17

219-53

LUBE NIPPLE,65 Degree Elbow, 3/16" NPTF

FITTING - grease, 65 degree, 3/16 drive type x 23/32 inch

2шт.

18

1270278C1

PIVOT

ASSEMBLY - door, rear

1шт.

19

458900R1

SPACER

BUSHING - split steel back

1шт.

20

413-616

BOLT,Hex, 3/8" - 16 x 1", Gr 5

- hex, 3/8 NC x 1 inch

16шт.

21

492-11038

LOCK WASHER,3/8"

16шт.

22

425-106

NUT,3/8"-16, Cl 5

16шт.

23

140003A1

CONDUIT

CHANNEL - door, front

1шт.

24

140004A1

CONDUIT

CHANNEL - door, rear

1шт.

25

127164A1

SUPPORT

- door chain

4шт.

26

434-512

CARRIAGE BOLT,Sht Sq Nk, 5/16" - 18 x 3/4", Gr 5

BOLT - carriage, 5/16 NC x 3/4 inch

8шт.

27

1260289C3

SUPPORT

STRUT - door, upper

1шт.

28

231-5145

SERRATED NUT,Flg, USR, 5/16"-18

NUT - hex serrated flange, 5/16 inch NC

8шт.

29

28464R1

SELF-TAP SCREW

- self-tapping, hex washer head, 5/16 NC x 1-1/2 inch

6шт.

30

1979644C1

CLIP,ELECTRICAL

CLIP - brush

6шт.

31

1260275C3

SUPPORT

STRUT - lower (replaces struts 1260275C1 and 1260275C2)

1шт.

32

1278102C1

BRUSH, COMMUTATOR

BRUSH - door slat

2шт.

Выбрано товаров: 32