Запчасти Case IH 2055 (9D-24) - BASKET DOOR, COVERS AND SHIELDS, 4 ROW WIDE AND 5 ROW NARROW (16) - BASKET

Схема запчастей Case IH 2055 - (9D-24) - BASKET DOOR, COVERS AND SHIELDS, 4 ROW WIDE AND 5 ROW NARROW (16) - BASKET
12
4
3
6
26
16
17
24
17
23
22
2
7
21
5
2
23
11
9
14
2
15
3
18
19
10
20
12
19
18
24
7
2
2
25
1
17
13
2
15
6
14
3
3
3
17
18
14
3
18
FIT
1:1
100%

Артикул

Название

Примечание

Количество

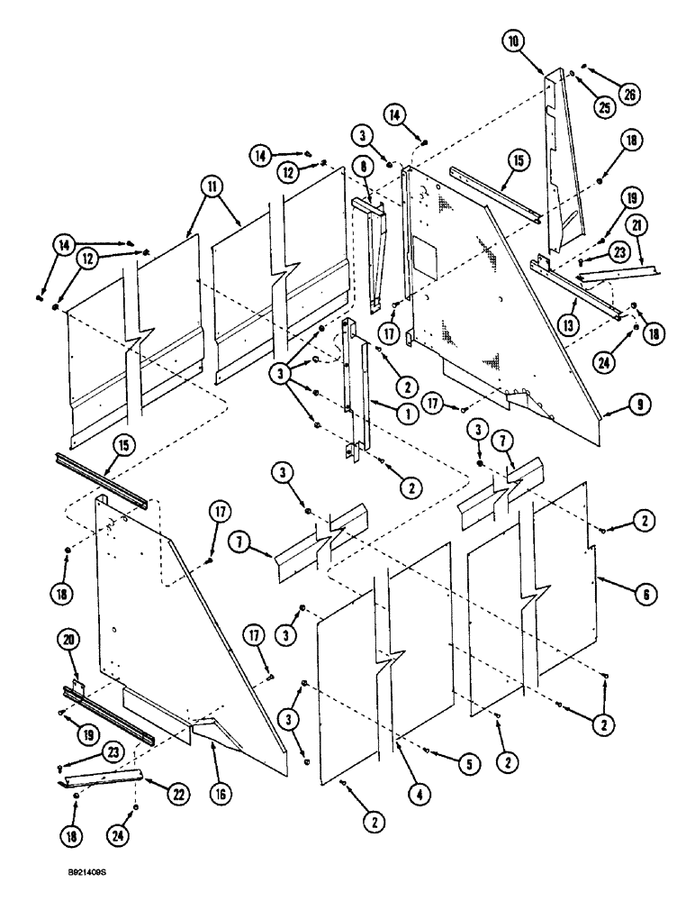
1

1278692C1

SUPPORT

BRACKET - panel spacer

1шт.

2

434-512

CARRIAGE BOLT,Sht Sq Nk, 5/16" - 18 x 3/4", Gr 5

BOLT - carriage, 5/16 NC x 3/4 inch

29шт.

3

231-5145

SERRATED NUT,Flg, USR, 5/16"-18

NUT - hex serrated flange, 5/16 inch NC

33шт.

4

1270125C1

COVER

- upper, rear

1шт.

5

135270

SERRATED SCREW,5/16" - 18 x 3/4"

- slotted truss head, 5/16 NC x 3/4 inch

4шт.

6

1270124C1

COVER

- upper, front

1шт.

7

1262686C1

SHIELD

- chain

2шт.

8

1270153C1

COVER

- chain

1шт.

9

1982428C3

GUARD

SHIELD - basket, front (replaces shield 1982428C2)

1шт.

10

1994945C3

GUARD

SHIELD - basket, left-hand front (replaces shield 1994945C2)

1шт.

11

1278689C1

PANEL

- basket door outer

2шт.

12

492-11031

LOCK WASHER,5/16"

WASHER, LOCK, 5/16"

12шт.

13

1984207C1

SUPPORT

BRACE - shield, front

1шт.

14

413-512

BOLT,Hex, 5/16" - 18 x 3/4", Gr 5

- hex, 5/16 NC x 3/4 inch

12шт.

15

1984205C1

ANGLE

CHANNEL - door end sheet

2шт.

16

1982430C2

GUARD

SHIELD - rear side

1шт.

17

477-73812

SERRATED SCREW,Truss HD, 3/8" - 16 x 3/4"

- slotted truss head, special, 3/8 NC x 3/4 inch

14шт.

18

231-5146

FLANGE NUT,3/8"-16

14шт.

19

276-14916

SELF-TAP SCREW,Hex Hd, 3/8" x 1"

SCREW - self-tapping, hex head, 3/8 NC x 1 inch

4шт.

20

1984208C1

SUPPORT

BRACE - rear shield

1шт.

21

1988652C1

ANGLE

- shield support, front

1шт.

22

1988683C1

ANGLE

- shield support, rear

1шт.

23

413-412

BOLT,Hex, 1/4" - 20 x 3/4", Gr 5

- hex, 1/4 NC x 3/4 inch

4шт.

24

231-5144

SERRATED NUT,Flg, USR, 1/4"-20

4шт.

25

495-21044

WASHER,3/8"

(flat, 7/16 x 1 x 5/64 inch) 3/8"

1шт.

26

409-7512

BOLT,Hex Flg, 5/16" - 18 x 3/4", Spcl

- hex serrated flange, 5/16 NC x 3/4 inch

1шт.

Выбрано товаров: 26