Запчасти Case IH 2055 (9D-40) - BASKET INTERLOCK (16) - BASKET

Схема запчастей Case IH 2055 - (9D-40) - BASKET INTERLOCK (16) - BASKET
23
7
22
5
1
4
6
30
19
26
25a
14
29
31
21
28
30
20
17
31
20
21
16
14a
9
26
25
14a
18
22
27
10
3
15
8
FIT
1:1
100%

Артикул

Название

Примечание

Количество

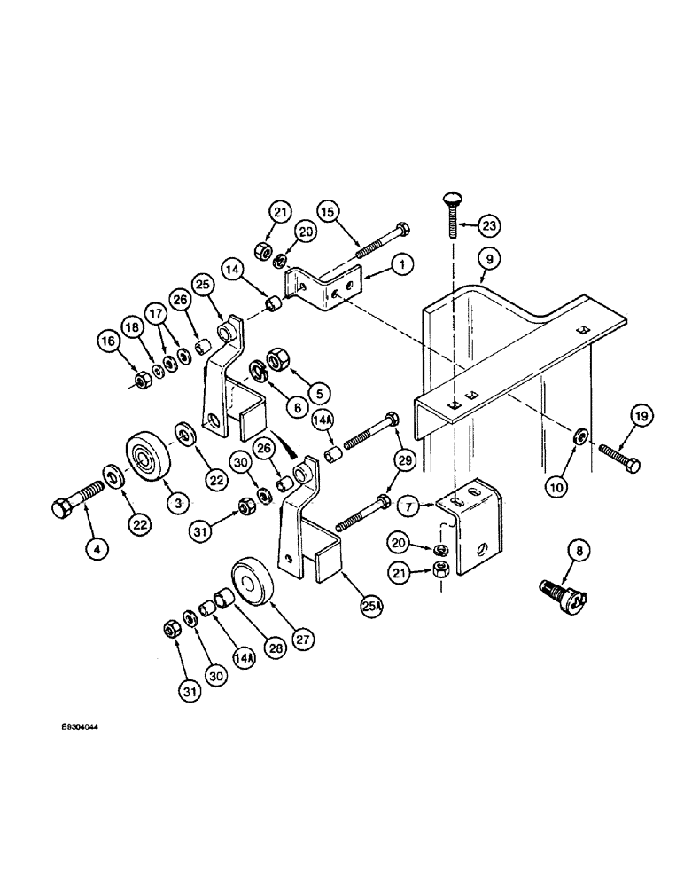
1

87361C2

SUPPORT

BRACKET - roller pivot (replaces bracket 87361C1)

1шт.

3

667925R91

ROLLER BEARING,0.628" ID x 2" OD x 15 mm

ROLLER - interlock, without bushings, if used

1шт.

4

413-1032

BOLT,Hex, 5/8" - 11 x 2", Gr 5

- hex, 5/8 NC x 2 inch, if used

1шт.

5

425-1010

NUT,5/8"-11, G5

If used 5/8"-11, G5

1шт.

6

492-11062

BEARING WASHER,5/8"

WASHER, LOCK, , If used 5/8"

1шт.

7

87354C1

ANGLE

- switch support

1шт.

8

121629C3

SWITCH

- neutral start

1шт.

9

1349869C1

FRAME

- basket, see page 9D-32

1шт.

10

495-81132

WASHER,0.41" ID x 0.88" OD x 0.18" Thk

1шт.

14

1994765C1

SPACER

- switch interlock angle, 29/32 inch long, if used

1шт.

14a

1994765C2

SPACER

- switch interlock angle, 53/64 inch long, if used

2шт.

15

413-528

BOLT,Hex, 5/16" - 18 x 1-3/4", Gr 5

if used Hex, 5/16"-18 x 1 3/4", G5

1шт.

16

232-4115

LOCK NUT,5/16"-18, GC

NUT, LOCK, , If used 5/16"-18, GC

1шт.

17

495-81254

WASHER,13.49mm ID x 25.4mm OD x 1.7mm Thk

- flat, 17/32 x 1 x 3/64 inch, if used

2шт.

18

495-81112

WASHER,.344" x 3/4" x .120"

- flat, 11/32 x 3/4 x 7/64 inch, if used

1шт.

19

413-620

BOLT,Hex, 3/8" - 16 x 1-1/4", Gr 5

- hex, 3/8 NC x 1-1/4 inch

2шт.

20

492-11038

LOCK WASHER,3/8"

4шт.

21

425-106

NUT,3/8"-16, Cl 5

4шт.

22

495-81175

WASHER,21/32" x 1" x .120"

- flat, 21/32 x 1 x 7/64 inch, if used

2шт.

23

434-616

CARRIAGE BOLT,Sht Sq Nk, 3/8" - 16 x 1", Gr 5

BOLT - carriage, 3/8 NC x 1 inch

2шт.

25

1994766C1

ANGLE BAR

ANGLE ASSEMBLY - switch interlock, 21/32 inch ID lower mounting hole, if used

1шт.

25a

117528A1

SUPPORT

ANGLE ASSEMBLY - switch interlock, 11/32 inch ID lower moutning hole, if used

1шт.

26

1994863C1

BUSHING,12.72mm ID x 15.27mm OD x 19mm L

- spindle, plain, switch interlock (replaces bushing 216552C1)

1шт.

27

117530A1

ROLL

ER ASSEMBLY - interlock, with bushing, if used

1шт.

28

1994863C1

BUSHING,12.72mm ID x 15.27mm OD x 19mm L

- spindle, plain, roller (replaces bushing 216552C1)

1шт.

29

413-524

BOLT,Hex, 5/16" - 18 x 1-1/2", Gr 5

- hex, 5/16 NC x 1-1/2 inch, if used

2шт.

30

495-81117

WASHER,.344" x 1" x .120"

- flat, 11/32 x 1 x 7/64 inch, if used

2шт.

31

232-4115

LOCK NUT,5/16"-18, GC

NUT, LOCK, , If used 5/16"-18, GC

2шт.

Выбрано товаров: 28