Запчасти Case IH 2055 (2-30) - THERMOSTAT HOUSING AND WATER FILTER, 6TA-830 ENGINE (01) - ENGINE

Схема запчастей Case IH 2055 - (2-30) - THERMOSTAT HOUSING AND WATER FILTER, 6TA-830 ENGINE (01) - ENGINE
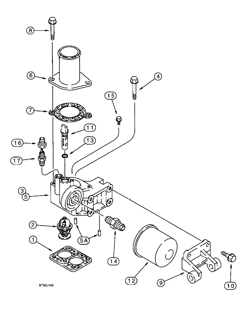
1
3
13
14
4
5
8
17
5a
12
7
9
6
16
2
10
15
11
FIT
1:1
100%

Артикул

Название

Примечание

Количество

1

J914310

GASKET,0.8mm Thk

- thermostat housing

1шт.

2

J907242

THERMOSTAT

- engine coolant, 83 degree C

2шт.

3

J913708

HOUSING

- thermostat, must be used with items 23 and 23A on page 2-28, prior to Engine Serial Number 44808257

1шт.

4

845-8080

BOLT,Hvy Hex, M8 x 80mm, Cl 8.8

- heavy hex flange, 8 - 1.25 x 80 mm

2шт.

J926509

HOUSING,Thermostat

- thermostat, replaces J924586 housing, must be used with (1) J924589 vent tube, (2) 222-153 sleeve, and (1) 222-22 adapter, items 24, 25 and 26 on page 2-28, Engine Serial Number 44808257 and after

1шт.

5

NSS

NOT SOLD SEPARAT

HOUSING - thermostat

1шт.

5a

180811A1

ROLL PIN

PIN - roll, special

2шт.

6

J912800

CONNECTION

TUBE - water outlet

1шт.

7

J918779

GASKET,1.19mm Thk

- outlet tube, water, replaces A77705 gasket

1шт.

8

845-8095

BOLT,Hvy Hex, M8 x 95mm, Cl 8.8

- heavy hex flange, 8 - 1.25 x 95 mm

2шт.

9

J918544

SUPPORT

- mounting, alternator

1шт.

10

845-8025

BOLT,Hex Flg, M8 x 25mm, Cl 8.8

- heavy hex flange, 8 - 1.25 x 25 mm

4шт.

11

J912837

COCK

VALVE - shutoff

1шт.

12

A77544

FILTER

- water conditioning, precharge

1шт.

13

238-5111

O-RING,0.103" Thk x 0.424" ID, -111, Cl 5, 75 Duro

1шт.

14

A77623

ADAPTER,3/4" - 10 x 11/16" - 16

- water filter

1шт.

15

845-6010

BOLT,Hvy Hex, M6 x 10mm, Cl 8.8

1шт.

16

J911925

COUPLING

- hose

1шт.

17

J911901

VALVE, CHECK

VALVE - check

1шт.

Выбрано товаров: 19