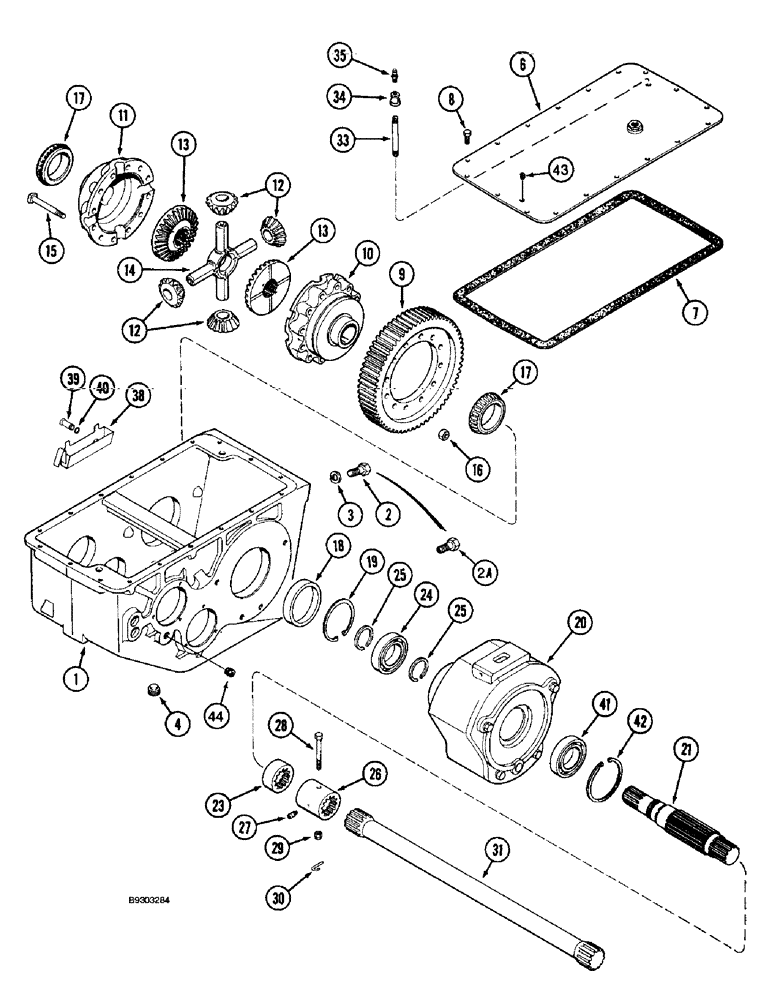
Запчасти Case IH 2055 (6-42) - TRANSMISSION HOUSING AND DIFFERENTIAL (03) - POWER TRAIN

Схема запчастей Case IH 2055 - (6-42) - TRANSMISSION HOUSING AND DIFFERENTIAL (03) - POWER TRAIN
2a
27
28
8
41
14
18
12
6
34
30
43
25
9
42
19
10
12
35
40
17
15
26
13
29
23
16
25
24
21
2
38
11
17
4
20
31
13
7
1
39
33
44
3
FIT
1:1
100%

Артикул

Название

Примечание

Количество

1997704C1

TRANSMISSION

ASSEMBLY

1шт.

Prior to P.I.N. JJC139015, parts list pages 6-42 - 6-46, used with 1997703C1 drum drive assembly on page 9A-4, no longer available, for service order 1349204C6 complete drum drive assembly with transmission, which consists of 120110A1 transmission (below) and 119860A1 drum drive on page 9A-4

1шт.

1997904C1

TRANSMISSION

ASSEMBLY

1шт.

P.I.N. JJC139015 - JJC155050, used with 1997903C2 drum drive assembly on page 9A-4 in 1349204C5 drum complete drive assembly with transmission, parts list pages 6-42 - 6-46, when 1997904C1 transmission assembly is no longer available, service with 120110A1 transmission plus 119777A1 bearing on page 9A-4

1шт.

120110A1

TRANSMISSION

ASSEMBLY - P.I.N. JJC155051 and after, used with 119860A1 drum drive assembly on page 9A-4 in 1349204C6 complete drum drive assembly with transmission, parts list page 6-42 - 6-46

1шт.

1

1997565C1

HOUSING

- transmission, prior to P.I.N. JJC139015, no longer available, for service order 1349204C6 complete drum drive assembly with transmission, which consists of 120110A1 transmission and 119860A1 drum drive

1шт.

1

1997869C1

HOUSING

- transmission, P.I.N. JJC139015 and after

1шт.

2

426-1028

BOLT,Hex, 5/8" - 11 x 1-3/4", Gr 8

- hex, 5/8 NC x 1-3/4 inch, grade 8

3-4шт.

2a

114999A1

HOLLOW SCREW

BOLT - hex, hollow, 5/8 NC x 1-3/4 inch, lube passage, drum drive gear box, if used

1шт.

3

392-21062

LOCK WASHER,5/8"

if used 5/8"

4шт.

4

320185C1

PLUG

- square socket, magnetic, 3/4 inch PT, housing drain

1шт.

6

1997577C1

COVER

- housing

1шт.

7

401860R1

GASKET

- housing cover

1шт.

8

413-612

BOLT,Hex, 3/8" - 16 x 3/4", Gr 5

15шт.

9

404085R1

GEAR

- driven, 66 teeth

1шт.

404081R1

CASE ASSY.

KIT - housing, differential, housing

1шт.

10

NSS

NOT SOLD SEPARAT

HOUSING - differential, right-hand

1шт.

11

NSS

NOT SOLD SEPARAT

HOUSING - differential, left-hand

1шт.

12

361061R3

PINION

GEAR - differential pinion, 15 teeth

4шт.

13

404084R1

PINION

GEAR - differential bevel, 28 teeth

2шт.

14

393637R2

DIFF. SPIDER

SPIDER - differential

1шт.

15

404171R2

BOLT,1/2" - 20 x 4"

BOLT - special, differential housing

12шт.

16

29-218

NUT,1/2"-20, G8, Hvy

- hex, 1/2 inch NF, grade 8

12шт.

17

ST2096

BEARING ASSY,73.03mm ID x 25.4mm W

BEARING - tapered roller

2шт.

18

ST981

BEARING CONE,112.71mm OD x 19.05mm W

CUP - tapered roller bearing

2шт.

19

100-21393

SNAP RING,3.938", Int, #393

Ring, Snap, (Replaces A55435) 3.938", Int, #393

2шт.

20

1342950C1

HOUSING ASSY.

HOUSING - brake, see pages 7-6 and 7-8 for master brakes

2шт.

21

1342912C1

SHAFT

- differential

2шт.

23

184214C1

SPLINED COUPLING

SLEEVE - seal wear, if used (See Note)

2шт.

Not included with 120110A1 transmission assembly. Order separately.

1шт.

24

ST265

BALL BEARING,55mm ID x 100mm OD x 21mm Thk

BEARING - ball, differential shaft

2шт.

25

358059R1

SNAP RING

RING - snap

4шт.

26

184341C2

SPLINED COUPLING

COUPLING ASSEMBLY - axle drive shaft (Replaces coupling assembly 184341C1) (See Note)

4шт.

Not included with 120110A1 transmission assembly. Order separately.

1шт.

27

219-14

LUBE NIPPLE,1/4" NPTF

FITTING - grease, straight, 1/4 drive type x 9/16 inch

1шт.

Not included with 120110A1 transmission assembly. Order separately.

1шт.

28

27653R1

BOLT,Hex, 3/8" - 16 x 3 1/2", Gr 8

- hex, 3/8 NC x 3-1/2 inch, grade 8 (See Note)

4шт.

Not included with 120110A1 transmission assembly. Order separately.

1шт.

29

654049R1

LOCK NUT

- hex, self-locking, 3/8 inch NC (See Note)

4шт.

Not included with 120110A1 transmission assembly. Order separately.

1шт.

30

21864R1

COTTER PIN

- retaining, S-type, S Type (See Note)

4шт.

Not included with 120110A1 transmission assembly. Order separately.

1шт.

31

1342676C1

SHAFT

- final drive, left-hand, single wheels, 4 Row Wide and 5 Row Narrow (See Note)

1шт.

Not included with 120110A1 transmission assembly. Order separately.

1шт.

31

1342678C1

SHAFT

- final drive, right-hand, not shown, single wheels, 4 Row Wide and 5 Row Narrow (See Note)

1шт.

Not included with 120110A1 transmission assembly. Order separately.

1шт.

31

126098A2

SHAFT

- final drive, left-hand, single wheels, 5 Row Wide; dual ready wheels, 5 Row Narrow (See Note)

1шт.

Not included with 120110A1 transmission assembly. Order separately.

1шт.

31

126099A2

SHAFT

- final drive, right-hand, single wheels, 5 Row Wide; dual wheels, 5 Row Narrow, not shown (See Note)

1шт.

Not included with 120110A1 transmission assembly. Order separately.

1шт.

31

1997838C1

SHAFT

- final drive, left-hand, dual ready wheels, 4 Row Wide (See Note)

1шт.

Not included with 120110A1 transmission assembly. Order separately.

1шт.

31

1997839C1

SHAFT

- final drive, right-hand, dual ready wheels, 4 Row Wide, not shown (See Note)

1шт.

Not included with 120110A1 transmission assembly. Order separately.

1шт.

31

184374C2

SHAFT

- final drive, left-hand, dual ready wheels, 5 Row Wide (See Note)

1шт.

Not included with 120110A1 transmission assembly. Order separately.

1шт.

31

126101A1

SHAFT

- final drive, right-hand, dual ready wheels, 5 Row Wide, not shown (See Note)

1шт.

Not included with 120110A1 transmission assembly. Order separately.

1шт.

33

221-1114

LUBE NIPPLE,1/8" NPT x 4 1/2"

NIPPLE, LUBE, , Straight 1/8" NPT x 4 1/2"

1шт.

34

144098

REDUCER

COUPLING - reducing, 1/4 PT to 1/8 inch PT

1шт.

35

219-434

BREATHER,1/8" - 27 NPT, Short, W/ Washer

VALVE - vent, includes felt washer, 1/8 PT x 1 inch (Replaces fitting 61991R91)

1шт.

38

1997575C1

GUARD

SHIELD - transmission lube

1шт.

39

1997393C1

TUBE,10.22 mm ID, 12.7 mm OD

- transmission lube

1шт.

40

100-1150

SNAP RING,#50, Ext

Ring, Snap, , use as a spacer #50, Ext

1шт.

41

D37968

BALL BEARING

BEARING - ball, housing cover (Replaces bearing 574273R91)

2шт.

42

101-21393

SNAP RING,#393, 4.234", Int

RING - snap, housing cover bearing (Replaces snapring 184131C1)

2шт.

43

221-841

PLUG

- hex socket, 1/4 inch PT

1шт.

44

217-442

PLUG,3/4" - 14

- hex socket, 3/4 inch PT

1шт.

Выбрано товаров: 68