Запчасти Case IH 2055 (6-46) - TRANSMISSION INPUT SHAFT, GEARS AND SHIFTER RAILS (03) - POWER TRAIN

Схема запчастей Case IH 2055 - (6-46) - TRANSMISSION INPUT SHAFT, GEARS AND SHIFTER RAILS (03) - POWER TRAIN
10
12
7
14
3
27
24
2
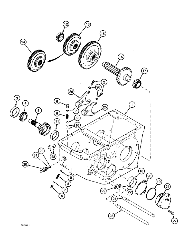
1
31
29
23
13
28
15
5
25
9
9
30
20
16
22
8
21
6
17
22
8
19
25
18
6
4
26
11
7
FIT
1:1
100%

Артикул

Название

Примечание

Количество

REF

INSTRUCTION

TRANSMISSION ASSEMBLY - parts list pages 6-42 - 6-46, see page 6-42 for correct transmission assembly

1шт.

1

REF

INSTRUCTION

HOUSING - transmission, see page 6-42 for correct transmission housing

1шт.

2

573985R1

SET SCREW,Sq Hd, 3/8"-24 x 1"

SCREW - set, 3/8 NF x 1 inch, shifter fork

2шт.

3

130503H

BEARING CUP

CUP - tapered roller bearing, 3-17/64 inch OD, input shaft, replaced ST987 cup, prior to P.I.N. JJC139015

1шт.

4

300426R91

BEARING ASSY,45.618 mm ID x 25.4 mm

BEARING - tapered roller, 1-25/32 inch ID, input shaft

1шт.

5

1342441C2

PINION

1шт.

SHAFT - gear, 26 teeth, input pinion, 1997704C1 or 1997904C1 transmission, replaces 1342441C1 shaft, when 1342441C2 shaft is no longer available, service 1997704C1 or 1997904C1 transmission with 119835A1 shaft plus 119777A1 bearing on page 9A-4

1шт.

5

119835A1

PINION

SHAFT - gear, input pinion, 26 teeth, 120110A1 transmission, also shown on page 9A-4

1шт.

6

76349

PLUG,9/16" - 18 ORB

2шт.

8

588801R1

SPRING

- detent, shifter

2шт.

9

211-1016

BALL,12.7mm OD, Gr 24

- chrome alloy steel, 1/2 inch, grade 24

2шт.

10

211-1014

BALL,7/16" Dia

- chrome alloy steel, 7/16 inch, grade 24, shifter detent (Replaces steel ball 17014R1)

2шт.

11

50213V

BEARING CUP

CUP - tapered roller bearing, 2-3/4 inch OD, left-hand drive shaft

1шт.

12

50212VA

ROLLER BEARING,33.35mm ID x 24.01mm W

BEARING - tapered roller, 1-5/16 inch ID, left-hand drive shaft

1шт.

13

1342486C1

PINION

GEAR - second and third, 26 and 46 teeth, no longer available, order item 9, 1997591C1 gear, shown on page 6-44, and item 14, 1997592C1 gear, shown on this page, prior to P.I.N. JJC139015

1шт.

14

1997592C1

PINION

GEAR - second and third sliding, 26 and 48 teeth, P.I.N. JJC139015 and after

1шт.

15

1342487C1

PINION

GEAR - first sliding, 57 teeth

1шт.

16

406607R3

SHAFT

- gear change, 32 teeth

1шт.

17

290099C91

TAPERED BEARING,39.69mm ID x 22.1mm W

BEARING - tapered roller, 2-7/8 inch OD, right-hand drive shaft

1шт.

18

290100C1

BEARING CUP,73.05mm OD x 17.78mm W

CUP - tapered roller bearing, 1-9/16 inch ID, right-hand drive shaft

1шт.

19

238-5240

O-RING,0.139" Thk x 3.734" ID, -240, Cl 5, 75 Duro

1шт.

20

401883R1

SHIM

- 0.003 inch thick, bearing cap

1шт.

20

401884R1

SHIM

- 0.005 inch thick, bearing cap

1шт.

20

401885R1

SHIM

- 0.007 inch thick, bearing cap

1шт.

20

184195C1

SHIM

- 0.030 inch thick, bearing cap

1шт.

21

130791C1

BEARING CAP,65.5 mm ID x 101.51 mm OD x 58.7 mm

- bearing retainer

1шт.

22

G10450

OIL SEAL,19.05mm ID x 31.85mm OD x 6.35mm Thk

- shifter rail oil, prior to P.I.N. JJC139015

2шт.

22

1997906C1

OIL SEAL,19.05mm ID x 31.85mm OD x 6.35mm Thk

- shifter rail oil, P.I.N. JJC139015 and after

2шт.

23

1342442C2

SHAFT

- second and third gear shifter (Replaces shaft 1342442C1)

1шт.

24

1342443C2

SHAFT

- first gear shifter (Replaces shaft 1342443C1)

1шт.

25

401897R2

FORK

- gear shifter

2шт.

26

25-156

JAM NUT,Jam, 3/8"-24, G5

- hex, jam, 3/8 inch NF

2шт.

27

413-622

BOLT,Hex, 3/8" - 16 x 1-3/8", Gr 5

- hex, 3/8 NC x 1-3/8 inch

3шт.

28

41-1620

PLUG,Cup, 1 1/4", Stainless

- cup, 1-1/4 inch (Replaces plug 349373R1)

2шт.

30

1983575C1

SWITCH

ASSEMBLY - transmission neutral

1шт.

31

211-1010

BALL,5/16" OD

- chrome alloy steel, 5/16 inch, grade 24

1шт.

7

237-6006

O-RING,0.078" Thk x 0.468" ID, -906, Cl 6, 90 Duro

6-1, 90 Duro, .468" ID x .078" Thk

1шт.

29

237-6006

O-RING,0.078" Thk x 0.468" ID, -906, Cl 6, 90 Duro

6-1, 90 Duro, .468" ID x .078" Thk

1шт.

Выбрано товаров: 38