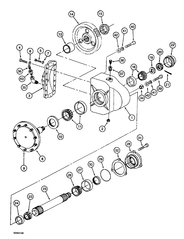
Запчасти Case IH 2055 (6-48) - FINAL DRIVE, PRIOR TO P.I.N. JJC0155439 (03) - POWER TRAIN

Схема запчастей Case IH 2055 - (6-48) - FINAL DRIVE, PRIOR TO P.I.N. JJC0155439 (03) - POWER TRAIN
23
25
14
21
1
37
42
38
31
22
26
35
39
10
42
30
36
40
43
13
27
11
24
7
15
19
5
6
28
3
29
4
16
41
8
41
34
20
32
9
2
FIT
1:1
100%

Артикул

Название

Примечание

Количество

1342338C1

REDUCER

DRIVE ASSEMBLY - final

2шт.

1

86851C2

HOUSING

- final drive

1шт.

2

217-442

PLUG,3/4" - 14

- hex socket, 3/4 inch PT

1шт.

3

86839C2

COVER

- housing

1шт.

4

326-824

BOLT,Hex, 1/2" - 13 x 1-1/2", Gr 8

12шт.

5

326-620

BOLT,Hex, 3/8" - 16 x 1-1/4", Gr 8

6шт.

6

396-21053

WASHER,17/32" x 1 1/16" x .134"

Hardened 17/32" x 1 1/16" x .134"

12шт.

7

396-21041

WASHER,10.31mm ID x 20.63mm OD x 2.26mm Thk

- flat, 13/32 x 13/16 x 3/32 inch, hardened

6шт.

8

1315484C91

SHAFT

ASSEMBLY - drive (See Note)

1шт.

Be sure to check hole size diameter in shaft before ordering cotter pin.

1шт.

9

565130R3

BOLT,3/4" - 16 x 2 5/8", Class 8

- wheel

10шт.

10

401905R91

OIL SEAL,98.93mm ID x 152.58mm OD x 15.88mm Thk

- oil, outer bearing

1шт.

11

283445C91

BEARING ASSY,85.03mm ID x 150.09mm OD x 44.4.5mm W

- outer, two-piece, includes bearing and cup

1шт.

13

87064C1

SPACER

- gear

1шт.

14

87184C1

PINION

GEAR - drive, 76 teeth, also order 87064C1 spacer, item 13

1шт.

15

401908R2

SPACER

- drive

1шт.

16

66116R91

BEARING ASSY,66.67mm ID x 112.71mm OD x 30.16mm W

- inner, two-piece, includes bearing and cup

1шт.

19

403896R1

WASHER

WASHER - drive

1шт.

20

147030R1

SLOTTED NUT

- hex, slotted, special

1шт.

21

432-840

COTTER PIN,1/8" x 2 1/2"

if used (See Note) 1/8" x 2 1/2"

1шт.

Be sure to check hole size diameter in shaft before ordering cotter pin.

1шт.

21

432-1240

COTTER PIN,3/16" x 2 1/2"

if used (See Note) 3/16" x 2 1/2"

1шт.

Be sure to check hole size diameter in shaft before ordering cotter pin.

1шт.

22

403895R1

COVER

CAP - main shaft

1шт.

23

401911R91

BEARING ASSY,44.45mm ID x 31.75mm W

BEARING - tapered roller, 1-3/4 inch ID

1шт.

24

61012R1

BEARING, CUP,93.66mm OD x 25.4mm W

CUP - tapered roller bearing, 3-11/16 inch OD

1шт.

25

1342337C1

SHAFT

- pinion, 12 teeth

1шт.

26

M53320

BEARING ASSY

BEARING - tapered roller, 2-1/4 inch ID

1шт.

27

1968292C1

BEARING

CUP - tapered roller bearing, 4-1/8 inch OD

1шт.

28

86845C1

CAGE

- bearing

1шт.

29

238-5244

O-RING,0.139" Thk x 4.234" ID, -244, Cl 5, 75 Duro

1шт.

30

401914R91

OIL SEAL,54.28mm ID x 85.22mm OD x 11.13mm Thk

- oil, double lip, replaces 196452C1 single lip seal

1шт.

31

326-628

BOLT,Hex, 3/8" - 16 x 1-3/4", Gr 8

- hex, 3/8 NC x 1-3/4 inch, grade 8

3шт.

32

86895C1

SHIM,117.4mm ID x 136.2mm OD x 0.08mm Thk

- 0.003 inch thick, pinion inner bearing

1шт.

32

86896C1

SHIM,117.4mm ID x 136.2mm OD x 0.13mm Thk

- 0.005 inch thick, pinion inner bearing

1шт.

32

86897C1

SHIM,117.4mm ID x 136.2mm OD x 0.18mm Thk

- 0.007 inch thick, pinion inner bearing

1шт.

32

86898C1

SHIM,117.4mm ID x 136.2mm OD x 0.76mm Thk

- 0.030 inch thick, pinion inner bearing

1шт.

34

163909C1

BUSHING,19.15mm ID x 28.57mm OD x 12.7mm L

- tapered

4шт.

35

141621

ELBOW,90 Degree, 3/4" NPT Street

- 90 degree, 3/4 male x 3/4 PT female

2шт.

36

444595

DRAIN PLUG,Sq Hd, 1/4"-14 NPTF

PLUG - square head, 3/4 inch PT

2шт.

37

24170R1

ADAPTER,3/4" NPT Male x 1/8" NPT Fem

- straight, 3/4 PT x 1/8 inch female PT

2шт.

38

219-434

BREATHER,1/8" - 27 NPT, Short, W/ Washer

VALVE - vent, includes felt washer, 1/8 PT x 1 inch (Replaces breather 61991R91)

2шт.

39

326-1244

BOLT,Hex, 3/4" - 10 x 2-3/4", Gr 8

4шт.

40

326-1248

BOLT,Hex, 3/4" - 10 x 3", Gr 8

16шт.

41

392-21075

LOCK WASHER,3/4"

3/4"

20шт.

42

496-31081

WASHER,13/16" x 1 1/2" x .219", HDN

- flat, 13/16 x 1-1/2 x 7/32 inch, hardened

20шт.

43

217-65

ADAPTER,3/4"-14 Fem NPTF x 3/4"-14 NPTF Male

- straight, 3/4-14 inch PT x female PT

2шт.

Выбрано товаров: 47