Запчасти Case IH 2055 (5-02) - STEERING WHEEL AND SUPPORT (04) - STEERING

Схема запчастей Case IH 2055 - (5-02) - STEERING WHEEL AND SUPPORT (04) - STEERING
10
26
30
20
34
18
16
12
31
23
28
24
39
14
9
15
37
2
33
32
21
36
38
29
25
11
19
1
35
32
7
22
20
43
5
27
13
42
40
41
22
17
8
6
4
3
FIT
1:1
100%

Артикул

Название

Примечание

Количество

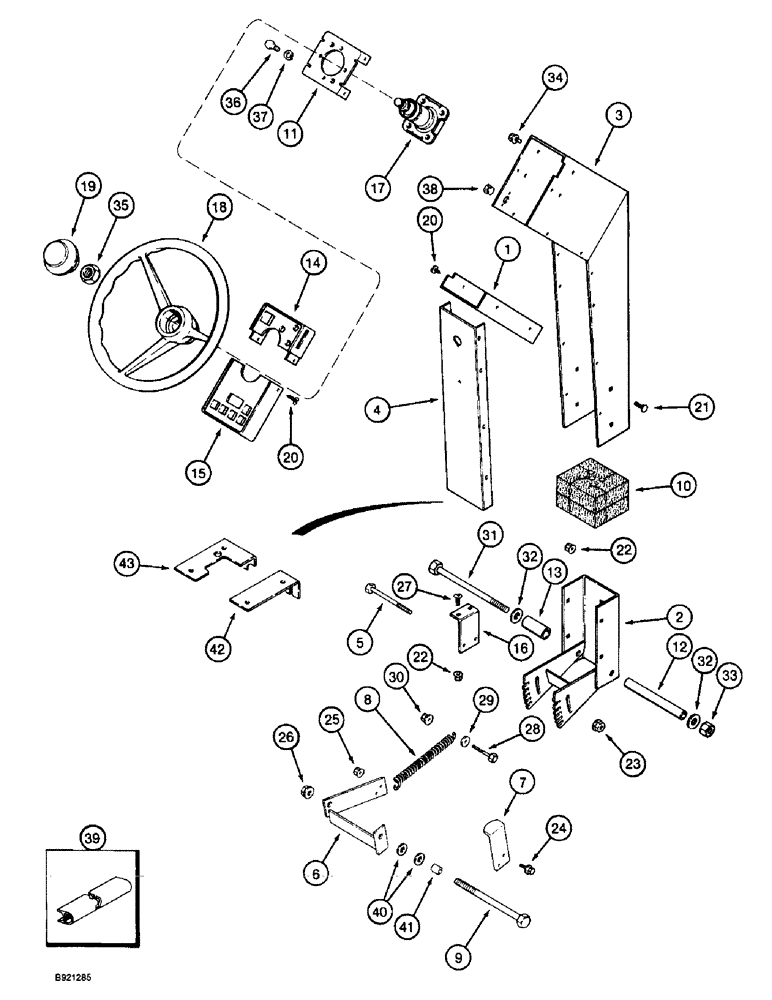
1

1327540C3

CHANNEL

- steering post cover

1шт.

2

1321449C1

SECTOR

RACK - steering column pivot

1шт.

3

1327550C4

SUPPORT

PEDESTAL - steering column

1шт.

4

1327551C1

CHANNEL

- steering post cover

1шт.

5

413-572

BOLT,Hex, 5/16" - 18 x 4-1/2", Gr 5

- hex, 5/16 NC x 4-1/2 inch

1шт.

6

193235C3

PIVOT

- release, steering

1шт.

7

193239C2

BAR

PLATE - steering release

1шт.

8

183608C1

SPRING

- pedal return

1шт.

9

413-8120

BOLT,Hex, 1/2" - 13 x 7-1/2", Gr 5

- hex, 1/2 NC x 7-1/2 inch

1шт.

10

1327598C1

SEAL

SEAL - steering pedestal

1шт.

11

1283223C2

SUPPORT

- steering pump

1шт.

12

1321442C1

TUBE,13.51 mm ID, 19.05 mm OD

- steering column pivot

1шт.

13

1321441C1

SPACER

- steering column

1шт.

14

1327546C1

COVER

- steering column, top front

1шт.

15

1327547C4

COVER

- steering column, top rear

1шт.

16

193263C1

SUPPORT

- steering pivot stop pin

1шт.

17

1978328C3

PUMP

ASSEMBLY - steering, parts list page 5-8, includes item 39

1шт.

18

1321683C1

WHEEL (STEERING)

WHEEL - steering

1шт.

19

1329895C2

CAP ASSY.

CAP - steering wheel (Replaces cap 1329895C1)

1шт.

20

1321447C1

SELF-TAP SCREW,Cross Pan Hd, 1/4 -20 x 1/2" OAL

SCREW - self-tapping, pan Phillips, 1/4 NC x 1/2 inch

18шт.

21

1321448C1

CARRIAGE BOLT,Sq Nk, 5/16" - 18 x 3/4", Gr 5

BOLT - carriage, 5/16 NC x 3/4 inch, polyseal

6шт.

22

231-5145

SERRATED NUT,Flg, USR, 5/16"-18

NUT - hex serrated flange, 5/16 inch NC

8шт.

23

232-4115

LOCK NUT,5/16"-18, GC

NUT, LOCK, 5/16"-18, GC

1шт.

24

409-7412

BOLT,Hex Flg, 1/4" - 20 x 3/4", Spcl

- hex serrated flange, 1/4 NC x 3/4 inch (Replaces bolt 68530C1)

2шт.

25

231-5144

SERRATED NUT,Flg, USR, 1/4"-20

2шт.

26

231-4118

LOCK NUT,1/2"-13, GB

NUT - hex, self-locking, 1/2 inch NC

1шт.

27

135270

SERRATED SCREW,5/16" - 18 x 3/4"

- slotted truss head, 5/16 NC x 3/4 inch

2шт.

28

413-636

BOLT,Hex, 3/8" - 16 x 2-1/4", Gr 5

1шт.

29

495-11041

WASHER,0.406" ID x 0.812" OD x 0.065" W

(Flat, 13/32 x 13/16 x 1/16") 3/8", SAE

2шт.

30

231-5146

FLANGE NUT,3/8"-16

1шт.

31

326-8128

BOLT,Hex, 1/2" - 13 x 8", Gr 8

- hex, 1/2 NC x 8 inch, grade 8

1шт.

32

396-41053

WASHER,13.49mm ID x 31.75mm OD x 5.05mm Thk

- flat, 17/32 x 1-1/4 x 3/16 inch, hardened

2шт.

33

232-4118

NUT,1/2"-13, GC

NUT, LOCK, 1/2"-13, GC

1шт.

34

1327574C1

FLANGE BOLT,Hex Serr, 5/16" - 18 x 1/2", Gr 5

BOLT - hex flange, polyseal, 5/16 NC x 1/2 inch

4шт.

35

F19646

LOCK NUT,13/16"-20, Thin

NUT - hex, steering wheel retaining, 13/16 inch NC (Replaces nut 368576R1)

1шт.

36

413-58

BOLT,Hex, 5/16" - 18 x 1/2", Gr 5

- hex, 5/16 NC x 1/2 inch

4шт.

37

492-11031

LOCK WASHER,5/16"

WASHER, LOCK, 5/16"

4шт.

38

353-406

PLUG,Dome, .625" hole, Nylon

- button, 5/8 inch, turn signal switch

1шт.

39

87435C1

MOLDING,0.19mm Grip, 76.2mm OAL

TRIM - edge, 3 inch (76 mm) long, if used, cut from 196707C1 bulk trim, see below

1шт.

40

495-51053

WASHER,13.49mm ID x 25.4mm OD x 1.6mm Thk

- flat, 17/32 x 1 x 1/16 inch

2шт.

41

159716C1

SPACER,3/4" Tube x 5/8"

- tubular, 17/32 x 3/4 x 9/16 inch

1шт.

42

1327568C1

PLATE

- boot hold-down, right-hand

1шт.

43

1327567C1

PLATE

- boot hold-down, left-hand

1шт.

196707C1

SEAL

TRIM - bulk, edge, 600 inch (15240 mm) long (Replaces bulk trim 1330108CX)

1шт.

Выбрано товаров: 44