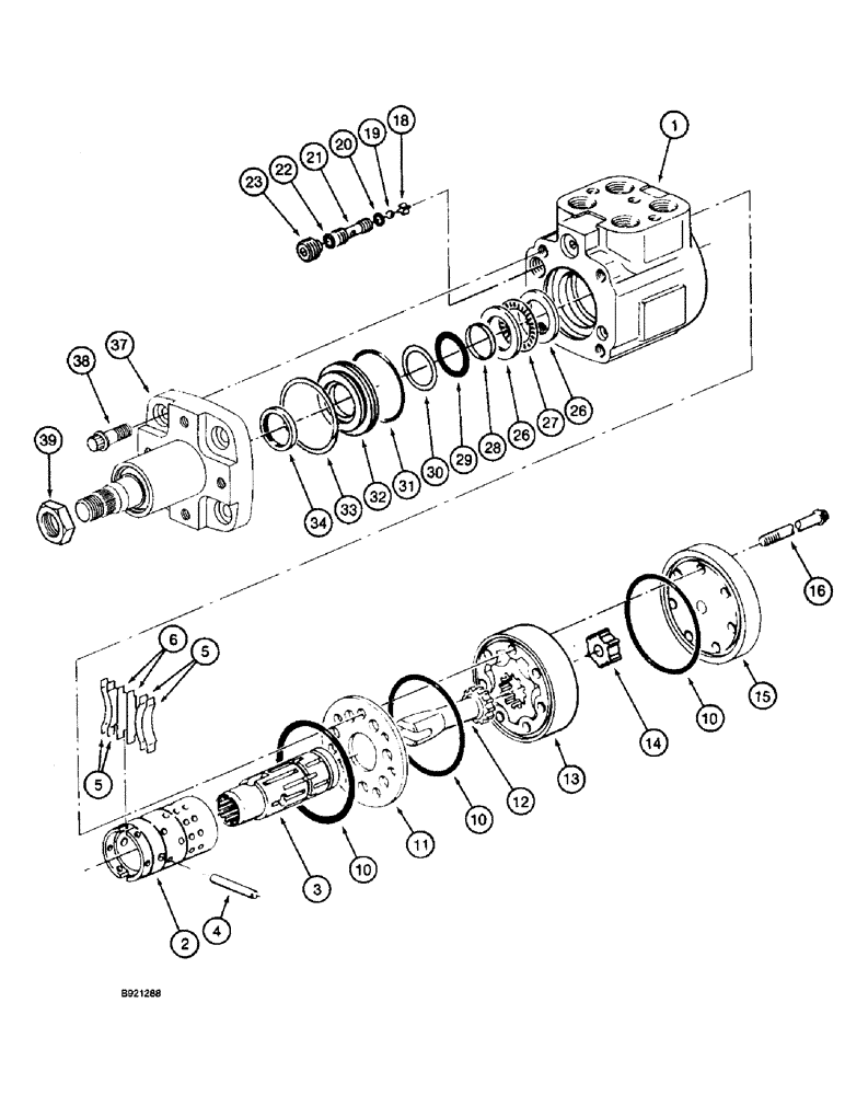
Запчасти Case IH 2055 (5-08) - STEERING PUMP ASSEMBLY (04) - STEERING

Схема запчастей Case IH 2055 - (5-08) - STEERING PUMP ASSEMBLY (04) - STEERING
6
3
32
23
38
1
5
2
20
16
22
13
21
10
34
12
14
39
28
29
19
27
5
4
11
26
33
30
26
37
31
18
15
10
10
FIT
1:1
100%

Артикул

Название

Примечание

Количество

126110A1

PUMP

ASSEMBLY - steering (Replaces pump assembly 1978328C2)

1шт.

1978328C2

PUMP

ASSEMBLY - steering, no longer available, order pump assembly 126110A1

1шт.

1

NSS

NOT SOLD SEPARAT

HOUSING AND CONTROL ASSEMBLY - pump

1шт.

NSS

NOT SOLD SEPARAT

VALVE - check, inlet, not shown

1шт.

NSS

NOT SOLD SEPARAT

VALVE - check, manual steering, not shown

1шт.

2

NSS

NOT SOLD SEPARAT

SLEEVE - control

1шт.

3

NSS

NOT SOLD SEPARAT

SPOOL - control

1шт.

4

L30888

PIN

- roll, centering

1шт.

N14250

KIT

- centering spring

1шт.

5

NSS

NOT SOLD SEPARAT

SPRING - centering

1шт.

6

NSS

NOT SOLD SEPARAT

SPACER - spring

2шт.

10

238-6040

O-RING,0.07" Thk x 2.864" ID, -40, Cl 6, 90 Duro

(Replaces O-ring N6392) -040, 90 Duro, 2.864" ID x .070" Thk

3шт.

Part of Low Torque Seal Kit P/N F19646

1шт.

11

S113037

PLATE

- spacer

1шт.

12

L30878

DRIVE SHAFT

SHAFT - drive, gerotor

1шт.

13

NSS

NOT SOLD SEPARAT

GEROTOR - pump

1шт.

14

NSS

NOT SOLD SEPARAT

SPACER - gerotor

1шт.

15

D82809

COVER

CAP - end

1шт.

16

NSS

NOT SOLD SEPARAT

BOLT - 12 point flange, 5/16 NC x 1-5/8 inch

7шт.

18

L35368

RETAINER

- check ball

1шт.

19

211-208

BALL,5/16" Dia

- chrome alloy steel, 5/16 inch, grade 24

1шт.

20

238-6011

O-RING,0.07" Thk x 0.301" ID, -11, Cl 6, 90 Duro

(Replaces L30893) -011, 90 Duro, .301" ID x .070" Thk

1шт.

Part of Low Torque Seal Kit P/N F19646

1шт.

21

D82806

VALVE SEAT

SEAT - check ball

1шт.

22

238-5012

O-RING,0.07" Thk x 0.364" ID, -12, Cl 5, 75 Duro

-012, 70 Duro, .364" ID x .070" Thk

1шт.

Part of Low Torque Seal Kit P/N F19646

1шт.

23

D82805

SET SCREW

SCREW - set

1шт.

26

D82804

RACE

- thrust, bearing

2шт.

27

G13609

THRUST BEARING,25.4mm ID x 39.67mm OD x 1.98mm W

BEARING, THRUST - Needle (Replaces bearing G13604)

1шт.

28

121179A1

SEAL

- teflon (Replaces seal N13313)

1шт.

Part of Low Torque Seal Kit P/N F19646

1шт.

29

238-5121

O-RING,0.103" Thk x 1.049" ID, -121, Cl 5, 75 Duro

Used with pump assembly 1978328C2 -121, 70 Duro, 1.049" ID x .103" Thk

1шт.

Part of Low Torque Seal Kit P/N F19646

1шт.

30

50-2703T1

BACK-UP RING

RING - backup, used with pump assembly 1978328C2

1шт.

Part of Low Torque Seal Kit P/N F19646

1шт.

31

238-5225

O-RING,0.139" Thk x 1.859" ID, -225, Cl 5, 75 Duro

(Replaces seal 102569A1) -225, 70 Duro, 1.859" ID x .139" Thk

1шт.

Part of Low Torque Seal Kit P/N F19646

1шт.

32

N13312

CYLINDER END CAP

BUSHING - seal gland

1шт.

33

S110169

WASHER

RING - retaining

1шт.

34

697494R91

OIL SEAL

SEAL - 1 inch ID

1шт.

37

1343648C1

COVER

COLUMN - steering pump, used with pump assembly 1978328C2

1шт.

38

1343650C1

12 PT SCREW,Flg, 3/8" - 16 x 1", Gr 8

BOLT, , Used with pump assembly 1978328C2 12 Pt Flg, 3/8"-16 x 1", G8

4шт.

39

F19646

LOCK NUT,13/16"-20, Thin

NUT - hex, steering wheel retaining, 13/16 inch NC, used with pump assembly 1978328C2 (Replaces nut 368576R1)

1шт.

1343658C3

SEAL KIT

KIT - seal, low torque, Includes: Ref. 10, 20, 22, 28-31 and 34

1шт.

Выбрано товаров: 44