Запчасти Case IH 2055 (5-12) - ADJUSTABLE STEERING AXLE (04) - STEERING

Схема запчастей Case IH 2055 - (5-12) - ADJUSTABLE STEERING AXLE (04) - STEERING
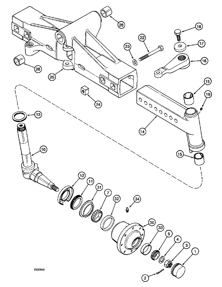
1
15
16
10
18
12
23
31
32
22
4
2
5
30
19
7
14
15
26
13
34
25
17
3
26
11
33
24
FIT
1:1
100%

Артикул

Название

Примечание

Количество

1

189425C1

HUB CAP

CAP - wheel hub

2шт.

2

934868R1

COTTER PIN,M6.3 x 50

PIN - cotter, 6 x 50 mm

2шт.

3

1259683C1

NUT

- hex, slotted, 30 mm - 1.5, spindle

2шт.

4

896-12030

WASHER,33mm ID x 56mm OD x 5mm Thk

- flat, 33 x 56 x 5 mm, hardened

2шт.

5

130504H

ROLLER BEARING,42.887 mm ID x 25.48 mm

BEARING - tapered roller, wheel, outer

2шт.

7

ST753B

BEARING ASSY,66.67mm ID x 22mm W

BEARING - tapered roller, wheel, inner, 2-5/8 inch ID

2шт.

10

1259519C2

STEERING KNUCKLE

SPINDLE ASSEMBLY - steering, front wheel

2шт.

11

491641C1

SEAL

- front wheel spindle

1шт.

12

1259522C1

SHIELD

- dust, front wheel spindle

1шт.

13

1270815C1

THRUST BEARING

- thrust wheel spindle

2шт.

14

1264574C2

EXTENSION ASSY.

AXLE ASSEMBLY - extension, LH section, Incl. item 15, 4 Row Wide, 5 Row Wide

1шт.

14

1264575C2

EXTENSION ASSY.

AXLE ASSEMBLY - extension, RH section, Incl. item 15, (shown) 4 Row Wide, 5 Row Narrow

1шт.

14

134097A2

EXTENSION

AXLE ASSEMBLY - section, left-hand and right-hand, includes item 15, 5 Row Wide (Replaces axle assembly 134097A1)

2шт.

15

1259518C1

BUSHING,63.53mm ID x 67.21mm OD x 50.8mm L

- spindle

2шт.

16

1259526C2

ARM

- steering spindle, left-hand

1шт.

16

1259527C2

STEERING ARM

ARM - steering spindle, right-hand, shown

1шт.

17

1259669C2

WASHER

- steering arm retainer

2шт.

18

614-20055

BOLT,Hex, M20 x 2.5 x 55mm, Cl 8.8, Full Thd

- hex, full threads, 20 - 2.5 x 55 mm

2шт.

19

219-17

LUBE NIPPLE,3/16" NPTF

FITTING - grease, straight, 3/16 drive type x 17/32"

4шт.

22

828-24200

BOLT,Hex, M24 x 3 x 200mm, Cl 10.9

- hex, 24 - 3.0 x 200 mm, class 10.9

4шт.

23

896-12024

WASHER,26mm ID x 44mm OD x 5mm Thk

- flat, 26 x 44 x 5 mm, hardened

4шт.

24

1264635C1

NUT

- square, special, axle clamping

4шт.

25

1289100C3

CENTER AXLE

AXLE ASSEMBLY - section, center

1шт.

26

A177916

BUSHING,50.3mm ID x 64.96mm OD x 50mm L

- front pivot

2шт.

30

1259528C1

HUB

ASSEMBLY - wheel, front

2шт.

31

1264549C1

SEALING WASHER,106mm ID x 130mm OD x 1.6mm Thk

RETAINER - hub seal

1шт.

32

A26744

BEARING CUP,110.025 mm OD x 18.875 mm

CUP - tapered roller bearing, inner

1шт.

33

130503H

BEARING CUP

CUP - tapered roller bearing, 3-17/64 inch OD, outer

1шт.

34

219-17

LUBE NIPPLE,3/16" NPTF

FITTING - grease, straight, 3/16 drive type x 17/32"

2шт.

Выбрано товаров: 29