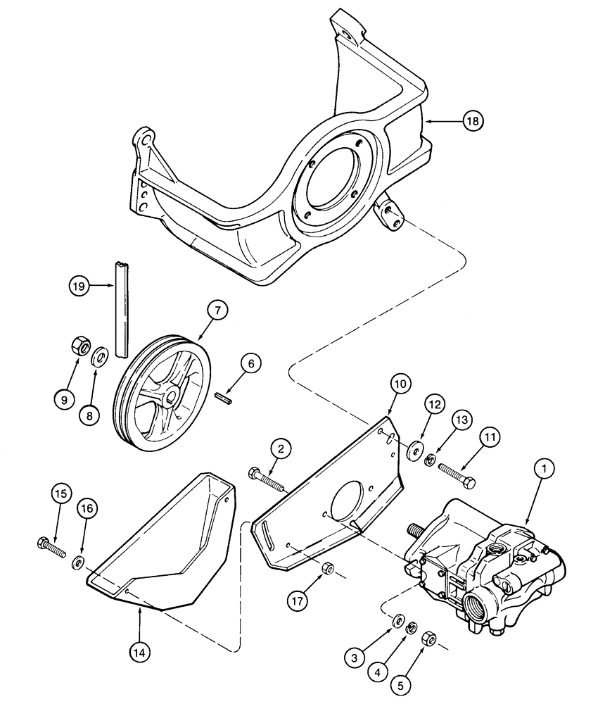
Запчасти Case IH 2155 (8-16) - HYDRAULIC PUMP MOUNTING (07) - HYDRAULICS

Схема запчастей Case IH 2155 - (8-16) - HYDRAULIC PUMP MOUNTING (07) - HYDRAULICS
8
16
10
3
4
6
17
14
15
1
2
19
5
7
18
13
9
11
12
FIT
1:1
100%

Артикул

Название

Примечание

Количество

1

1282249C91

PUMP, HYDRAULIC

PUMP ASSEMBLY - hydraulic, new, parts list pages 8-11 and 8-13

1шт.

2

413-828

BOLT,Hex, 1/2" - 13 x 1-3/4", Gr 5

2шт.

3

396-21053

WASHER,17/32" x 1 1/16" x .134"

Hardened 17/32" x 1 1/16" x .134"

2шт.

4

80679

LOCK WASHER,1/20.507 CST ZND

WASHER, LOCK, 1/2"

2шт.

5

425-108

NUT,1/2" - 13, Gr 5

NUT, , Hex 1/2"-13, G5

2шт.

6

452779R1

KEY,1/4" Sq x 3/4", Par

- square parallel, 1/4 x 3/4 inch, included with 1282249C91 pump assembly

1шт.

7

1285257C4

PULLEY

- drive, pump

1шт.

8

396-31081

WASHER,20.63mm ID x 38.1mm OD x 5.56mm Thk

1шт.

9

231-46112

LOCK NUT,3/4"-16, GB

NUT - hex, self-locking, 3/4 inch NF

1шт.

10

1546127C1

SUPPORT

- pump mounting

1шт.

11

413-828

BOLT,Hex, 1/2" - 13 x 1-3/4", Gr 5

3шт.

12

495-81162

WASHER,17/32" x 1 1/2" x .179"

- flat, 17/32 x 1-1/2 x 11/64 inch

3шт.

13

80679

LOCK WASHER,1/20.507 CST ZND

WASHER, LOCK, 1/2"

3шт.

14

87367C2

GUARD

SHIELD ASSEMBLY - pump pulley

1шт.

15

413-620

BOLT,Hex, 3/8" - 16 x 1-1/4", Gr 5

- hex, 3/8 NC x 1-1/4 inch

2шт.

16

495-21044

WASHER,3/8"

(7/16 x 1 x 5/64 inch) 3/8"

2шт.

17

231-4116

NUT,3/8"-16, GB

NUT - hex, self-locking, 3/8 inch NC

2шт.

18

1990144C3

HOUSING

ASSEMBLY - pulley, parts list page 6-7

1шт.

19

1546118C1

BELT,16.00 mm W x 1593.66 mm L, 2 Ribs

Drive, Auxiliary Pump 16.00 mm W x 1593.66 mm L, 2 Ribs

1шт.

Выбрано товаров: 0