Запчасти Case IH 2155 (9E-50) - HEATING AND AIR CONDITIONING SYSTEM, RECEIVER-DRIER SYSTEM (10) - CAB & AIR CONDITIONING

Схема запчастей Case IH 2155 - (9E-50) - HEATING AND AIR CONDITIONING SYSTEM, RECEIVER-DRIER SYSTEM (10) - CAB & AIR CONDITIONING
11
8
5
15
1
2
3
11
7
10
12
4
6
16
8
9
14
2
11
3
15
13
FIT
1:1
100%

Артикул

Название

Примечание

Количество

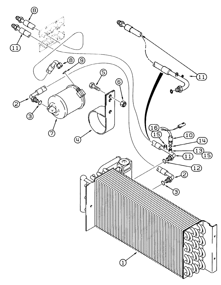
1

121590A2

BODY

CORE ASSEMBLY - evaporator, parts list page 9E-43

1шт.

2

124912A1

LARGE HOSE

HOSE - 21-11/16 inch (551 mm) long, evaporator core valve to receiver-drier reservoir

1шт.

3

128483A1

O-RING,1.78mm Thk x 7.65mm ID, 70 Duro

- 5/16 ID x 1/16 inch wide

2шт.

4

D145289

SUPPORT

BRACKET - receiver-drier

1шт.

5

627-12030

BOLT,Hex, M12 x 1.75 x 30mm, Cl 10.9, Full Thd

- hex, full threads, 12 - 1.75 x 30 mm, class 10.9

2шт.

6

829-1412

NUT,M12, Cl 10.9

- hex, 12 mm - 1.75, class 10

2шт.

7

1990758C2

RECEIVER-DRYER

RECEIVER-DRIER - air conditioning

1шт.

8

124914A1

HOSE

- 26-1/16 inch (662 mm) long, receiver-drier reservoir to cab/chassis connections

1шт.

9

128483A1

O-RING,1.78mm Thk x 7.65mm ID, 70 Duro

- 5/16 ID x 1/16 inch wide

1шт.

10

122579A1

SWITCH, A/C LOW PRES

SWITCH - low pressure

1шт.

11

124913A1

LARGE HOSE

HOSE - 35-7/16 inch (900 mm) long, evaporator core valve to cab/chasis connections, if used, replaced by 124913A2 hose

1шт.

11

124913A2

HOSE

- 35-7/16 inch (900 mm) long, evaporator core valve to cab/chasis connections, if used, replaces 124913A1 hose

1шт.

12

128485A1

O-RING,1.78mm Thk x 14mm ID, 70 Duro

- 9/16 ID x 1/16 inch wide

1шт.

13

122081A1

FITTING,M10 x 1.25 x 26.43mm L

- special, pressure switch

1шт.

14

128483A1

O-RING,1.78mm Thk x 7.65mm ID, 70 Duro

- 5/16 ID x 1/16 inch wide

1шт.

15

1250594C1

CORE

VALVE - core

2шт.

16

122553A1

CAP

- sealing

1шт.

Выбрано товаров: 17