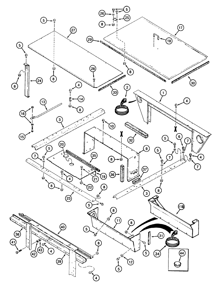
Запчасти Case IH 2155 (9F-06) - ENGINE AND RADIATOR SHIELDS, REAR ACCESS DOOR AND SUPPORTS (12) - CHASSIS

Схема запчастей Case IH 2155 - (9F-06) - ENGINE AND RADIATOR SHIELDS, REAR ACCESS DOOR AND SUPPORTS (12) - CHASSIS
12
8
17
5
4
11a
21
3
15
5
39
5
5
5
38
42
8
27
8
11
7
8
25
19
41
37
8
4
13
7
43
18
6
5
4
7
5
16
8
32
8
35
1
31
4
3
7
40
8
14
44
9
22
24
34
4
33
8
29
28
26
4
8
8
36
30
20
5
23
8
5
5
2
10
FIT
1:1
100%

Артикул

Название

Примечание

Количество

1

1982959C3

SUPPORT

- center basket

1шт.

2

87063C2

STRIP

TRIM - edge, 16-5/16 inch (414 mm) long, cut from 1330108CX bulk trim, see below

1шт.

3

1260025C5

SUPPORT

- shield, outer

2шт.

4

256873

BOLT,Hex Serr, 5/16" - 18 x 1/2", 5SPL, Full Thd

38шт.

5

409-7512

BOLT,Hex Flg, 5/16" - 18 x 3/4", Spcl

- hex serrated flange, 5/16 NC x 3/4 inch

76шт.

6

409-7516

BOLT,Hex Flg, 5/16" - 18 x 1", Spcl

3шт.

7

495-21038

WASHER,5/16"

(flat, 3/8 x 7/8 x 3/32") 5/16"

10шт.

8

231-5145

SERRATED NUT,Flg, USR, 5/16"-18

NUT - hex serrated flange, 5/16 inch NC

111шт.

9

1982739C2

GUARD

SHIELD - upper, radiator, see page 6-3, item 8, for oil cooler cover plate

1шт.

10

281-10810

SELF-TAP SCREW,Hex Wash Hd, 5/16" x 5/8"

SCREW - self-tapping, hex washer head, 5/16 NC x 5/8 inch

4шт.

11

1982741C1

GUARD

SHIELD - lower, oil cooler, prior to P.I.N. JJC0156230

1шт.

11a

195388A1

SUPPORT

SHIELD - lower, oil cooler, P.I.N. JJC0156230 and after

1шт.

12

495-21044

WASHER,3/8"

(7/16 x 1 x 5/64 inch) 3/8"

5шт.

13

87076C2

SUPPORT

- tube

2шт.

14

86952C1

CLIP,ELECTRICAL

CLIP - screen support

2шт.

15

413-540

BOLT,Hex, 5/16" - 18 x 2-1/2", Gr 5

- hex, 5/16 NC x 2-1/2 inch

2шт.

16

425-105

NUT,5/16"-18, G5

- hex, 5/16 inch NC

4шт.

17

1988797C1

GUARD

SHIELD - center rear deck

1шт.

18

1278124C1

HANDLE

- retractable

1шт.

19

1349824C1

COVER

PLATE - bolster seal

1шт.

20

1302758C1

PLUG

- plastic, clean out hole

1шт.

21

413-612

BOLT,Hex, 3/8" - 16 x 3/4", Gr 5

4шт.

22

231-5146

FLANGE NUT,3/8"-16

4шт.

23

1260123C2

CHANNEL

CHANNEL - hinge support

1шт.

24

1349885C1

SUPPORT

- rear

2шт.

25

215720C1

HINGE

- shield

2шт.

26

495-11034

WASHER,5/16", SAE

5/16" SAE (flat, 11/32 x 11/16 x 1/16")

4шт.

27

1990372C1

GUARD

SHIELD - rear deck

1шт.

28

276-14912

SELF-TAP SCREW,Hex Hd, 3/8" x 3/4"

SCREW - self-tapping, hex head, 3/8 NC x 3/4 inch

5шт.

1330108CX

SEAL,304.8mm L

TRIM - edge, bulk, 600 inch (15240 mm) long

1шт.

29

87061C1

SEAL

- adhesive-backed, 65 inch (1651 mm) long, cut from 195917C1 bulk seal, deck shields, see below

4шт.

30

87060C1

SEAL

- adhesive-backed, 37-1/2 inch (953 mm) long, cut from 87084C1 bulk seal, center rear deck shield, see below

2шт.

31

1984246C1

GASKET

- adhesive-backed, 10-1/2 inch (267 mm) long, cut from 87084C1 bulk seal, upper and lower shields, see below

4шт.

32

1545942C1

SEAL

- adhesive-backed, 21-3/4 inch (552 mm) long, cut from 1264566C1 bulk seal, see below

2шт.

33

1301229C1

SEAL

- adhesive-backed, 25-7/16 inch (646 mm) long, cut from 195917C1 bulk seal, see below

2шт.

34

1545944C1

SEAL

TRIM - edge, 5 inch (127 mm) long, cut from 1330108CX bulk trim, see below

1шт.

35

1545941C1

SEAL

- adhesive-backed, 33 inch (838 mm) long, cut from 73215C1 bulk seal, see below

1шт.

36

1984247C1

SEAL

SEA - adhesive-backed, 12-7/8 inch (327 mm) long, cut from 1264566C1 bulk seal, radiator support channel on main frame, see below

2шт.

37

1546226C1

SEAL

- adhesive-backed, 6-5/16 inch (160 mm) long, cut from 1264566C1 bulk seal, main frame tube, see below

2шт.

38

1990392C2

CONDUIT

CHANNEL - rear, left-hand

1шт.

39

1990393C2

CONDUIT

CHANNEL - rear, right-hand

1шт.

40

1990376C2

SUPPORT

- basket, rear

1шт.

41

413-824

BOLT,Hex, 1/2" - 13 x 1-1/2", Gr 5

6шт.

42

80679

LOCK WASHER,1/20.507 CST ZND

WASHER, LOCK, 1/2"

6шт.

43

425-108

NUT,1/2" - 13, Gr 5

NUT, , Hex 1/2"-13, G5

6шт.

44

353-402

PLUG,Dome, .375" hole, Nylon

6шт.

1330108CX

SEAL,304.8mm L

TRIM - edge, bulk, 600 inch (15240 mm) long

1шт.

87084C1

SEAL

- foam, adhesive-backed, 600 inch (15240 mm) long

1шт.

195917C2

SEAL

SEAL - bulk, foam, adhesive-backed, 600 inch (15240 mm) long

1шт.

1264566C1

SEAL,1219mm L

SEAL - foam, adhesive-backed, 48 inch (1219 mm) long

1шт.

73215C1

GASKET

SEAL - bulk, foam, adhesive-backed, 48 inch (1219 mm) long

1шт.

Выбрано товаров: 51