Запчасти Case IH 2155 (9D-16) - BASKET FRONT (16) - BASKET

Схема запчастей Case IH 2155 - (9D-16) - BASKET FRONT (16) - BASKET
15
41
30
21
40
32
16
22
23
28
15
42
25
29a
21
43a
22
22
24
5
35
27
43
20
23
10
44
15
32
28
8
22
9
14
17
4
10
19
20
26
11
13
23
22
36
3
6
26
28
31
21
29
16
38
12
34
18
15
33
1
2
23
37
FIT
1:1
100%

Артикул

Название

Примечание

Количество

REF

INSTRUCTION

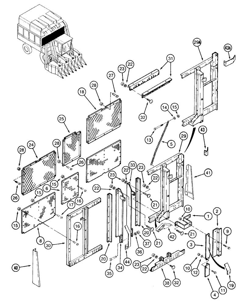
BASKET ASSEMBLY - cotton, complete

1шт.

See Figures 9D-04 through 9D-32 for additional components of basket assembly. The basket assembly does not include hydraulic components, basket door or basket unloading parts.

1шт.

1

1984233C1

SUPPORT

BRACKET - guide

1шт.

2

87353C1

SUPPORT

- guide

1шт.

3

87357C1

GUIDE

- upper

1шт.

17

477-73816

SERRATED SCREW,Sl Truss Hd, 3/8" x 1"

BOLT - serrated slotted truss head, 3/8 NC x 1 inch

1шт.

4

87360C2

GUIDE

- lower

1шт.

26

477-73816

SERRATED SCREW,Sl Truss Hd, 3/8" x 1"

BOLT - serrated slotted truss head, 3/8 NC x 1 inch

1шт.

5

87235C1

CHAIN

- 33 links, cut from ZAN4030136 bulk chain, see below

1шт.

6

1349866C1

COVER

- basket, center

1шт.

7

1990476C1

COVER

- lower, left-hand

1шт.

8

1329247C3

COVER

- right-hand

1шт.

9

409-7516

BOLT,Hex Flg, 5/16" - 18 x 1", Spcl

1шт.

10

231-5145

SERRATED NUT,Flg, USR, 5/16"-18

NUT - hex serrated flange, 5/16 inch NC

1шт.

11

409-7512

BOLT,Hex Flg, 5/16" - 18 x 3/4", Spcl

- hex serrated flange, 5/16 NC x 3/4 inch

1шт.

12

495-11034

WASHER,5/16", SAE

5/16" SAE (flat, 11/32 x 11/16 x 1/16")

1шт.

13

413-648

BOLT,Hex, 3/8" - 16 x 3", Gr 5

1шт.

14

495-81143

WASHER,13/32" x 1 1/2" x .120"

1шт.

15

231-5146

FLANGE NUT,3/8"-16

1шт.

16

477-73812

SERRATED SCREW,Truss HD, 3/8" - 16 x 3/4"

- serrated slotted truss head, 3/8 NC x 3/4 inch

1шт.

18

1339132C1

SIEVE

SCREEN - basket, left-hand front

1шт.

19

1994929C1

SUPPORT

GUIDE - upper extension

1шт.

20

1260162C1

SUPPORT

ANGLE - screen mounting bracket

2шт.

21

433-632

CARRIAGE BOLT,Sq Nk, 3/8" - 16 x 2", Gr 5

BOLT, CARRIAGE, Short NK, 3/8"-16 x 2", G5

1шт.

22

492-11044

LOCK WASHER,7/16"

WASHER, LOCK, 7/16"

1шт.

23

425-106

NUT,3/8"-16, Cl 5

1шт.

24

1260164C1

SIEVE

SCREEN - basket, 395 mm long, right-hand

1шт.

25

1260181C1

SIEVE

SCREEN - basket, center

1шт.

27

477-73812

SERRATED SCREW,Truss HD, 3/8" - 16 x 3/4"

- serrated slotted truss head, 3/8 NC x 3/4 inch

1шт.

28

231-5146

FLANGE NUT,3/8"-16

1шт.

29

1982688C7

END

- basket, left-hand, prior to P.I.N. JJC0156230

1шт.

29a

198881A1

END

- basket, left-hand, P.I.N. JJC0156230 and after

1шт.

30

1260228C8

END

- basket, right-hand

1шт.

31

1260244C2

SUPPORT

ANGLE - tie, upper

2шт.

32

434-616

CARRIAGE BOLT,Sht Sq Nk, 3/8" - 16 x 1", Gr 5

BOLT - carriage, 3/8 NC x 1 inch

1шт.

33

1982676C1

SUPPORT

BRACKET - lift, left-hand

1шт.

34

1982677C1

SUPPORT

BRACKET - lift, right-hand

1шт.

35

413-820

BOLT,Hex, 1/2" - 13 x 1-1/4", Gr 5

1шт.

36

80679

LOCK WASHER,1/20.507 CST ZND

WASHER, LOCK, 1/2"

1шт.

37

425-108

NUT,1/2" - 13, Gr 5

NUT, , Hex 1/2"-13, G5

1шт.

38

1260318C2

CONDUIT

CHANNEL - tie

1шт.

40

1990335C2

GUARD

SHIELD - basket, right-hand front

1шт.

41

1994945C3

GUARD

SHIELD - basket

1шт.

42

1988634C1

GUARD

SHIELD - front

1шт.

43

1984204C2

GUIDE

- upper outer, 4 Row Wide and 5 Row Narrow, prior to P.I.N. JJC0156230

1шт.

43a

196982A2

GUIDE

- basket door, upper outer, 4 Row Wide and 5 Row Narrow, P.I.N. JJC0156230 and after

1шт.

44

1984211C1

GUIDE

- basket door

1шт.

ZAN4030126

CHAIN - bulk, cut to required length, used for Ref. 5

1шт.

Выбрано товаров: 48