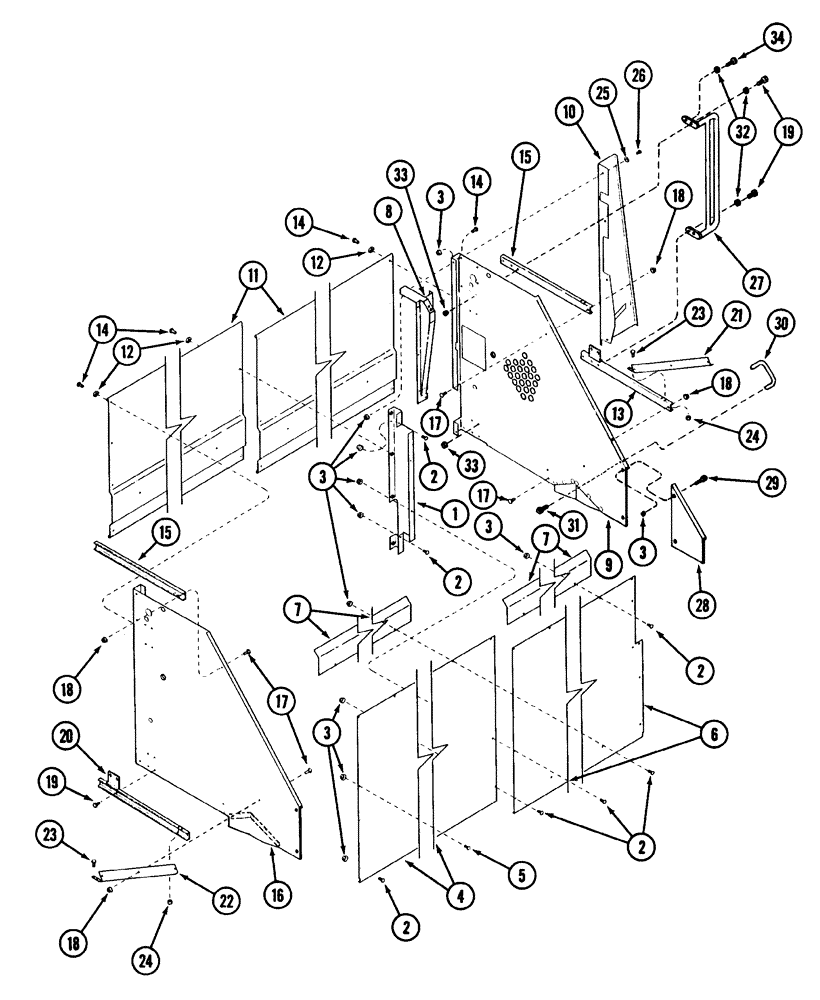
Запчасти Case IH 2155 (9D-27A) - BASKET DOOR, COVERS AND SHIELDS, 4 ROW WIDE AND 5 ROW NARROW, P.I.N. JJC0156230 AND AFTER (16) - BASKET

Схема запчастей Case IH 2155 - (9D-27A) - BASKET DOOR, COVERS AND SHIELDS, 4 ROW WIDE AND 5 ROW NARROW, P.I.N. JJC0156230 AND AFTER (16) - BASKET
3
9
25
16
13
26
21
14
20
28
10
2
4
32
12
15
17
23
2
24
2
18
11
23
3
2
18
7
14
33
3
18
34
29
7
17
5
27
2
19
24
6
15
33
17
14
3
18
8
30
31
19
12
1
3
22
FIT
1:1
100%

Артикул

Название

Примечание

Количество

1

1278692C1

SUPPORT

BRACKET - panel spacer

1шт.

2

434-512

CARRIAGE BOLT,Sht Sq Nk, 5/16" - 18 x 3/4", Gr 5

BOLT - carriage, 5/16 NC x 3/4 inch

29шт.

3

231-5145

SERRATED NUT,Flg, USR, 5/16"-18

NUT - hex serrated flange, 5/16 inch NC

33шт.

4

1270125C1

COVER

- upper, rear

1шт.

5

477-73112

SERRATED SCREW,Sl Truss Hd, 5/16" - 18 x 3/4"

- serrated slotted truss head, 5/16 NC x 3/4"

4шт.

6

1270124C1

COVER

- upper, front

1шт.

7

1262686C1

SHIELD

- chain

2шт.

8

1270153C2

COVER

- chain

1шт.

9

225907A2

GUARD

SHIELD - basket, front

1шт.

10

1994945C3

GUARD

SHIELD - basket, left-hand front

1шт.

11

1278689C1

PANEL

- basket door outer

2шт.

12

492-11031

LOCK WASHER,5/16"

WASHER, LOCK, 5/16"

12шт.

13

1984207C1

SUPPORT

BRACE - shield, front

1шт.

14

413-512

BOLT,Hex, 5/16" - 18 x 3/4", Gr 5

- hex, 5/16 NC x 3/4 inch

12шт.

15

1984205C1

ANGLE

CHANNEL - door end sheet

2шт.

16

225908A2

GUARD ASSY.

SHIELD - rear side

1шт.

17

477-73812

SERRATED SCREW,Truss HD, 3/8" - 16 x 3/4"

BOLT - serrated slotted truss head, 3/8 NC x 3/4 inch

14шт.

18

231-5146

FLANGE NUT,3/8"-16

14шт.

19

413-632

BOLT,Hex, 3/8" - 16 x 2", Gr 5

- hex, 3/8 NC x 2 inch

4шт.

20

225902A1

GUARD ASSY.

BRACE - shield, rear

1шт.

21

1988652C1

ANGLE

- shield support, front

1шт.

22

1988683C1

ANGLE

- shield support, rear

1шт.

23

413-412

BOLT,Hex, 1/4" - 20 x 3/4", Gr 5

- hex, 1/4 NC x 3/4 inch

4шт.

24

231-5144

SERRATED NUT,Flg, USR, 1/4"-20

4шт.

25

495-21044

WASHER,3/8"

(7/16 x 1 x 5/64 inch) 3/8"

1шт.

26

409-7512

BOLT,Hex Flg, 5/16" - 18 x 3/4", Spcl

- hex serrated flange, 5/16 NC x 3/4 inch

1шт.

27

232025A1

RAMP

STEP - long basket door

1шт.

28

225777A2

EXTENSION

SHIELD - door extension

2шт.

29

477-73108

SERRATED SCREW,Sl Truss Hd, 5/16" - 18 x 1/2"

BOLT - serrated slotted truss head, 5/16 NC x 1/2 inch

2шт.

30

178621A1

RAMP

HANDRAIL - basket door

1шт.

31

409-7516

BOLT,Hex Flg, 5/16" - 18 x 1", Spcl

2шт.

32

492-11038

LOCK WASHER,3/8"

WASHER, LOCK, 3/8"

4шт.

33

425-106

NUT,3/8"-16, Cl 5

4шт.

34

413-616

BOLT,Hex, 3/8" - 16 x 1", Gr 5

- hex, 3/8 NC x 1 inch, Rear

2шт.

Выбрано товаров: 34