Запчасти Case IH 2155 (6-06) - FAN DRIVE HOUSING, PULLEY, AND HYDROSTATIC PUMP DRIVE PLATE (03) - POWER TRAIN

Схема запчастей Case IH 2155 - (6-06) - FAN DRIVE HOUSING, PULLEY, AND HYDROSTATIC PUMP DRIVE PLATE (03) - POWER TRAIN
2
6
8
18
1
9
12
12
3
14
16
9
21
10
11
15
14
16
7
17
19
18
22
20
17
4
13
23
15
5
FIT
1:1
100%

Артикул

Название

Примечание

Количество

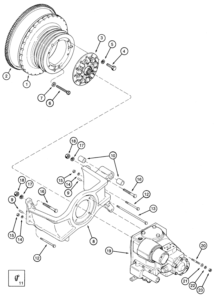
1

1546119C2

PULLEY

ASSEMBLY - engine flywheel, fan drive

1шт.

2

NSS

NOT SOLD SEPARAT

GEAR - ring, flywheel

1шт.

3

1546204C2

LARGE PLATE

PLATE - hydrostatic drive

1шт.

4

413-612

BOLT,Hex, 3/8" - 16 x 3/4", Gr 5

6шт.

5

492-11038

LOCK WASHER,3/8"

WASHER, LOCK, 3/8"

6шт.

6

J901395

BOLT,Hex, M12 x 1.25 x 32mm, Cl 12.9

BOLT - hex, special, 12 - 1.25 x 32 mm

8шт.

7

J900269

WASHER,12.76mm ID x 25.5mm OD x 1.65mm Thk

- flat, special, flywheel bolt

8шт.

1990144C3

HOUSING

ASSEMBLY - pulley

1шт.

8

NSS

NOT SOLD SEPARAT

HOUSING - pulley

1шт.

9

37-1816

DOWEL,1/2" x 1"

PIN - dowel, 1/2 x 1 inch, hardened

2шт.

10

87800C1

BUSHING,25.53mm ID x 31.81mm OD x 38.1mm L

- oilite, 1 inch

2шт.

11

21340R1

ADAPTER,90 Degree, 1/4"-1/8 NPTF

FITTING - grease, 90 degree, special

1шт.

12

413-856

BOLT,Hex, 1/2" - 13 x 3-1/2", Gr 5

- hex, 1/2 NC x 3-1/2 inch

3шт.

13

113-2431

BOLT,Hex, 1/2" - 13 x 11", Gr 5

1шт.

14

80679

LOCK WASHER,1/20.507 CST ZND

WASHER, LOCK, 1/2"

4шт.

15

425-108

NUT,1/2" - 13, Gr 5

NUT, , Hex 1/2"-13, G5

4шт.

16

413-1244

BOLT,Hex, 3/4" - 10 x 2-3/4", Gr 5

- hex, 3/4 NC x 2-3/4 inch

2шт.

17

492-11075

LOCK WASHER,3/4"

3/4"

2шт.

18

425-1012

NUT,3/4"-10, G5

- hex, 3/4 inch NC

2шт.

19

1986824C5

PUMP, HYDROSTATIC

PUMP ASSEMBLY - hydrostatic, new, replaces 1986824C4 pump, parts list pages 6-19 - 6-27

1шт.

19

1986824C5R

REMAN-HYDROSTAT PUMP

2155 CASE IH COTTON EXPRESS COTTON PICKER, PUMP ASSEMBLY, hydrostatic, new, FAN DRIVE HOUSING, PULLEY, AND DRIVE PLATE (2/95-)

1шт.

19

1986824C5C

CORE-HYDROSTAT PUMP

Return Number

1шт.

20

1338122C2

STUD

- pump retaining, 1/2 inch NC

4шт.

21

396-21053

WASHER,17/32" x 1 1/16" x .134"

Hardened 17/32" x 1 1/16" x .134"

4шт.

22

80679

LOCK WASHER,1/20.507 CST ZND

WASHER, LOCK, 1/2"

4шт.

23

425-108

NUT,1/2" - 13, Gr 5

NUT, , Hex 1/2"-13, G5

4шт.

Выбрано товаров: 26