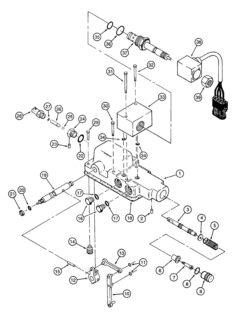
Запчасти Case IH 2155 (6-24) - HYDROSTATIC PUMP ASSEMBLY, CONTROL VALVE (03) - POWER TRAIN

Схема запчастей Case IH 2155 - (6-24) - HYDROSTATIC PUMP ASSEMBLY, CONTROL VALVE (03) - POWER TRAIN
15
6
34
11
17
23
34
36
13
33
3
1
31
7
25
32
9
8
22
2
35
26
18
38
14
28
39
29
12
37
21
19
4
27
24
17
10
20
5
16
30
FIT
1:1
100%

Артикул

Название

Примечание

Количество

1986824C5

PUMP, HYDROSTATIC

PUMP ASSEMBLY - hydrostatic, new, includes parts on pages 6-19 - 6-27, replaces 1986824C4 pump

1шт.

1986824C5R

REMAN-HYDROSTAT PUMP

2155 CASE IH COTTON EXPRESS COTTON PICKER, PUMP ASSEMBLY, hydrostatic, new, CONTROL VALVE (2/95-)

1шт.

1986824C5C

CORE-HYDROSTAT PUMP

Return Number

1шт.

191066A1

VALVE

ASSEMBLY - control, hydrostatic pump

1шт.

1

NSS

NOT SOLD SEPARAT

HOUSING - control

1шт.

2

83-1106

SET SCREW,Hex Soc, #10-24 x 3/8"

SCREW - set, hex socket, No. 10 NC x 3/8 inch, cup point

1шт.

3

NSS

NOT SOLD SEPARAT

SPOOL - control

1шт.

4

NSS

NOT SOLD SEPARAT

SPACER - spring box

1шт.

5

NSS

NOT SOLD SEPARAT

SPRING - control spool

1шт.

6

NSS

NOT SOLD SEPARAT

RETAINER - spring

1шт.

7

NSS

NOT SOLD SEPARAT

SCREW - shoulder, socket head

1шт.

8

238-5016

O-RING,0.07" Thk x 0.614" ID, -16, Cl 5, 75 Duro

-016, 70 Duro, .614" ID x .070" Thk

1шт.

9

NSS

NOT SOLD SEPARAT

SCREW - adjusting, spring box

1шт.

10

NSS

NOT SOLD SEPARAT

LINK - control

1шт.

11

100-1125

SNAP RING,#25, Ext

Ring, Snap, #25, Ext

2шт.

12

NSS

NOT SOLD SEPARAT

CONNECTOR - control

1шт.

13

NSS

NOT SOLD SEPARAT

LINK - control

1шт.

14

NSS

NOT SOLD SEPARAT

SET SCREW - hex socket

1шт.

15

38-11614

LOCK PIN,1/4" x 7/8", Slotted

PIN - roll, 1/4 x 3/4 inch

1шт.

16

76349

PLUG,9/16" - 18 ORB

2шт.

1978048C2

SHAFT

ASSEMBLY - valve

1шт.

18

133756C1

GASKET

- control valve

1шт.

19

NSS

NOT SOLD SEPARAT

SHAFT - control valve

1шт.

20

238-5012

O-RING,0.07" Thk x 0.364" ID, -12, Cl 5, 75 Duro

-012, 70 Duro, .364" ID x .070" Thk

1шт.

21

NSS

NOT SOLD SEPARAT

SEAL - dust

1шт.

197909A1

ADAPTER

ASSEMBLY - special, Serial Range: valve-switch

1шт.

22

237-6008

O-RING,0.087" Thk x 0.644" ID, -908, Cl 6, 90 Duro

8-1, 90 Duro, .644" ID x .087" Thk

1шт.

23

84-1103

SET SCREW,Hex Soc, #10-32 x 3/16"

SCREW - set, hex socket, No. 10 NF x 3/16 inch, cup point

2шт.

24

NSS

NOT SOLD SEPARAT

ADAPTER -, Serial Range: valve-switch

1шт.

25

211-1006

BALL,3/16" Dia

- chrome alloy steel, 3/16 inch, grade 24

1шт.

26

NSS

NOT SOLD SEPARAT

PIN - neutral start switch

1шт.

27

238-5004

O-RING,0.07" Thk x 0.07" ID, -4, Cl 5, 75 Duro

-004, 70 Duro, .07" ID x .070" Thk, Neutral start pin

1шт.

28

1983218C2

SWITCH

- neutral start, if used

1шт.

28

197514A1

SENSOR

SWITCH - neutral start, if used

1шт.

29

61-33116

HEX SOC SCREW,5/16"-18 x 1"

SCREW, Hex Soc Hd, 5/16"-18 x 1"

3шт.

30

61-33132

HEX SOC SCREW,5/16"-18 x 2"

BOLT - hex socket, 5/16 NC x 2 inch

2шт.

31

413-532

BOLT,Hex, 5/16" - 18 x 2", Gr 5

1шт.

32

61-33154

HEX SOC SCREW,5/16" - 18 x 3-3/8"

BOLT - hex socket, 5/16 NC x 3-3/8 inch

1шт.

106446A2

VALVE ASSEMBLY - destroke

1шт.

17

237-6006

O-RING,0.078" Thk x 0.468" ID, -906, Cl 6, 90 Duro

6-1, 90 Duro, .468" ID x .078" Thk

1шт.

33

NSS

NOT SOLD SEPARAT

BLOCK - destroke valve

1шт.

34

238-5012

O-RING,0.07" Thk x 0.364" ID, -12, Cl 5, 75 Duro

-012, 70 Duro, .364" ID x .070" Thk

2шт.

235656A1

CARTRIDGE

VALVE - destroke

1шт.

235657A1

REPAIR KIT

KIT - destroke valve seal

1шт.

35

NSS

NOT SOLD SEPARAT

RING - valve seal

1шт.

36

237-6010

O-RING,0.097" Thk x 0.755" ID, -910, Cl 6, 90 Duro

10-1, 90 Duro, .755" ID x .097" Thk

1шт.

37

NSS

NOT SOLD SEPARAT

BODY - valve

1шт.

38

106447A1

COIL ASSY.

COIL - solenoid

1шт.

39

NSS

NOT SOLD SEPARAT

NUT - solenoid mounting

1шт.

Выбрано товаров: 49