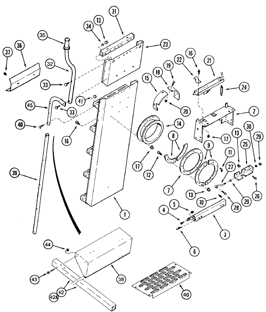
Запчасти Case IH 2555 (09F-17) - PIVOTING LADDER, BSN JJC0249565 (12) - CHASSIS

Схема запчастей Case IH 2555 - (09F-17) - PIVOTING LADDER, BSN JJC0249565 (12) - CHASSIS
4
11
23
35
18
43
16
13
30
13
15
22
20
41
13
8
33
2
5
44
16
31
12
25
6
42
26
17
9
36
17
29
34
42a
40
14
32
10
27
19
7
39
21
37
3
33
1
29
28
45
24
46
38
FIT
1:1
100%

Артикул

Название

Примечание

Количество

1

1317520C92

LADDER

1шт.

2

187941C1

SUPPORT

Pivot Extension

1шт.

3

187949C2

SUPPORT

Pivot Extension, Center Lever

1шт.

4

256873

BOLT,Hex Serr, 5/16" - 18 x 1/2", 5SPL, Full Thd

6шт.

5

231-5145

SERRATED NUT,Flg, USR, 5/16"-18

6шт.

6

1978738C1

HAIR PIN COTTER

3/16"

2шт.

7

187951C1

RETAINER

Pivot Outer

1шт.

8

187952C1

RETAINER

Pivot Ring

2шт.

9

187953C1

RETAINER

Pivot Ring Lube

2шт.

10

219-87

LUBE NIPPLE,1/4" - 28 NPTF

2шт.

11

219-93

LUBE NIPPLE,90 Degree Elbow, 1/4" - 28 NPTF

Taper

2шт.

12

409-7616

BOLT,Hex Flg, 3/8" - 16 x 1", Spcl

9шт.

13

231-5146

FLANGE NUT,3/8"-16

10шт.

14

187955C3

FLANGE

Ladder Pivot

1шт.

15

138859A2

SUPPORT

Latch

1шт.

16

409-7512

BOLT,Hex Flg, 5/16" - 18 x 3/4", Spcl

9шт.

17

231-5145

SERRATED NUT,Flg, USR, 5/16"-18

9шт.

18

1301172C3

SUPPORT

Ladder Latch Adjusting

1шт.

19

326-516

BOLT,Hex, 5/16" - 18 x 1", Gr 8

2шт.

20

231-5315

FLANGE NUT,Flg, 5/16"-18

2шт.

21

283695A1

LEVER

Ladder Pivot Latch

1шт.

22

187962C1

SUPPORT

Latch Hinge

2шт.

23

1318805C3

SHEET

Ladder Extension

1шт.

24

182652A1

SPRING

27,9 OD x 122 mm, Ladder Pivot Lever

1шт.

25

1301262C2

STOP

Latch

1шт.

26

409-7620

BOLT,Hex Flg, 3/8" - 16 x 1 1/4", Spcl

3шт.

27

1301260C1

EYEBOLT,3/8" - 16 x 72.91mm

Latch Adjusting

1шт.

28

413-624

BOLT,Hex, 3/8" - 16 x 1-1/2", Gr 5

1шт.

29

425-106

NUT,3/8"-16, Cl 5

2шт.

30

492-11038

LOCK WASHER,3/8"

1шт.

31

183544C2

SUPPORT

Ladder Pivot

2шт.

32

283696A3

HANDLE

Ladder Pivot

1шт.

33

326-632

BOLT,Hex, 3/8" - 16 x 2", Gr 8

2шт.

34

396-31041

WASHER,10.31mm ID x 20.63mm OD x 3.4mm Thk

1шт.

35

293979A1

HANDLE GRIP

Handle

1шт.

36

1321370C1

SUPPORT

Ladder Pivot

1шт.

37

281-1476

SELF-TAP SCREW,Hex Washer, 1/4" - 20 x 3/8"

1/4 x 3/8

2шт.

38

137653A1

SUPPORT

Ladder Pivot

1шт.

39

1318785C1

TUBE,26.8 mm ID, 28.58 mm OD

Ladder Support

2шт.

40

196955C1

BOLT,Curved Hd, 5/16" - 18 x 1.50", Cl 5

5/16 x 1-1/2

10шт.

41

231-5145

SERRATED NUT,Flg, USR, 5/16"-18

10шт.

42

112932A1

TUBE,1491 mm Length

Ladder Support, 5 Row Wide, Dual Wheels

2шт.

42a

137654A2

TUBE,813 mm Length

Ladder Support, 4 Row Wide and 5 Row Narrow, Dual Wheels

2шт.

43

413-644

BOLT,Hex, 3/8" - 16 x 2-3/4", Gr 5

4шт.

44

231-5146

FLANGE NUT,3/8"-16

4шт.

45

1317397C2

SUPPORT TUBE,1" OD, 400, 150 mm Length

Ladder Support

2шт.

46

180803A1

STEP

5 Row Wide, Dual Wheels

1шт.

Выбрано товаров: 47