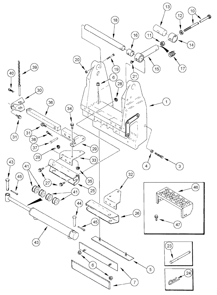
Запчасти Case IH 2555 (09A-35) - DRUM SUPPORT ASSY - 5 ROW WIDE (13) - PICKING SYSTEM

Схема запчастей Case IH 2555 - (09A-35) - DRUM SUPPORT ASSY - 5 ROW WIDE (13) - PICKING SYSTEM
47
27
6
18
37
25
11
41
7
3
6
38
41
29
1
16
34
43
35
45
26
45
19
43
32
28
20
24
17
28
23
12
15
44
46
5
36
31
31
39
33
4
21
14
40
30
10
13
FIT
1:1
100%

Артикул

Название

Примечание

Количество

1

138898A4

HANGER

5шт.

3

114781A1

BOLT

1/2 x 3, Full Threads

4шт.

3

258542A1

BOLT

3/4 x 3-1/4, Full Threads

5шт.

4

425-148

JAM NUT,Jam, 1/2"-13, G5

5шт.

4

425-1412

JAM NUT,Jam, 3/4"-10, G5

3/4

5шт.

5

1984383C2

WEAR STRIP

Guide Bar Top

5шт.

6

231-5145

SERRATED NUT,Flg, USR, 5/16"-18

30шт.

7

1984382C3

WEAR STRIP

Front And Rear

10шт.

10

1349841C2

ROD

Front Radius

5шт.

11

429-1012

NUT,3/4"-10, G8

5шт.

12

496-11081

WASHER,13/16" x 1 1/2" x .134", HDN

5шт.

13

1982868C1

PIN,50.8mm OD x 110mm L

5шт.

14

1982869C1

SPACER

5шт.

15

1349842C2

END

Radius Rod, Inc. 16, 17

5шт.

16

617924R1

BUSHING,41.3mm ID x 44.45mm OD x 44.7mm L

1шт.

17

1994998C1

INSERT

1шт.

18

1983059C2

PIN,41.27mm OD x 445mm L

Front Radius Rod

5шт.

19

413-656

BOLT,Hex, 3/8" - 16 x 3-1/2", Gr 5

3/8 x 3-1/2

10шт.

20

231-1446

NUT,3/8" - 16, Gr 5

10шт.

21

219-55

LUBE NIPPLE,90 Degree Elbow, 1/8" - 27 NPTF

5шт.

23

118485A1

PIN,12.7mm OD x 150.75mm L

Support Hold-Down

1шт.

24

586591R1

COTTER PIN

1/8

1шт.

25

143150A1

CONDUIT

Cylinder, Left Hand

1шт.

26

143152A2

CONDUIT

Cylinder, Right Hand

1шт.

27

409-7820

BOLT,Hex Flg, 1/2" - 13 x 1 1/4", Spcl

8шт.

28

231-5148

FLANGE NUT,Flg, USR, 1/2"-13

8шт.

29

128503A1

SUPPORT

Cylinder Bracket

2шт.

30

128507A1

BRACKET

Cylinder Lock

2шт.

31

409-7820

BOLT,Hex Flg, 1/2" - 13 x 1 1/4", Spcl

8шт.

32

129356A1

SUPPORT

Left Hand

1шт.

33

129357A1

SUPPORT

Right Hand

1шт.

34

409-7820

BOLT,Hex Flg, 1/2" - 13 x 1 1/4", Spcl

4шт.

35

231-5148

FLANGE NUT,Flg, USR, 1/2"-13

4шт.

36

128506A1

BAR

Spacer

2шт.

37

439-11040

HEADED PIN,5/8" x 2", G2

5/8 x 2-1/2; 2

2шт.

38

136-166

COTTER PIN,Int, 9/32" x .120"

9/32 x 2

2шт.

39

137882A1

PIN

Cylinder Lock, Inc. Chain

2шт.

40

136-166

COTTER PIN,Int, 9/32" x .120"

9/32 x 2

2шт.

41

137906A1

STOP

1 in, Cylinder Stroke Control

10шт.

42

1542544C1

CYLINDER ASSY.

Drum Spread, 57 ID x 375 mm strk, See Figure 08-44

2шт.

43

439-11664

HEADED PIN,1" x 4"

1 x 4; 2

2шт.

44

439-11656

HEADED PIN,25.4mm OD x 88.9mm L

1 x 3-1/2; 2

2шт.

45

432-1620

COTTER PIN,1/4" x 1 1/4"

4шт.

46

175709A2

STEP

1шт.

47

409-7816

BOLT,Hex Flg, 1/2" - 13 x 1", Spcl

1/2 x 1

4шт.

48

495-11041

WASHER,0.406" ID x 0.812" OD x 0.065" W

(13/32 x 13/16 x 1/16")

1шт.

Выбрано товаров: 46