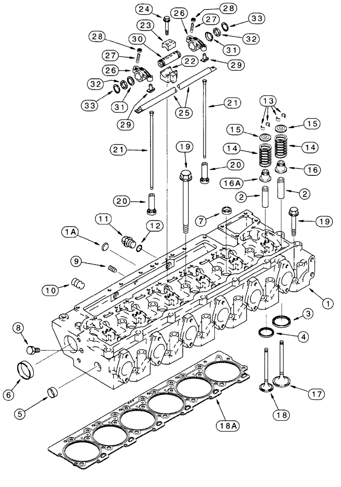
Запчасти Case IH 2555 (02-18) - CYLINDER HEAD - VALVE MECHANISM (01) - ENGINE

Схема запчастей Case IH 2555 - (02-18) - CYLINDER HEAD - VALVE MECHANISM (01) - ENGINE
24
14
23
27
13
28
4
21
21
26
14
32
18a
3
2
16a
33
18
12
27
30
17
20
15
8
7
33
1a
20
6
26
15
25
31
5
10
2
28
16
19
32
31
29
9
19
11
29
1
22
FIT
1:1
100%

Артикул

Название

Примечание

Количество

J936293

CYLINDER HEAD

Includes 1 - 18

1шт.

JR936293

REMAN-CYLINDER HEAD

1шт.

JC936293

CORE-CYLINDER HEAD

Return Part Number

1шт.

1

J936178

HEAD

Includes 1A - 7

1шт.

1a

J912900

PLUG

24 mm

1шт.

2

J923564

VALVE GUIDE

12шт.

3

J924582

INSERT

6шт.

3

J925468

SEAT, VALVE

.25 mm, Oversize, Service Repair Only

6шт.

3

J925470

SEAT, VALVE

0,50 mm, Oversize, Service Repair Only

6шт.

4

J929005

INSERT

6шт.

4

J929006

INSERT

0,25 mm, Oversize, Service Repair Only

6шт.

4

J929007

INSERT

0,50 mm, Oversize, Service Repair Only

6шт.

5

J920443

PLUG

30 mm

1шт.

6

A77782

PLUG

58 mm

2шт.

7

41-1616

PLUG,Cup, 1", Stainless

5шт.

8

A77534

PLUG

1/16 PT

1шт.

9

A77428

PLUG

1/4 PT

1шт.

10

A77429

PLUG

1/2 PT

1шт.

11

J924148

PLUG,M22 x 1.5

M22

2шт.

12

J902425

SEALING WASHER,22.2mm ID x 26.9mm OD x 1.75mm Thk

2шт.

13

J901177

VALVE

24шт.

14

J925272

VALVE SPRING

12шт.

15

J925273

ROTATOR

12шт.

16

J927642

SEAL

6шт.

16a

J927642

SEAL

6шт.

17

J924492

STD INLET VALVE

STD ENGINE INLET VALVE

6шт.

18

J921444

STD EXHAUST VALVE

STD ENGINE EXHAUST VALVE

6шт.

18a

REF

INSTRUCTION

Gasket, Head, See Figure 02-16

1шт.

19

J917728

BOLT

160 mm

14шт.

19

J917729

BOLT,Flng, M14 x 80mm

80 mm

12шт.

20

J931623

TAPPET

12шт.

21

J905194

PUSH ROD

12шт.

22

J905870

SUPPORT

6шт.

23

J901693

CLAMP

6шт.

24

868-10065

12 PT SCREW,M10 x 65mm, Cl 12.9

12шт.

25

J919677

TUBE

1шт.

26

J901717

ROCKER

Inc. 27, 28, 29

12шт.

27

J934086

ADJUSTMENT SCREW,3/8" - 24 x 29.85mm

1шт.

28

A77902

NUT

3/8 - 24 NF

1шт.

29

NSS

NOT SOLD SEPARAT

Insert

1шт.

30

J919435

SHAFT

6шт.

31

J906100

SPRING CUP

12шт.

32

J907206

WASHER,22.5mm ID x 30mm OD x 1mm Thk

12шт.

33

100-1187

SNAP RING,#87, Ext

12шт.

Выбрано товаров: 44