Запчасти Case IH 2555 (06-03) - FAN PULLEY AND HYDROSTATIC PUMP DRIVE (03) - POWER TRAIN

Схема запчастей Case IH 2555 - (06-03) - FAN PULLEY AND HYDROSTATIC PUMP DRIVE (03) - POWER TRAIN
8
19
9
16
17
10
12
3
5
18
17
9
16
14
14
1
18
13
21
6
12
23
22
4
20
11
7
2
15
15
FIT
1:1
100%

Артикул

Название

Примечание

Количество

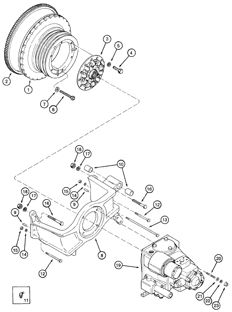
1

1546119C2

PULLEY

Engine Flywheel, Fan Drive, Inc. 2 - 5

1шт.

2

NSS

NOT SOLD SEPARAT

Gear, Flywheel Ring

1шт.

3

1546204C2

LARGE PLATE

PLATE, LARGE

1шт.

4

413-612

BOLT,Hex, 3/8" - 16 x 3/4", Gr 5

6шт.

5

492-11038

LOCK WASHER,3/8"

6шт.

6

J901395

BOLT,Hex, M12 x 1.25 x 32mm, Cl 12.9

8шт.

7

J900269

WASHER,12.76mm ID x 25.5mm OD x 1.65mm Thk

8шт.

1990144C4

HOUSING

Drive Pulley, Inc. 8 - 10, See Figure 08-11, Ref. 18

1шт.

8

NSS

NOT SOLD SEPARAT

Housing

1шт.

9

37-1816

DOWEL,1/2" x 1"

1/2 x 1

2шт.

10

87800C1

BUSHING,25.53mm ID x 31.81mm OD x 38.1mm L

1 in

2шт.

11

219-439

ADAPTER,90 Degree, 1/4"-1/8 NPTF

1шт.

12

413-856

BOLT,Hex, 1/2" - 13 x 3-1/2", Gr 5

3шт.

13

113-2431

BOLT,Hex, 1/2" - 13 x 11", Gr 5

1шт.

14

80679

LOCK WASHER,1/20.507 CST ZND

4шт.

15

425-108

NUT,1/2" - 13, Gr 5

4шт.

16

413-1244

BOLT,Hex, 3/4" - 10 x 2-3/4", Gr 5

3/4 x 2-3/4

2шт.

17

492-11075

LOCK WASHER,3/4"

3/4"

2шт.

18

425-1012

NUT,3/4"-10, G5

2шт.

19

1986824C5

PUMP, HYDROSTATIC

HYDROSTATIC PUMP New, See Figure(s) 06-09 - 06-12

1шт.

19

1986824C5R

REMAN-HYDROSTAT PUMP

2555 CASE IH COTTON EXPRESS COTTON PICKER (AFTER S/N JJC0249500), HYDROSTATIC PUMP New, PUMP DRIVE

1шт.

19

1986824C5C

CORE-HYDROSTAT PUMP

Return Number

1шт.

20

1338122C2

STUD

1/2 in, Special

4шт.

21

396-21053

WASHER,17/32" x 1 1/16" x .134"

4шт.

22

80679

LOCK WASHER,1/20.507 CST ZND

4шт.

23

186852C1

FLANGE NUT,Hex, 1/2"-13, Lock

1/2, 8

4шт.

Выбрано товаров: 26