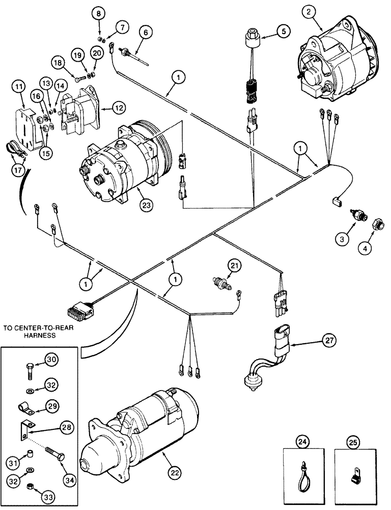
Запчасти Case IH 2555 (04-01) - HARNESS, ENGINE (06) - ELECTRICAL SYSTEMS

Схема запчастей Case IH 2555 - (04-01) - HARNESS, ENGINE (06) - ELECTRICAL SYSTEMS
1
17
30
31
27
24
15
12
25
13
8
16
1
11
33
2
21
14
5
1
28
18
32
7
22
1
3
23
20
6
19
29
4
32
34
FIT
1:1
100%

Артикул

Название

Примечание

Количество

1

242998A1

HARNESS

Engine

1шт.

2

125849A1

ALTERNATOR,12V, 135A, W/ Pulley

135 Amp, See Figure 04-21

1шт.

2

125849A1GV

ALTERNATOR

Value, 135 amp

1шт.

3

1345488C3

TEMPERATURE SWITCH

Coolant, High Temperature

1шт.

4

221-93

REDUCER,Hex, 3/4" x 1/2" NPT

3/4 x 1/2 fem

1шт.

5

232948A1

SWITCH, A/C HIGH PRE

1шт.

6

279476A1

SENSOR

Coolant Level

1шт.

7

492-11010

LOCK WASHER,#10

1шт.

8

225-14210

NUT,#10-32

1шт.

178149A1

SOLENOID SWITCH

Inc. 11 - 17

1шт.

11

178148A1

COVER

1шт.

12

NSS

NOT SOLD SEPARAT

Switch, Solenoid, Order 178149A1

1шт.

13

225-14210

NUT,#10-32

1шт.

14

492-11010

LOCK WASHER,#10

1шт.

15

425-105

NUT,5/16"-18, G5

2шт.

16

492-11031

LOCK WASHER,5/16"

2шт.

17

L18337

CABLE TIE,9.95"-12.1" lg

CABLE STRAP 15 in

2шт.

18

413-416

BOLT,Hex, 1/4" - 20 x 1", Gr 5

2шт.

19

492-11025

LOCK WASHER,1/4"

2шт.

20

425-104

NUT,1/4"-20, Cl 5

2шт.

21

121756C2

SENSOR

Coolant Temperature

1шт.

22

193432A2

MOTOR,12V, 4.8kW

Starter Assy, See Figure 04-20

1шт.

23

1999755C3

COMPRESSOR

Air Conditioning, See Figure 09E-22

1шт.

23

86993462R

REMAN-COMPRESSOR

2555 (AFTER S/N JJC0249500); Reman For New P/N 1999755C3

1шт.

23

86993462C

CORE-COMPRESSOR

Return Part Number

1шт.

23

48017123R

REMAN-A/C COMP KIT

Reman AC Compressor Kit

1шт.

23

48017123C

REMAN-A/C COMP KIT

Return Part Number

1шт.

23

1999755C3R

REMAN-A/C COMPRESSOR

Inc.- 8 Mounting Holes, 2 Groove Pulley, For Use w/HFC134A Refrigerant

1шт.

23

1999755C3C

CORE-COMPRESSOR

Return Part Number

1шт.

24

22-824

CABLE TIE,3/16" x 7 1/4"

CABLE STRAP

1шт.

25

515-23175

CLAMP,11/16", Insul, 3/8" Bolt

7/8 ID

2шт.

25

515-30222

CLAMP,7/8", 1/2" Bolt

1шт.

26

190567A1

CABLE

203 mm (8 in), Ground, Not Illustrated, See Figure 04-17, REF 11

1шт.

27

1964960C1

PRESSURE SWITCH

Oil Pressure, Hydraulic Lock

1шт.

28

1317942C1

BRACKET

, Start Serial: JFG010001

1шт.

29

515-2395

CLAMP,3/8", Insul, 3/8" Bolt

(9.5 mm), Start Serial: JFG010001

1шт.

30

844-8030

BOLT,Hex, M8 x 1.25 x 30mm, Cl 8.8

, Start Serial: JFG010001

1шт.

31

364002R1

SPACER,3/8" Pipe x 1"

3/8 x 1, Start Serial: JFG010001

1шт.

32

495-11034

WASHER,5/16", SAE

(11/32 x 11/16 x 1/16"), Start Serial: JFG010001

2шт.

33

825-2408

FLANGE NUT,M8 x 1.25, Flg, Cl 8

, Start Serial: JFG010001

1шт.

34

854-12050

BOLT,Hvy Hex, M12 x 50mm, Cl 10.9

, Start Serial: JFG010001

1шт.

Выбрано товаров: 41