Качественные детали и логистика
Оригинальные и аналоговые запчасти с доставкой по России, Казахстану и Беларуси
©2022 PartSell ООО "Система" ИНН 2463123282 ОГРН 1212400004838
Центральный офис: г. Красноярск, Академика Киренского, д.87, пом.4
Телефон: 8 (800) 777-65-74 Email: zakaz@partsell.ru
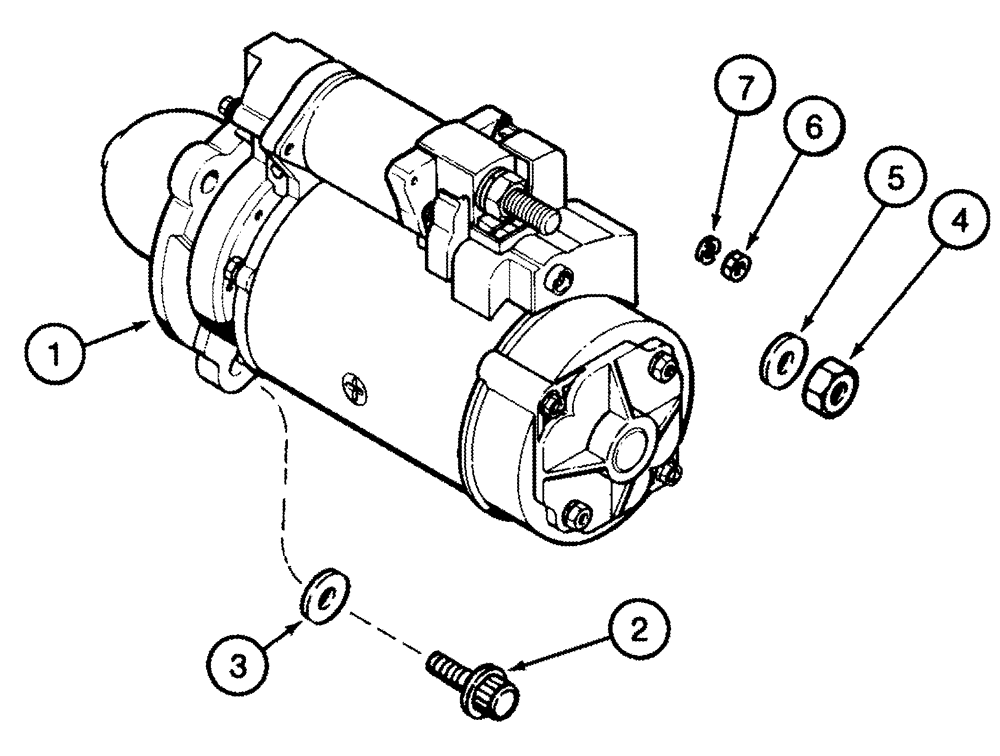
(04-23) - MOUNTING, STARTER
№
Артикул
Название
Примечание
Количество
1
REF
INSTRUCTION
Starter Assy, Engine, See Page(s) 4-65 - 4-71
1шт.
2
868-12035
12 PT SCREW,M12 x 35mm, Cl 12.9
3шт.
3
896-11012
WASHER,13.5mm ID x 24mm OD x 3mm Thk
4
425-108
NUT,1/2" - 13, Gr 5
5
495-11053
WASHER,1/2", SAE
6
225-14210
NUT,#10-32
7
492-11010
LOCK WASHER,#10
Выбрано товаров: 0