Запчасти Case IH 2555 (09E-16) - SEAT HEIGHT ADJUSTMENT (10) - CAB & AIR CONDITIONING

Схема запчастей Case IH 2555 - (09E-16) - SEAT HEIGHT ADJUSTMENT (10) - CAB & AIR CONDITIONING
2
13
12
3
7
2
4
5
11
10
9
15
5
8
14
6
1
4
FIT
1:1
100%

Артикул

Название

Примечание

Количество

Height Adjusting

1шт.

180612A2

SEAT ASSY.

Height Adjustment, Includes 1 - 15, Also Includes Parts On Pages 9E-43, 9E-45

1шт.

180617A1

PACKAGE

Consists Of 1 - 15

1шт.

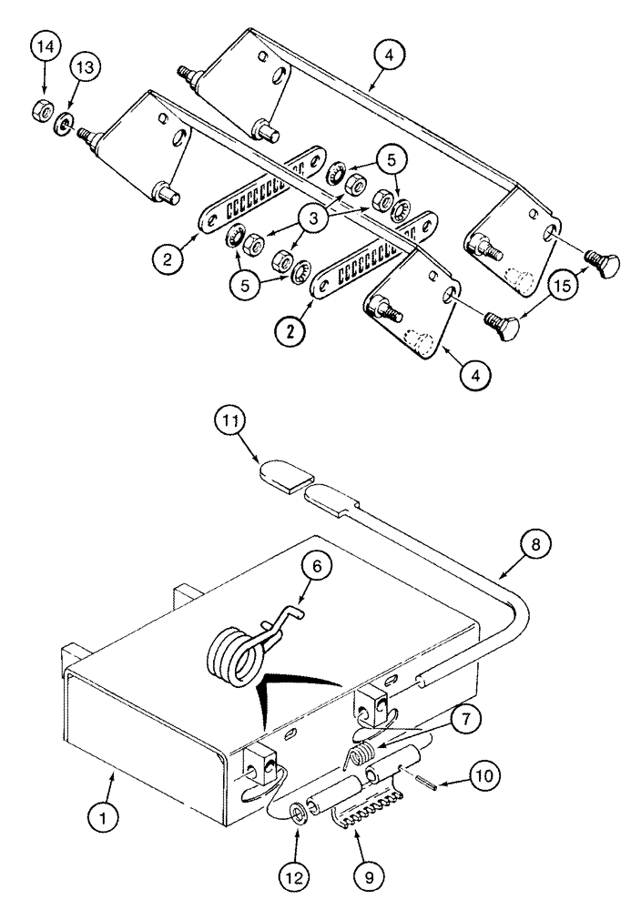
1

180618A1

LARGE PLATE

PLATE, LARGE , Height Adjuster, Consists Of 2 - 14

1шт.

180619A1

LINK

Cross, Consists Of 2- 5

1шт.

2

A47383

LINK

Adjusting

2шт.

3

231-4206

LOCK NUT,Hex, 3/8"-16, GB

4шт.

4

NSS

NOT SOLD SEPARAT

Link

2шт.

5

NSS

NOT SOLD SEPARAT

Washer

4шт.

6

A47384

SPRING

1шт.

180620A1

PACKAGE

Height Adjusting, Consists Of 7 - 12

1шт.

7

A47382

SPRING

1шт.

8

180624A1

LEVER

Height Adjusting

1шт.

9

NSS

NOT SOLD SEPARAT

Latch, Height Adjusting

1шт.

10

38-31012

PIN,3.96mm OD x 19.05mm L, Coiled

1шт.

11

180623A1

BUTTON

1шт.

12

NSS

NOT SOLD SEPARAT

Washer, Special

4шт.

13

NSS

NOT SOLD SEPARAT

Washer, Special

4шт.

14

232-4246

NUT,3/8"-16, GC

4шт.

15

180627A1

LOCK BOLT,Shldr, Hex, 1/2" - 13 x 19mm

4шт.

Выбрано товаров: 20