Запчасти Case IH 2555 (09E-24) - AIR CONDITIONING SYSTEM (10) - CAB & AIR CONDITIONING

Схема запчастей Case IH 2555 - (09E-24) - AIR CONDITIONING SYSTEM (10) - CAB & AIR CONDITIONING
21
20
20
14
7
13
8
21
5
12
14
10
4
16
15
18
6
3
21
22
13
2
14
8
17
11
9
19
1
FIT
1:1
100%

Артикул

Название

Примечание

Количество

.

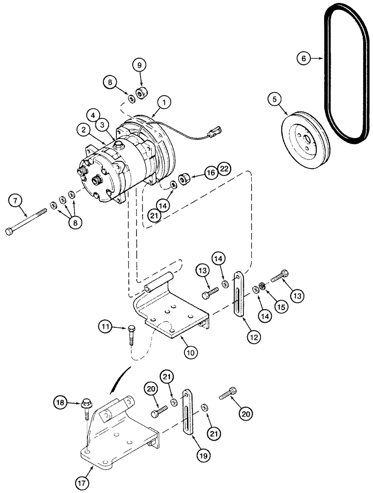
Compressor Mounting and Drive

1шт.

1999755C2

COMPRESSOR

Air Conditioning, Consists Of 1 - 4

1шт.

86993462R

REMAN-COMPRESSOR

2555 (BEFORE S/N JJC0249499); Reman For New P/N 1999755C2

1шт.

86993462C

CORE-COMPRESSOR

Return Part Number

1шт.

48017123R

REMAN-A/C COMP KIT

Reman AC Compressor Kit

1шт.

48017123C

REMAN-A/C COMP KIT

Return Part Number

1шт.

1999755C3R

REMAN-A/C COMPRESSOR

Inc.- 8 Mounting Holes, 2 Groove Pulley, For Use w/ HFC134A Refrigerant

1шт.

1999755C3C

CORE-COMPRESSOR

Return Part Number

1шт.

1

135324A1

CLUTCH

1шт.

2

NSS

NOT SOLD SEPARAT

Compressor

1шт.

3

A49667

PLUG

1шт.

4

128483A1

O-RING,1.78mm Thk x 7.65mm ID, 70 Duro

1шт.

5

A189155

PULLEY

Compressor Drive

1шт.

6

131403C1

V-BELT,0.50" W x 38.50" L

Drive

1шт.

7

814-10130

BOLT,Hex, M10 x 1.5 x 130mm, Cl 8.8

1шт.

9

832-41310

NUT,M10 x 1.5, Cl 10

, Serial Range: -JJC0157149

1шт.

10

84715C1

BRACKET

Compressor Mounting

1шт.

11

614-10030

BOLT,Hex, M10 x 1.5 x 30mm, Cl 8.8, Full Thd

4шт.

12

84716C1

SUPPORT

Adjusting

1шт.

13

614-10035

BOLT,Hex, M10 x 1.5 x 35mm, Cl 8.8, Full Thd

2шт.

14

896-12010

WASHER,11mm ID x 21mm OD x 2.5mm Thk

3шт.

15

892-11010

LOCK WASHER,M10

1шт.

16

832-41310

NUT,M10 x 1.5, Cl 10

, Start Serial: JJC0157150

1шт.

17

237872A2

SUPPORT

Compressor Mounting, Replaces 237872A1

1шт.

18

905-10025

BOLT,Hex Flg, M10 x 25mm

4шт.

19

84716C1

SUPPORT

Adjusting

1шт.

20

614-10035

BOLT,Hex, M10 x 1.5 x 35mm, Cl 8.8, Full Thd

2шт.

21

896-12010

WASHER,11mm ID x 21mm OD x 2.5mm Thk

3шт.

22

832-41310

NUT,M10 x 1.5, Cl 10

1шт.

8

895-15010

WASHER,11mm ID x 24mm OD x 2mm Thk

4шт.

Выбрано товаров: 30