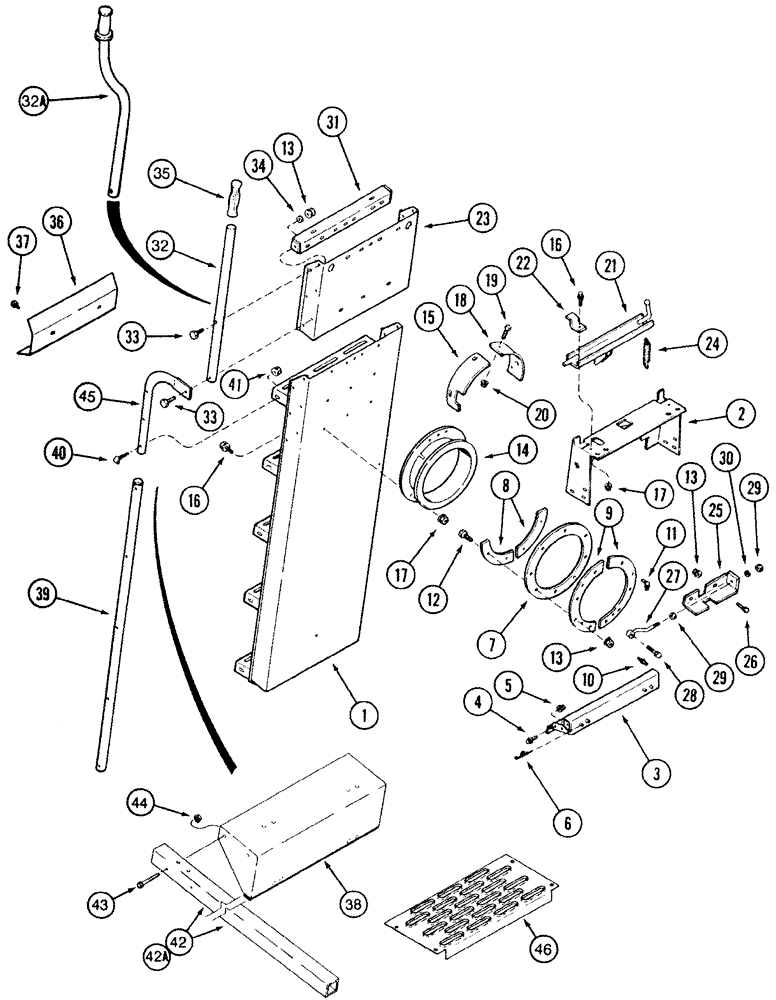
Запчасти Case IH 2555 (09F-20) - PIVOTING LADDER (12) - CHASSIS

Схема запчастей Case IH 2555 - (09F-20) - PIVOTING LADDER (12) - CHASSIS
42a
31
33
1
26
29
16
39
11
23
25
43
35
13
41
21
14
9
37
42
17
12
3
8
18
10
20
224
22
19
4
13
24
17
13
40
44
7
45
5
6
28
36
33
46
30
29
34
27
16
32a
38
15
32
FIT
1:1
100%

Артикул

Название

Примечание

Количество

1

1317520C92

LADDER

1шт.

2

187941C1

SUPPORT

Pivot Extension

1шт.

3

187949C2

SUPPORT

Pivot Extension, Center Lever

1шт.

4

256873

BOLT,Hex Serr, 5/16" - 18 x 1/2", 5SPL, Full Thd

6шт.

5

231-5145

SERRATED NUT,Flg, USR, 5/16"-18

6шт.

6

1978738C1

HAIR PIN COTTER

2шт.

7

187951C1

RETAINER

Pivot Outer

1шт.

8

187952C1

RETAINER

Pivot Ring

2шт.

9

187953C1

RETAINER

Pivot Ring Lube

2шт.

10

219-87

LUBE NIPPLE,1/4" - 28 NPTF

2шт.

11

219-93

LUBE NIPPLE,90 Degree Elbow, 1/4" - 28 NPTF

2шт.

12

409-7616

BOLT,Hex Flg, 3/8" - 16 x 1", Spcl

9шт.

13

231-5146

FLANGE NUT,3/8"-16

10шт.

14

187955C3

FLANGE

Ladder Pivot

1шт.

15

138859A2

SUPPORT

Latch

1шт.

16

409-7512

BOLT,Hex Flg, 5/16" - 18 x 3/4", Spcl

9шт.

17

231-5145

SERRATED NUT,Flg, USR, 5/16"-18

9шт.

18

1301172C3

SUPPORT

Ladder Latch Adjusting

1шт.

19

326-516

BOLT,Hex, 5/16" - 18 x 1", Gr 8

2шт.

20

231-5315

FLANGE NUT,Flg, 5/16"-18

2шт.

21

187957C1

LEVER

Ladder Pivot Latch, -JJC0157149

1шт.

21

283695A1

LEVER

Ladder Pivot Latch, Start Serial: JJC0157150

1шт.

22

187962C1

SUPPORT

Latch Hinge

2шт.

23

1318805C3

SHEET

Ladder Extension

1шт.

24

182652A1

SPRING

Ladder Pivot Lever

1шт.

25

1301262C2

STOP

Latch

1шт.

26

409-7620

BOLT,Hex Flg, 3/8" - 16 x 1 1/4", Spcl

3шт.

27

1301260C1

EYEBOLT,3/8" - 16 x 72.91mm

Latch Adjusting

1шт.

28

413-624

BOLT,Hex, 3/8" - 16 x 1-1/2", Gr 5

1шт.

29

425-106

NUT,3/8"-16, Cl 5

2шт.

30

492-11038

LOCK WASHER,3/8"

1шт.

31

183544C2

SUPPORT

Ladder Pivot

2шт.

32

186529A1

STEM

Ladder Pivot, Straight, -JJC0157149

1шт.

32a

283696A3

HANDLE

Ladder Pivot, Bent, Start Serial: JJC0157150

1шт.

33

326-632

BOLT,Hex, 3/8" - 16 x 2", Gr 8

2шт.

34

396-31041

WASHER,10.31mm ID x 20.63mm OD x 3.4mm Thk

1шт.

35

1324841C2

GRIP

Handle, Used With 186529A1, REF 32

1шт.

35

293979A1

HANDLE GRIP

Handle, Used With 283696A2, REF 32A

1шт.

36

1321370C1

SUPPORT

Ladder Pivot

1шт.

37

281-1476

SELF-TAP SCREW,Hex Washer, 1/4" - 20 x 3/8"

1/4 x 3/8

2шт.

38

137653A1

SUPPORT

Ladder Pivot

1шт.

39

1318785C1

TUBE,26.8 mm ID, 28.58 mm OD

Ladder Support

2шт.

40

196955C1

BOLT,Curved Hd, 5/16" - 18 x 1.50", Cl 5

5/16 x 1-1/2

10шт.

41

231-5145

SERRATED NUT,Flg, USR, 5/16"-18

10шт.

42

112932A1

TUBE,1491 mm Length

Ladder Support, 5 Row Wide, Dual Wheels

2шт.

42a

137654A2

TUBE,813 mm Length

Ladder Support, 4 Row Wide and 5 Row Narrow, Dual Wheels

2шт.

43

413-644

BOLT,Hex, 3/8" - 16 x 2-3/4", Gr 5

4шт.

44

231-5146

FLANGE NUT,3/8"-16

4шт.

45

1317397C2

SUPPORT TUBE,1" OD, 400, 150 mm Length

Ladder Support

2шт.

46

180803A1

STEP

5 Row Wide, Dual Wheels

1шт.

Выбрано товаров: 50