Запчасти Case IH 2555 (02-11) - TURBOCHARGER SYSTEM (01) - ENGINE

Схема запчастей Case IH 2555 - (02-11) - TURBOCHARGER SYSTEM (01) - ENGINE
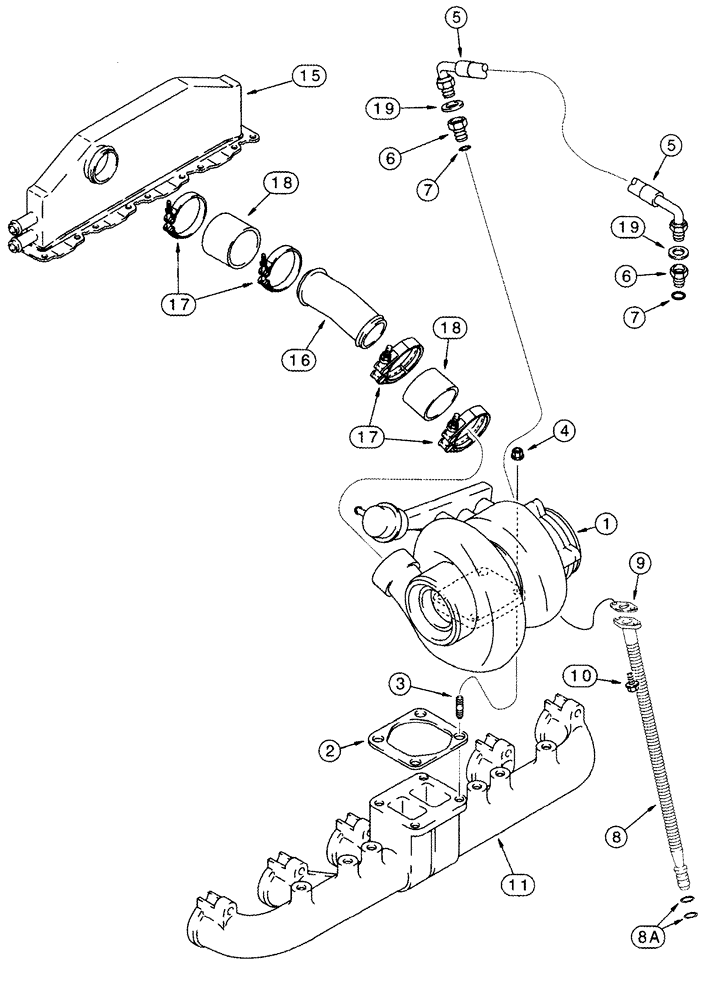
7
15
17
6
19
11
3
17
19
9
4
8
1
5
16
18
7
6
2
10
18
8a
5
FIT
1:1
100%

Артикул

Название

Примечание

Количество

6TA-830 Emissions Certified Engine

1шт.

1

REF

INSTRUCTION

Turbocharger Assy, Includes 2, 9, See Page(s) 2-25

1шт.

2

J911941

GASKET

1шт.

3

J818823

STUD

4шт.

4

J818824

FLANGE NUT

M10

4шт.

5

J918562

HOSE

538 mm (21-1/4")

1шт.

6

J919687

HYD CONNECTOR

Includes 7

2шт.

7

238-5013

O-RING,0.07" Thk x 0.426" ID, -13, Cl 5, 75 Duro

1шт.

8

J928629

TUBE

Includes 8A

1шт.

8a

238-7115

O-RING,0.103" Thk x 0.674" ID, -115, Cl 7, 75 Duro

2шт.

9

J937706

GASKET,0.79mm Thk

1шт.

10

844-8020

BOLT,Hvy Hex, M8 x 20mm, Cl 8.8

2шт.

11

J932180

MANIFOLD

See Page(s) 2-21

1шт.

15

J924731

AFTERCOOLER

See Page(s) 2-21

1шт.

16

J914942

TUBE,63.5 mm OD x 189.5, 23 mm L

1шт.

17

J924386

COLLAR CLAMP

4шт.

18

J916437

HOSE

2шт.

19

222-993

GASKET,3/8 Tube, Fl, Copper

2шт.

Выбрано товаров: 18