Запчасти Case IH 2555 (09A-43) - DRUM HOUSING (13) - PICKING SYSTEM

Схема запчастей Case IH 2555 - (09A-43) - DRUM HOUSING (13) - PICKING SYSTEM
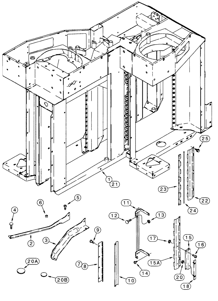
7
21
14
20a
16
8
11
3
1
24
15a
6
10
5
2
22
20b
15
18
20
13
12
23
4
17
9
25
FIT
1:1
100%

Артикул

Название

Примечание

Количество

1

NSS

NOT SOLD SEPARAT

Housing, Drum Frame, Order 1545965c3, See Page(s) 9A-161B

1шт.

2

1990342C2

ANGLE BAR

Wear, Left Hand

2шт.

3

1990343C2

ANGLE BAR

Wear, Right Hand

2шт.

4

434-612

CARRIAGE BOLT,Sht Sq Nk, 3/8" - 16 x 3/4", Gr 5

4шт.

5

477-73116

SERRATED SCREW,Truss HD, 5/16" - 18 x 1"

4шт.

6

425-106

NUT,3/8"-16, Cl 5

8шт.

7

1990345C1

PLATE

Vine Knife, Slat Bar Post, Left Hand

1шт.

8

1988970C2

PLATE

Vine Knife, Slat Bar Post, Right Hand

1шт.

9

477-73108

SERRATED SCREW,Sl Truss Hd, 5/16" - 18 x 1/2"

8шт.

10

1990349C1

PLATE

Vine Knife, Trash Post, Left Hand and Right Hand

1шт.

11

108497A1

GRATE

Trash

1шт.

12

411-512

CARRIAGE BOLT,Sq Nk, 5/16" - 18 x 3/4", Gr 2

5/16 x 3/4; 2

2шт.

13

231-5145

SERRATED NUT,Flg, USR, 5/16"-18

2шт.

14

276-1478

SELF-TAP SCREW,Hex Hd, 1/4" x 1/2"

2шт.

15

177623A1

SUPPORT

Drum Bumper, See Note

1шт.

15a

194871A1

HINGE

Doffer Post, Narrow, Used With Drum Bumper Channel, See Note

1шт.

16

477-73812

SERRATED SCREW,Truss HD, 3/8" - 16 x 3/4"

See Note

2шт.

17

231-5146

FLANGE NUT,3/8"-16

See Note

2шт.

18

1984383C1

BAR

Guide Bar Top, See Note

1шт.

20

231-5145

SERRATED NUT,Flg, USR, 5/16"-18

See Note

2шт.

20a

223796C2

PLUG

13/32 ID

1шт.

DRUM HOUSING SERVICE KIT

1шт.

1545965C3

PACKAGE,SERVICE

Consists Of 21 - 25

1шт.

21

NSS

NOT SOLD SEPARAT

Housing

1шт.

22

1982598C3

HINGE

Doffer Post, Large

2шт.

23

1982599C1

HINGE

Doffer Post, Small

2шт.

24

1982600C1

PIN,7.94mm OD x 962mm L

Doffer Post Hinge

2шт.

25

409-7612

BOLT,3/8"-16 x 1.09" OAL

8шт.

223977C1

PLATE

Adjusting, See Page(s) 9A-87, REF 35

2шт.

413-616

BOLT,Hex, 3/8" - 16 x 1", Gr 5

See Page(s) 9A-87, Ref 33

8шт.

496-21041

WASHER,13/32" x 13/16" x .089", HDN

See Page(s) 9A-87, Ref 34

16шт.

492-11038

LOCK WASHER,3/8"

See page(s) 9A-87, Ref 36

8шт.

216828C2

GUIDE

Left Hand, See Page(s) 9A-105, REF 30

17шт.

216829C2

GUIDE

Right Hand, See Page(s) 9A-105, REF 31

17шт.

413-512

BOLT,Hex, 5/16" - 18 x 3/4", Gr 5

See Page(s) 9A-105, REF 32

34шт.

87058C1

BELLEVILLE WASHER

See Page(s) 9A-105, REF 33

34шт.

Выбрано товаров: 36