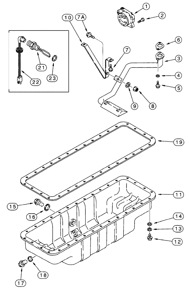
Запчасти Case IH 2555 (02-15) - OIL PUMP, PAN HEATER (01) - ENGINE

Схема запчастей Case IH 2555 - (02-15) - OIL PUMP, PAN HEATER (01) - ENGINE
17
16
13
3
7
19
23
9
22
2
6
4
7a
15
18
1
21
10
8
14
11
5
12
FIT
1:1
100%

Артикул

Название

Примечание

Количество

6TA-830 Emissions Certified Engine

1шт.

1

J948071

PUMP,24.17 CC

1шт.

JR948071

REMAN-ENG OIL PUMP

REMAN-ENGINE OIL PUMP Remanufactred Oil Pump; For N.A. Only

1шт.

JC948071

CORE-ENGINE OIL PUMP

CORE-ENGINE OIL PUMP Return number - For N.A. only

1шт.

2

J900677

BOLT,Hex

M8 x 30

4шт.

3

J921719

TUBE

1шт.

4

J926865

SPACER,6.9mm ID x 12.7mm OD x 14mm L

2шт.

5

845-6030

BOLT,Hvy Hex, M6 x 30mm, Cl 8.8

2шт.

6

J914302

GASKET

1шт.

7

845-6015

BOLT,Hvy Hex, M6 x 15mm, Cl 8.8

2шт.

7a

845-6020

BOLT,Hvy Hex, M6 x 20mm, Cl 8.8

1шт.

8

J906216

FLANGE NUT

M6

1шт.

9

J910960

WASHER

1шт.

10

J927611

BRACKET

1шт.

11

J914015

ENGINE OIL PAN

1шт.

12

J920400

FLANGE BOLT,Hex, M8 x 1.25 x 21mm, Gr 8.8

M8 x 25

32шт.

13

J910266

LOCK WASHER

32шт.

14

J908316

WASHER

M9 x 16 x 1

32шт.

15

J924148

PLUG,M22 x 1.5

M22

1шт.

16

J902425

SEALING WASHER,22.2mm ID x 26.9mm OD x 1.75mm Thk

1шт.

17

J924147

PLUG,M18 x 1.5

M18

1шт.

18

J920773

SEALING WASHER

1шт.

19

NSS

NOT SOLD SEPARAT

Gasket, Pan, Order A77679

1шт.

A77679

GASKET KIT

Inc. 6, 16, 18, 19

1шт.

OIL PAN HEATER KIT

1шт.

A77580

SERVICE KIT

120V, Heater, Consists Of 21, 22, Order J902425

1шт.

21

NSS

NOT SOLD SEPARAT

Element

1шт.

22

196466A1

ELECTRIC CABLE

1829 mm (72 in)

1шт.

23

J902425

SEALING WASHER,22.2mm ID x 26.9mm OD x 1.75mm Thk

1шт.

Выбрано товаров: 29