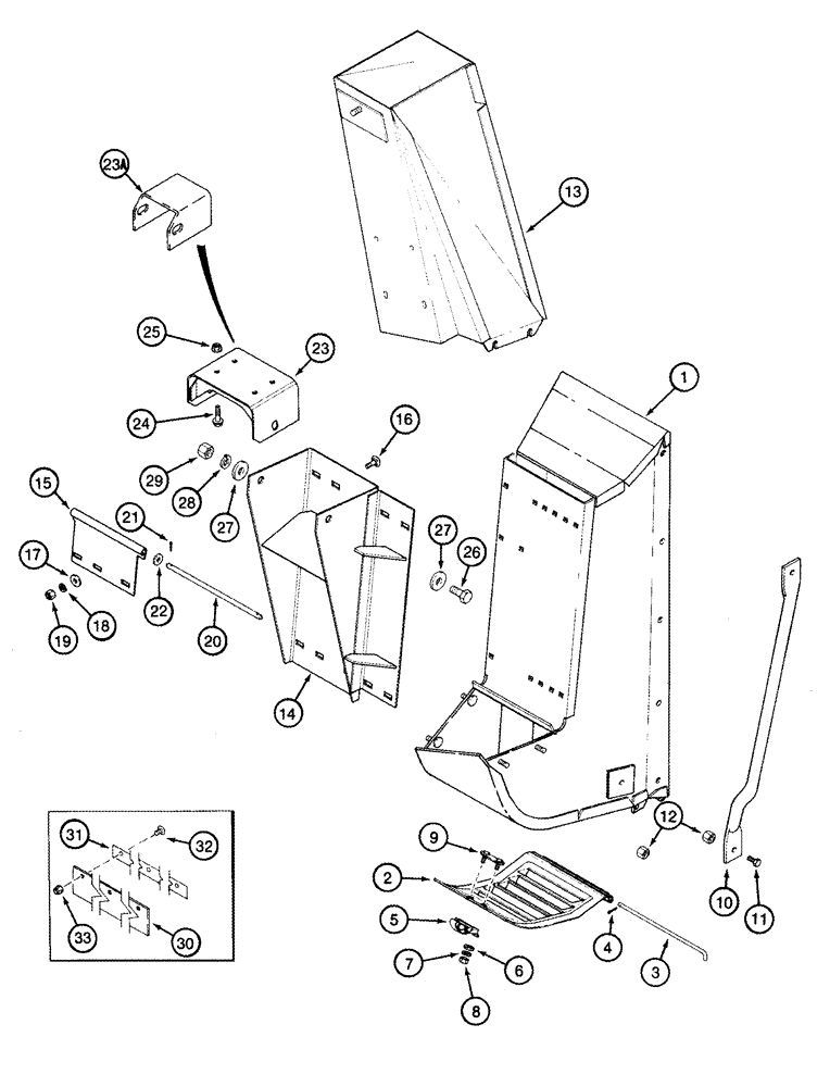
Запчасти Case IH 2555 (09C-07) - DRUM OUTLETS REAR (15) - HANDLING SYSTEM

Схема запчастей Case IH 2555 - (09C-07) - DRUM OUTLETS REAR (15) - HANDLING SYSTEM
17
15
28
32
1
4
12
27
24
31
3
25
9
21
33
6
19
27
20
23a
22
18
30
26
11
14
23
16
2
10
29
13
8
5
7
FIT
1:1
100%

Артикул

Название

Примечание

Количество

5 Row Wide, Drum No. 4

1шт.

1

131715A1

HOUSING

Rear Outlet

1шт.

2

132926A1

TRAP DOOR

Access, Rear Outlet

1шт.

3

1984110C2

PIN,6.25mm OD

Hinge

1шт.

4

432-612

COTTER PIN,3/32" x 3/4"

1шт.

5

1333780C1

LATCH

Hinge, Access Door

1шт.

5a

490-1108

SCREW,Cross Pan Hd, #10-32 x 1/2"

Not Illustrated

2шт.

6

495-31022

WASHER,#10

2шт.

7

492-11010

LOCK WASHER,#10

2шт.

8

225-14210

NUT,#10-32

2шт.

9

119069A1

PLATE

Latch, Access Door

1шт.

10

133722A1

SUPPORT

Door Support

1шт.

11

477-73112

SERRATED SCREW,Sl Truss Hd, 5/16" - 18 x 3/4"

2шт.

12

231-5145

SERRATED NUT,Flg, USR, 5/16"-18

6шт.

13

1984090C3

HOUSING

Outlet, Rear Drum, No. 4

1шт.

14

1984168C4

SUPPORT

Support, Used With 36 Inch Wide Row

1шт.

15

1984151C2

HINGE

Rear Door Support

1шт.

16

434-512

CARRIAGE BOLT,Sht Sq Nk, 5/16" - 18 x 3/4", Gr 5

6шт.

17

495-11034

WASHER,5/16", SAE

(11/32 x 11/16 x 1/16")

6шт.

18

492-11031

LOCK WASHER,5/16"

6шт.

19

425-105

NUT,5/16"-18, G5

Note: Quantity listed is per drum., Nota: La cantidad listada corresponde a cada tambor., Nota: Quantidade contida num tambor.

6шт.

5 Row Wide, Drum No. 4

1шт.

20

1984153C1

STEM

Outlet Support

1шт.

21

32-812

COTTER PIN,1/8" x 3/4"

2шт.

22

495-11034

WASHER,5/16", SAE

(11/32 x 11/16 x 1/16")

2шт.

23

1990466C2

SUPPORT

Rear Outlet Adjustment

1шт.

23a

1984348C2

SUPPORT

Support, Rear Door, Used With 36 Inch Wide Row

1шт.

24

409-7520

BOLT,Hex Flg, 5/16" - 18 x 1 1/4", Spcl

5/16 x 1-1/4

4шт.

25

231-5145

SERRATED NUT,Flg, USR, 5/16"-18

4шт.

26

413-812

BOLT,Hex, 1/2" - 13 x 3/4", Gr 5

2шт.

27

495-11053

WASHER,1/2", SAE

4шт.

28

392-21050

LOCK WASHER,1/2"

1/2"

2шт.

29

425-108

NUT,1/2" - 13, Gr 5

2шт.

30

1546051C2

SEALING STRIP

Outlet

1шт.

31

1546224C1

LARGE PLATE

PLATE, LARGE , Backup, Outlet Seal

1шт.

32

477-73108

SERRATED SCREW,Sl Truss Hd, 5/16" - 18 x 1/2"

5шт.

33

231-5145

SERRATED NUT,Flg, USR, 5/16"-18

Note: Quantity listed is per drum.

5шт.

Выбрано товаров: 37