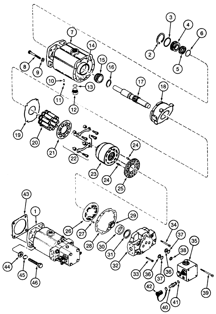
Запчасти Case IH 2555 (06-13) - MOTOR ASSY HYDROSTATIC (03) - POWER TRAIN

Схема запчастей Case IH 2555 - (06-13) - MOTOR ASSY HYDROSTATIC (03) - POWER TRAIN
34
1
14
24
37
17
42
5
36
41
19
26
30
22
8
6
15
4
35
36
29
20
23
7
13
46
21
37
43
16
38
32
40
27
9
28
2
39
18
12
10
11
45
25
31
3
33
44
FIT
1:1
100%

Артикул

Название

Примечание

Количество

*

Single Speed

1шт.

1

183296A2

MOTOR, HYDRAULIC

Includes 2 - 42, Includes Pages 6-33 - 6-37

1шт.

1

183296A2R

REMAN-HYD MOTOR

2555 CASE IH COTTON EXPRESS COTTON PICKER (BEFORE S/N JJC0249499), BSN JJC0249499

1шт.

1

183296A2C

CORE-MOTOR HYDRAULIC

Return Number

1шт.

2

103-21281

SNAP RING,66.92mm ID x 2.36mm W, Int

1шт.

1346205C1

SEAL KIT

Shaft Seal, Consists Of 3 - 6

1шт.

3

238-5145

O-RING,0.103" Thk x 2.55" ID, -145, Cl 5, 75 Duro

1шт.

4

NSS

NOT SOLD SEPARAT

Seal

1шт.

5

NSS

NOT SOLD SEPARAT

Seal

1шт.

6

238-5131

O-RING,0.103" Thk x 1.674" ID, -131, Cl 5, 75 Duro

1шт.

7

NSS

NOT SOLD SEPARAT

Housing

1шт.

8

61-33148

HEX SOC SCREW,5/16"-18 x 3"

2шт.

9

92734C1

SEALING WASHER

2шт.

10

37-1516

DOWEL,5/16" x 1"

1шт.

11

86637724

PLUG,1/8" - 27 NPT

1шт.

12

218-5158

PLUG,Hex Hd, 1 1/16"-12 ORB

Includes 13

1шт.

13

237-6012

O-RING,0.116" Thk x 0.924" ID, -912, Cl 6, 90 Duro

1шт.

14

ST863

BEARING CUP,93.22mm OD x 23.81mm W

1шт.

*

1980137C1

SHAFT

Output Drive, Consists Of 15 - 17

1шт.

15

56694H

BEARING ASSY,50.8mm ID x 30.3mm W

1шт.

16

101-11200

SNAP RING,#200, 1.880", Ext

1шт.

17

NSS

NOT SOLD SEPARAT

Shaft

1шт.

*

1980138C1

KIT

Rotating Cylinder, Consists Of 18 - 25

1шт.

18

NSS

NOT SOLD SEPARAT

Plate, Swash

1шт.

19

NSS

NOT SOLD SEPARAT

Plate, Thrust

1шт.

20

NSS

NOT SOLD SEPARAT

Piston

1шт.

21

NSS

NOT SOLD SEPARAT

Plate

1шт.

22

NSS

NOT SOLD SEPARAT

Kit, Parts

1шт.

23

NSS

NOT SOLD SEPARAT

Barrel

1шт.

24

37-1510

DOWEL,5/16" x 5/8"

2шт.

25

NSS

NOT SOLD SEPARAT

Plate

1шт.

26

1980139C1

PLATE

1шт.

27

37-1510

DOWEL,5/16" x 5/8"

1шт.

28

1980140C1

GASKET,0.38mm Thk

1шт.

29

400983R91

ROLLER BEARING,1.18775" ID x 2.5317" OD x 0.8478"

1шт.

30

530741R1

BEARING CUP

1шт.

*

Single Speed

1шт.

*

183296A2

MOTOR, HYDRAULIC

Includes 2 - 42, Includes Pages 6-33 - 6-37

1шт.

*

142398C91

SHIM KIT

End Cover, Consists Of 31

1шт.

31

NSS

NOT SOLD SEPARAT

0,003 in, Shim

1шт.

31

NSS

NOT SOLD SEPARAT

0,005 in, Shim

1шт.

31

NSS

NOT SOLD SEPARAT

0,010 in, Shim

1шт.

31

NSS

NOT SOLD SEPARAT

0,015 in, Shim

1шт.

31

NSS

NOT SOLD SEPARAT

0,020 in, Shim

1шт.

31

NSS

NOT SOLD SEPARAT

0,030 in, Shim

1шт.

32

NSS

NOT SOLD SEPARAT

Cover, Rear

1шт.

33

326-732

BOLT,Hex, 7/16" - 14 x 2", Gr 8

2шт.

34

24855R1

BOLT,Hex, 7/16" - 14 x 3", Gr 8

6шт.

35

193646A2

BLOCK

Relief Valve, See Page(s) 6-37, Includes 36 - 38

1шт.

140747C92

SEAL KIT

Consists Of 36 - 38

1шт.

36

631458C1

RING

2шт.

37

238-6018

O-RING,0.07" Thk x 0.739" ID, -18, Cl 6, 90 Duro

2шт.

38

239-5018

O-RING,Square, 0.062" Thk x 0.75" ID, -18, Cl 5, 75 Duro

1шт.

39

413-664

BOLT,Hex, 3/8" - 16 x 4", Gr 5

4шт.

40

R55912

NIPPLE

Includes 41

2шт.

41

237-6004

O-RING,0.072" Thk x 0.351" ID, -904, Cl 6, 90 Duro

1шт.

42

H434163

DUST CAP

2шт.

43

166506C1

GASKET,0.81mm Thk

1шт.

44

396-21053

WASHER,17/32" x 1 1/16" x .134"

4шт.

45

80679

LOCK WASHER,1/20.507 CST ZND

4шт.

46

310-1824

BOLT,Hex, 1/2" - 13 x 1-1/2", Gr 8

4шт.

Выбрано товаров: 0