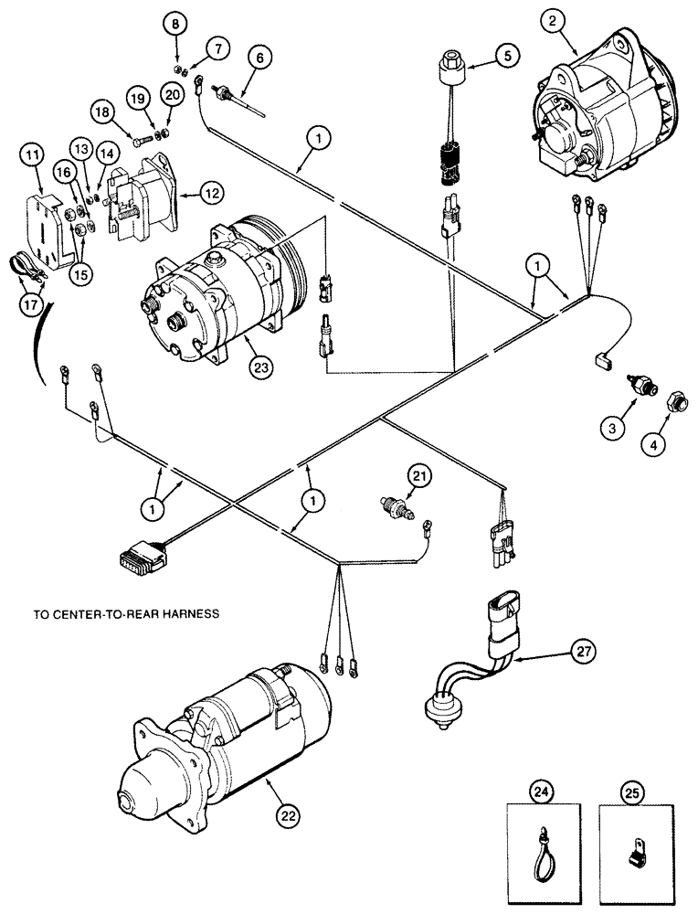
Запчасти Case IH 2555 (04-01) - HARNESS, ENGINE (06) - ELECTRICAL SYSTEMS

Схема запчастей Case IH 2555 - (04-01) - HARNESS, ENGINE (06) - ELECTRICAL SYSTEMS
15
27
17
8
21
13
4
20
1
19
6
1
2
16
12
25
3
23
24
14
11
22
5
18
1
7
1
FIT
1:1
100%

Артикул

Название

Примечание

Количество

1

242998A1

HARNESS

Engine

1шт.

2

125849A1

ALTERNATOR,12V, 135A, W/ Pulley

See Page(s) 4-63

1шт.

2

125849A1GV

ALTERNATOR

Value

1шт.

3

1345488C3

TEMPERATURE SWITCH

Coolant, High Temperature

1шт.

4

221-93

REDUCER,Hex, 3/4" x 1/2" NPT

1шт.

5

232948A1

SWITCH, A/C HIGH PRE

1шт.

6

279476A1

SENSOR

Coolant Level

1шт.

7

492-11010

LOCK WASHER,#10

1шт.

8

225-14210

NUT,#10-32

1шт.

178149A1

SOLENOID SWITCH

Consists Of 11 - 17

1шт.

11

178148A1

COVER

1шт.

12

NSS

NOT SOLD SEPARAT

Switch, Solenoid, Order 178149A1

1шт.

13

225-14210

NUT,#10-32

1шт.

14

492-11010

LOCK WASHER,#10

1шт.

15

425-105

NUT,5/16"-18, G5

2шт.

16

492-11031

LOCK WASHER,5/16"

2шт.

17

L18337

CABLE TIE,9.95"-12.1" lg

CABLE STRAP 15 in

2шт.

18

413-416

BOLT,Hex, 1/4" - 20 x 1", Gr 5

2шт.

19

492-11025

LOCK WASHER,1/4"

2шт.

20

425-104

NUT,1/4"-20, Cl 5

2шт.

21

121756C2

SENSOR

Coolant Temperature

1шт.

22

REF

INSTRUCTION

Starter Assy, See Page(s) 4-65 - 4-71

1шт.

23

1999755C2

COMPRESSOR

See Page(s) 9E-49

1шт.

23

86993462R

REMAN-COMPRESSOR

2555 (BEFORE S/N JJC0249499); Reman For New P/N 1999755C2

1шт.

23

86993462C

CORE-COMPRESSOR

Return Part Number

1шт.

23

48017123R

REMAN-A/C COMP KIT

Reman AC Compressor Kit

1шт.

23

48017123C

REMAN-A/C COMP KIT

Return Part Number

1шт.

23

1999755C3R

REMAN-A/C COMPRESSOR

Inc.- 8 Mounting Holes, 2 Groove Pulley, For Use w/HFC134A Refrigerant

1шт.

23

1999755C3C

CORE-COMPRESSOR

Return Part Number

1шт.

24

22-824

CABLE TIE,3/16" x 7 1/4"

CABLE STRAP

1шт.

25

515-23175

CLAMP,11/16", Insul, 3/8" Bolt

2шт.

25

515-30222

CLAMP,7/8", 1/2" Bolt

1шт.

26

190567A1

CABLE

Ground, Not Illustrated, See Page(s) 4-57, REF 11

1шт.

27

1964960C1

PRESSURE SWITCH

Oil Pressure, Hydraulic Lock

1шт.

Выбрано товаров: 34