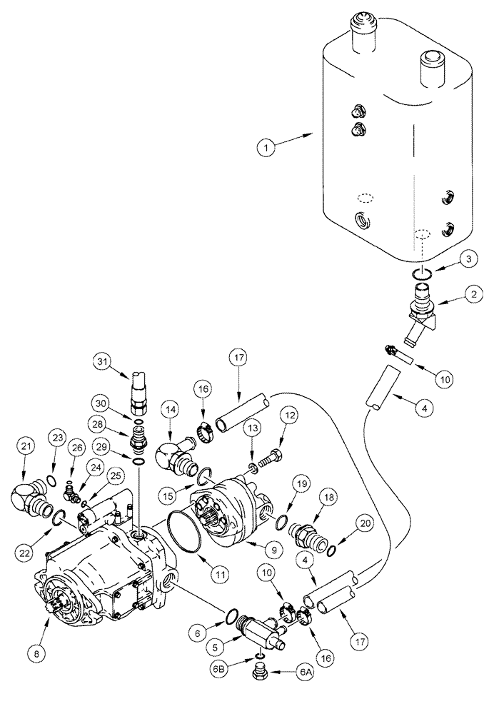
Запчасти Case IH 420 (08-04) - RESERVOIR TO HYDRAULIC PUMP SYSTEM (07) - HYDRAULICS

Схема запчастей Case IH 420 - (08-04) - RESERVOIR TO HYDRAULIC PUMP SYSTEM (07) - HYDRAULICS
22
4a
9
29
31
12
10
17
24
1
23
10
3
4
5
28
4
20
19
8
6a
2
25
13
6
30
11
26
14
16
18
6b
17
21
16
FIT
1:1
100%

Артикул

Название

Примечание

Количество

1

87348163

TANK, HYDRAULIC OIL

1шт.

See Figure 08-01

1шт.

2

182811A1

ELBOW

Inc. 3

1шт.

3

237-6020

O-RING,0.118" Thk x 1.475" ID, -920, Cl 6, 90 Duro

1шт.

4

197974A1

LARGE HOSE

HOSE,LARGE 660 mm (26"), Suction

1шт.

5

244469A2

FITTING

Inc. 6 - 6B

1шт.

For Attaching Parts, See Figure 06-01, REF 1

1шт.

6

237-6024

O-RING,0.118" Thk x 1.720" ID, -924, Cl 6, 90 Duro

1шт.

6a

76349

PLUG,9/16" - 18 ORB

Incl. 6B

1шт.

6b

237-6006

O-RING,0.078" Thk x 0.468" ID, -906, Cl 6, 90 Duro

1шт.

8

434239A1

PUMP, HYDRAULIC,45.1 CC

Piston

1шт.

See Figure(s) 08-05, 08-06

1шт.

8

434239A1R

REMAN-HYD PUMP

Piston

1шт.

8

434239A1C

CORE-HYDRAULIC PUMP

Return Number

1шт.

9

247337A1

PUMP, HYDRAULIC,10.8 CC

Gear

1шт.

See Figure 08-07

1шт.

10

214-3232

HOSE CLAMP,1-1/4" - 2-1/8", HD Worm, W/ Liner

2шт.

11

238-5152

O-RING,0.103" Thk x 3.237" ID, -152, Cl 5, 75 Duro

Used with 434239A1

1шт.

12

413-620

BOLT,Hex, 3/8" - 16 x 1-1/4", Gr 5

2шт.

13

495-51041

WASHER,3/8"

2шт.

14

217-362

FITTING,90 Degree Elbow, 3/4" Hose Barb x 1-5/16" - 12 Male ORB

Inc. 15

1шт.

15

237-6016

O-RING,0.116" Thk x 1.171" ID, -916, Cl 6, 90 Duro

1шт.

16

214-1516

HOSE CLAMP,#16, 0.81" - 1.5", Type F Worm, W/ Liner

2шт.

17

197024A1

HOSE,19.05mm ID x 560mm L

460 mm (18-1/8"), Suction

1шт.

18

201-103

HYD CONNECTOR,1" - 14 Male ORFS x 7/8" - 14 Male ORB

Inc. 19, 20

1шт.

For Attaching Parts, See Figure 08-10, REF 9

1шт.

19

237-6010

O-RING,0.097" Thk x 0.755" ID, -910, Cl 6, 90 Duro

1шт.

20

238-6016

O-RING,0.07" Thk x 0.614" ID, -16, Cl 6, 90 Duro

1шт.

21

201-355

ELBOW,90 Degree Elbow, 1-3/16" - 12 Male ORFS x 1-5/16" - 12 Male ORB

Inc. 22, 23

1шт.

See Figure 08-09, REF 10, 12

1шт.

22

237-6016

O-RING,0.116" Thk x 1.171" ID, -916, Cl 6, 90 Duro

1шт.

23

238-6018

O-RING,0.07" Thk x 0.739" ID, -18, Cl 6, 90 Duro

1шт.

24

201-303

ELBOW,90 Degree Elbow, 9/16" - 18 Male ORFS x 7/16" - 20 Male ORB

Inc. 25, 26

1шт.

See Figure 08-09, REF 11, 15

1шт.

25

237-6004

O-RING,0.072" Thk x 0.351" ID, -904, Cl 6, 90 Duro

1шт.

26

238-6011

O-RING,0.07" Thk x 0.301" ID, -11, Cl 6, 90 Duro

1шт.

28

201-103

HYD CONNECTOR,1" - 14 Male ORFS x 7/8" - 14 Male ORB

Inc. 29, 30

1шт.

29

237-6010

O-RING,0.097" Thk x 0.755" ID, -910, Cl 6, 90 Duro

1шт.

30

238-6016

O-RING,0.07" Thk x 0.614" ID, -16, Cl 6, 90 Duro

1шт.

31

248535A1

HOSE

520 mm (20-1/2"), Pump Case Drain

1шт.

For Attaching Parts, See Figure 08-02, REF 17

1шт.

Выбрано товаров: 41