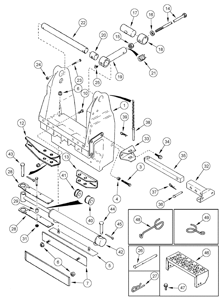
Запчасти Case IH 420 (09A-34) - DRUM SUPPORT ASSY - 4 ROW WIDE (13) - PICKING SYSTEM

Схема запчастей Case IH 420 - (09A-34) - DRUM SUPPORT ASSY - 4 ROW WIDE (13) - PICKING SYSTEM
37
14
27
19
23
25
29
17
26
45
28
6
42
3
22
12
34
18
31
16
33
49
36
5
10
35
28
44
47
15
24
6
38
13
43
39
32
40
1
48
46
41
4
20
7
21
FIT
1:1
100%

Артикул

Название

Примечание

Количество

1

138898A4

HANGER

1шт.

3

114781A1

BOLT

1/2 x 3, Full Threads

1шт.

3

258542A1

BOLT

3/4 x 3-1/4, Full Threads

1шт.

4

425-148

JAM NUT,Jam, 1/2"-13, G5

2шт.

4

425-1412

JAM NUT,Jam, 3/4"-10, G5

2шт.

5

1984383C2

WEAR STRIP

Guide Bar Top

1шт.

6

231-5145

SERRATED NUT,Flg, USR, 5/16"-18

6шт.

7

1984382C3

WEAR STRIP

Front And Rear

2шт.

10

409-7820

BOLT,Hex Flg, 1/2" - 13 x 1 1/4", Spcl

5шт.

11

231-5148

FLANGE NUT,Flg, USR, 1/2"-13

5шт.

12

297613A1

CHANNEL

Cylinder, Left Hand

1шт.

13

297614A1

CHANNEL

Cylinder, Right Hand

1шт.

14

1349841C2

ROD

Front Radius

1шт.

15

429-1012

NUT,3/4"-10, G8

1шт.

16

496-21081

WASHER,13/16" x 1 1/2" x .179", HDN

1шт.

17

1982868C1

PIN,50.8mm OD x 110mm L

1шт.

18

1982869C1

SPACER

1шт.

19

1349842C2

END

Radius Rod, Inc. 20, 21

1шт.

20

617924R1

BUSHING,41.3mm ID x 44.45mm OD x 44.7mm L

1шт.

21

1994998C1

INSERT

1шт.

22

1983059C2

PIN,41.27mm OD x 445mm L

Front Radius Rod

1шт.

23

413-656

BOLT,Hex, 3/8" - 16 x 3-1/2", Gr 5

2шт.

24

231-1446

NUT,3/8" - 16, Gr 5

2шт.

25

219-55

LUBE NIPPLE,90 Degree Elbow, 1/8" - 27 NPTF

1шт.

26

118485A1

PIN,12.7mm OD x 150.75mm L

Support Hold-Down

1шт.

27

586591R1

COTTER PIN

1/8

1шт.

28

128502A2

PLATE

Cylinder Stop

4шт.

29

190123C1

SPACER,1/2" Tube x 1"

12шт.

30

413-528

BOLT,Hex, 5/16" - 18 x 1-3/4", Gr 5

12шт.

31

231-5145

SERRATED NUT,Flg, USR, 5/16"-18

12шт.

32

128503A2

BRACKET

Cylinder Bracket, Drum #2

1шт.

33

128507A1

BRACKET

Cylinder Lock

1шт.

34

409-7820

BOLT,Hex Flg, 1/2" - 13 x 1 1/4", Spcl

2шт.

35

128506A1

BAR

Spacer

1шт.

36

439-11040

HEADED PIN,5/8" x 2", G2

Drum #2

1шт.

37

136-166

COTTER PIN,Int, 9/32" x .120"

Drum #2

1шт.

38

137882A1

PIN

Cylinder Lock, Inc. Chain

1шт.

39

136-166

COTTER PIN,Int, 9/32" x .120"

1шт.

40

84141828

STOP

Cylinder Stroke Control, 40" Row

4шт.

41

137906A1

STOP

1", Cylinder Stroke Control, 40" Row, If Used

2шт.

41a

87543014

BRACKET

180 mm, Cylinder Stroke Control, 60CM Skip Row (Not Shown)

1шт.

42

1542544C1

CYLINDER ASSY.

Drum Spread, 57 ID x 375 mm strk, See Figure 08-44

2шт.

43

439-11664

HEADED PIN,1" x 4"

2шт.

44

439-11656

HEADED PIN,25.4mm OD x 88.9mm L

2шт.

45

432-1620

COTTER PIN,1/4" x 1 1/4"

4шт.

46

87344065

TREAD

Drum #4

1шт.

47

409-7820

BOLT,Hex Flg, 1/2" - 13 x 1 1/4", Spcl

4шт.

48

120903A1

SUPPORT

Harness, Drums # 1, 4

2шт.

49

189300A1

BRACKET

Harness, Drums #2, 3

2шт.

50

495-11041

WASHER,0.406" ID x 0.812" OD x 0.065" W

1шт.

Выбрано товаров: 50