Запчасти Case IH 420 (09A-47) - TOOLBARS AND EXTENSIONS - 5 ROW NARROW AND 4 ROW NARROW (13) - PICKING SYSTEM

Схема запчастей Case IH 420 - (09A-47) - TOOLBARS AND EXTENSIONS - 5 ROW NARROW AND 4 ROW NARROW (13) - PICKING SYSTEM
4
8
40
15
11
23
39
32
7
30
19
36
4a
14
26
18
38
8
20
8
3
33
31
24
9
1
34
22
17
9
15
41
16
5
10
2
3
16
10
27
2
42
13
21
35
29
15
12
6
37
25
FIT
1:1
100%

Артикул

Название

Примечание

Количество

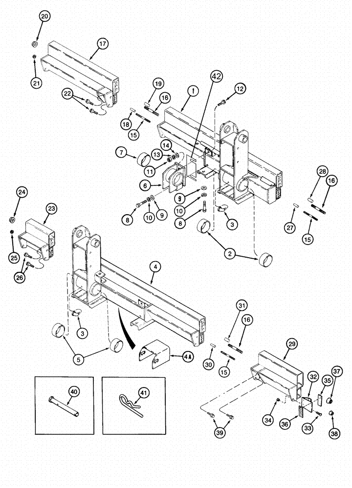
1

84160578

BAR ASSY.

Main Toolbar, Left Hand, Inc. 2

1шт.

2

84160502

BUSHING,101.7mm ID x 108.39mm OD x 52.32mm L

2шт.

3

217-20

ELBOW,90 Degree, 1/8"-28 NPTF, Fem x 1/8"-27 NPTF Male

5шт.

4

84160577

BAR ASSY.

Main Toolbar, Right Hand, Inc. 4A and 5

1шт.

4a

1984348C2

SUPPORT

Rear Door

1шт.

5

84160502

BUSHING,101.7mm ID x 108.39mm OD x 52.32mm L

2шт.

6

84160575

SUPPORT

Inc. 7

2шт.

7

84160502

BUSHING,101.7mm ID x 108.39mm OD x 52.32mm L

4шт.

8

426-1028

BOLT,Hex, 5/8" - 11 x 1-3/4", Gr 8

4шт.

9

396-41053

WASHER,13.49mm ID x 31.75mm OD x 5.05mm Thk

2шт.

10

492-11062

BEARING WASHER,5/8"

2шт.

11

329-1010

NUT,5/8"-11, G8

2шт.

12

426-1028

BOLT,Hex, 5/8" - 11 x 1-3/4", Gr 8

2шт.

13

492-11062

BEARING WASHER,5/8"

4шт.

14

396-21066

WASHER,16.66mm ID x 33.33mm OD x 4.27mm Thk

4шт.

15

1546294C1

STUD

13 x 113 mm

5шт.

16

1546293C1

STUD

19 x 113 mm

5шт.

17

1546291C1

EXTENSION

5 Row Narrow, Left Hand, Inc. 18, 19

1шт.

18

37-11236

DOWEL,3/4" x 2 1/4"

1шт.

19

37-11632

DOWEL,1" x 2"

1шт.

20

232-53112

FLANGE NUT,Flg, 3/4"-10

2шт.

21

232-5318

FLANGE NUT,Flg, 1/2"-13

2шт.

22

409-7820

BOLT,Hex Flg, 1/2" - 13 x 1 1/4", Spcl

2шт.

23

1546301C1

EXTENSION

11-1/2

1шт.

24

232-53112

FLANGE NUT,Flg, 3/4"-10

1шт.

25

232-5318

FLANGE NUT,Flg, 1/2"-13

1шт.

26

409-7820

BOLT,Hex Flg, 1/2" - 13 x 1 1/4", Spcl

2шт.

27

37-11236

DOWEL,3/4" x 2 1/4"

1шт.

28

37-11632

DOWEL,1" x 2"

1шт.

29

1546292C1

EXTENSION

Right Hand, 5 Row Narrow and 4 Row Narrow, Inc. 30, 31

1шт.

30

37-11236

DOWEL,3/4" x 2 1/4"

1шт.

31

37-11632

DOWEL,1" x 2"

1шт.

32

1994997C1

BRACKET

Reflector Toolbar

2шт.

33

477-73116

SERRATED SCREW,Truss HD, 5/16" - 18 x 1"

2шт.

34

231-5145

SERRATED NUT,Flg, USR, 5/16"-18

2шт.

35

1284374C1

REFLECTOR,Reflector Red

Red

2шт.

36

1284365C2

REFLECTOR

Amber

2шт.

37

232-53112

FLANGE NUT,Flg, 3/4"-10

2шт.

38

232-5318

FLANGE NUT,Flg, 1/2"-13

2шт.

39

409-7820

BOLT,Hex Flg, 1/2" - 13 x 1 1/4", Spcl

2шт.

40

118485A1

PIN,12.7mm OD x 150.75mm L

Support Hold-Down

1шт.

41

586591R1

COTTER PIN

1/8

1шт.

118606A1

PACKAGE

Toolbar Kit, Right Hand, 5 Row Narrow, Inc. 4, 15, 16 (2), 29 (1)

1шт.

118607A1

PACKAGE

Toolbar Kit, Left Hand, 5 Row Narrow, Inc. 1, 15, 16 (3), 17, 23, 27, 28, 40, 41 (1)

1шт.

42

84145947

SPACER

2шт.

Выбрано товаров: 45