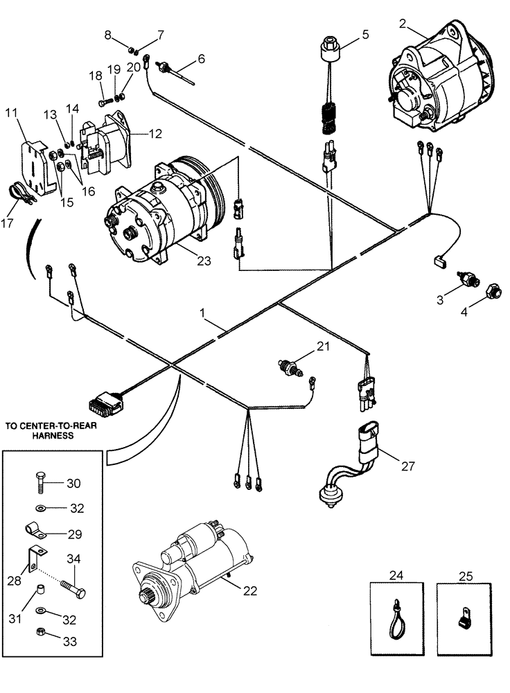
Запчасти Case IH 420 (04-01) - HARNESS, ENGINE (06) - ELECTRICAL SYSTEMS

Схема запчастей Case IH 420 - (04-01) - HARNESS, ENGINE (06) - ELECTRICAL SYSTEMS
25
8
4
20
7
19
34
33
27
24
30
15
23
5
6
17
2
1
12
28
3
11
14
16
18
29
31
32
22
21
32
13
FIT
1:1
100%

Артикул

Название

Примечание

Количество

1

87393921

HARNESS

Engine

1шт.

Model Year 2008 And Prior

1шт.

1

84171220

WIRE HARNESS

Engine

1шт.

Model Year 2009 And After

1шт.

2

125849A1

ALTERNATOR,12V, 135A, W/ Pulley

135 Amp

1шт.

See Figure 04-20

1шт.

2

125849A1GV

ALTERNATOR

Value, 135 amp

1шт.

3

1345488C3

TEMPERATURE SWITCH

Coolant, High

1шт.

4

221-93

REDUCER,Hex, 3/4" x 1/2" NPT

3/4 x 1/2 fem

1шт.

5

369798A2

SWITCH

High

1шт.

6

279476A1

SENSOR

Coolant Level

1шт.

7

492-11010

LOCK WASHER,#10

1шт.

8

225-14210

NUT,#10-32

1шт.

178149A1

SOLENOID SWITCH

Inc. 11 - 17

1шт.

11

178148A1

COVER

1шт.

12

183038A1

SOLENOID

Order 178149A1

1шт.

13

225-14210

NUT,#10-32

1шт.

14

492-11010

LOCK WASHER,#10

1шт.

15

425-105

NUT,5/16"-18, G5

2шт.

16

492-11031

LOCK WASHER,5/16"

2шт.

17

L18331

CABLE TIE,375.9mm L, Nylon, Black

CABLE STRAP 15"

2шт.

18

413-416

BOLT,Hex, 1/4" - 20 x 1", Gr 5

2шт.

19

492-11025

LOCK WASHER,1/4"

2шт.

20

425-104

NUT,1/4"-20, Cl 5

2шт.

21

121756C2

SENSOR

Coolant Temperature

1шт.

22

87419387

STARTING MOTOR

Iskra

1шт.

See Figure 04-18

1шт.

22

84146320R

REMAN-STARTER,12V, 4.2kW

420 (9/06-), Reman for New P/N 87419387

1шт.

22

84146320C

CORE-STARTER,12V, 4.2kW

Return Part Number

1шт.

23

86993462

AIRCOND. COMPRESSOR

1шт.

23

86993462GV

AIRCOND. COMPRESSOR

Value

1шт.

23

86993462R

REMAN-COMPRESSOR

420 (9/06-)

1шт.

23

86993462C

CORE-COMPRESSOR

Return Part Number

1шт.

23

48017123R

REMAN-A/C COMP KIT

Reman AC Compressor Kit

1шт.

23

48017123C

REMAN-A/C COMP KIT

Return Part Number

1шт.

23

1999755C3R

REMAN-A/C COMPRESSOR

Inc.- 8 Mounting Holes, 2 Groove Pulley, For Use w/HFC134A Refrigerant

1шт.

23

1999755C3C

CORE-COMPRESSOR

Return Part Number

1шт.

24

435437A1

CABLE TIE,3/16" x 7 1/4"

CABLE STRAP

1шт.

25

515-23175

CLAMP,11/16", Insul, 3/8" Bolt

7/8 ID

2шт.

25

515-30222

CLAMP,7/8", 1/2" Bolt

1шт.

26

190567A1

CABLE

203 mm (8"), Ground (Not Shown)

1шт.

See Figure 04-16, REF 11

1шт.

27

1964960C1

PRESSURE SWITCH

Oil Pressure, Hydraulic Lock

1шт.

28

1317942C1

BRACKET

1шт.

29

515-2395

CLAMP,3/8", Insul, 3/8" Bolt

1шт.

30

844-8030

BOLT,Hex, M8 x 1.25 x 30mm, Cl 8.8

1шт.

31

364002R1

SPACER,3/8" Pipe x 1"

1шт.

32

86528503

WASHER

M8

2шт.

33

825-2408

FLANGE NUT,M8 x 1.25, Flg, Cl 8

1шт.

34

854-12050

BOLT,Hvy Hex, M12 x 50mm, Cl 10.9

1шт.

Выбрано товаров: 50