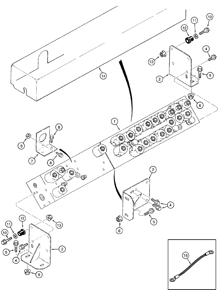
Запчасти Case IH 420 TIER 3 (08-21) - MANIFOLD VALVE AND MOUNTING (07) - HYDRAULICS

Схема запчастей Case IH 420 TIER 3 - (08-21) - MANIFOLD VALVE AND MOUNTING (07) - HYDRAULICS
8
12
9
10
2
10
11
4
5
13
15
4
12
6
6
8
7
2
5
4
6
2
14
5
13
11
1
FIT
1:1
100%

Артикул

Название

Примечание

Количество

1

REF

INSTRUCTION

Valve, Manifold

1шт.

See Figure(s) 08-17 - 08-20

1шт.

2

1546044C2

SUPPORT

3шт.

4

409-7612

BOLT,3/8"-16 x 1.09" OAL

5шт.

5

409-7620

BOLT,Hex Flg, 3/8" - 16 x 1 1/4", Spcl

5шт.

6

231-5146

FLANGE NUT,3/8"-16

5шт.

7

1546366C1

SUPPORT

1шт.

8

413-512

BOLT,Hex, 5/16" - 18 x 3/4", Gr 5

3шт.

9

231-5145

SERRATED NUT,Flg, USR, 5/16"-18

1шт.

10

409-7624

BOLT,Hex Flg, 3/8" - 16 x 1 1/2", Spcl

2шт.

11

495-71041

WASHER,10.31mm ID x 31.75mm OD x 2.54mm Thk

2шт.

12

196504C1

BUSHING

2шт.

13

231-5146

FLANGE NUT,3/8"-16

2шт.

14

1990328C2

COVER

1шт.

15

91963C1

GROUND STRAP

Valve Block

1шт.

Выбрано товаров: 15