Запчасти Case IH 420 TIER 3 (02-09) - TURBOCHARGER SYSTEM (01) - ENGINE

Схема запчастей Case IH 420 TIER 3 - (02-09) - TURBOCHARGER SYSTEM (01) - ENGINE
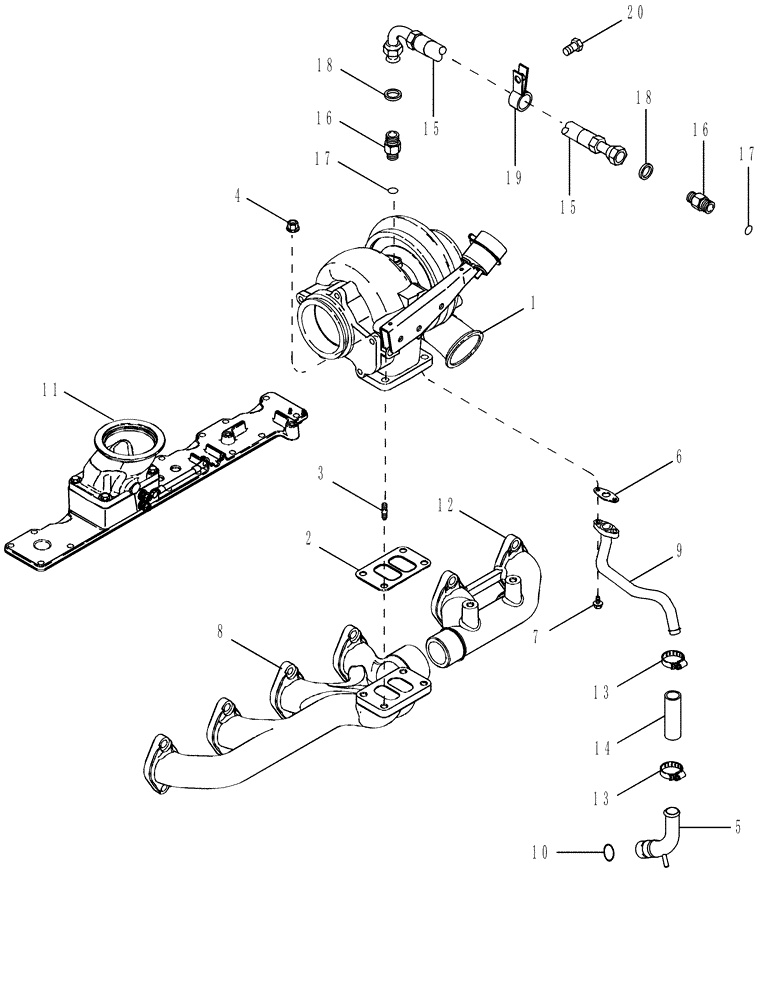
19
15
18
13
4
3
11
6
17
12
15
7
16
14
8
18
10
16
13
20
1
9
5
2
17
FIT
1:1
100%

Артикул

Название

Примечание

Количество

1

87351239

TURBOCHARGER

Turbocharger, Inc. 2, 6

1шт.

See Figure 02-10

1шт.

1

87351239R

REMAN-TURBOCHARGER

Reman for New PN 87351239

1шт.

1

87351239C

CORE-TURBOCHARGER

Return Number

1шт.

2

J901356

GASKET,0.5mm Thk

Turbo Mount

1шт.

3

J818823

STUD

M10 x 1.5

4шт.

4

J818824

FLANGE NUT

M10

4шт.

5

J931973

TUBE,0.875" OD

Turbo Drain

1шт.

6

J937706

GASKET,0.79mm Thk

Oil Drain

1шт.

7

J900630

BOLT,Hex Flg, M8 x 20, 8.8, Full Thd

2шт.

8

87344862

EXHAUST MANIFOLD

Exhaust

1шт.

9

84193309

HYD TUBE,0.875" OD

Turbo Drain at Turbo

1шт.

10

J931824

O-RING,0.07" Thk x 0.739" ID, -18, Cl 7, 75 Duro

1шт.

11

REF

INSTRUCTION

Cover, Intake

1шт.

12

87344861

EXHAUST MANIFOLD

1шт.

13

J412320

2шт.

14

87746560

HOSE

Turbo Drain Tube

1шт.

15

J282158

FLEXIBLE HOSE

533 mm (21 in)

1шт.

16

87757611

UNION

Male, Inc. 17, 18

2шт.

17

J678603

O-RING,2.2mm Thk x 9.3mm ID

1шт.

18

J922794

SEALING RING

SEALRING

2шт.

19

87434675

CLAMP,10.16mm ID, 10.41mm Bolt Hole, P Type

1шт.

20

615-8012

BOLT,Hex, M8 x 1.25 x 12mm, Cl 8.8, Full Thd

1шт.

Выбрано товаров: 23