Запчасти Case IH 420 TIER 3 (09A-36[02]) - DRUM SUPPORT ASSY - 5 ROW NARROW (13) - PICKING SYSTEM

Схема запчастей Case IH 420 TIER 3 - (09A-36[02]) - DRUM SUPPORT ASSY - 5 ROW NARROW (13) - PICKING SYSTEM
45
13
33
3
20
18
41
10
30
15
4
11
40
42
46
36
5
1
46
51
16
27
25
17
6
35
39
48
23
34
7
41
42
37
38
14
43
32
26
44
21
28
29
35
19
12
24
47
31
6
28
FIT
1:1
100%

Артикул

Название

Примечание

Количество

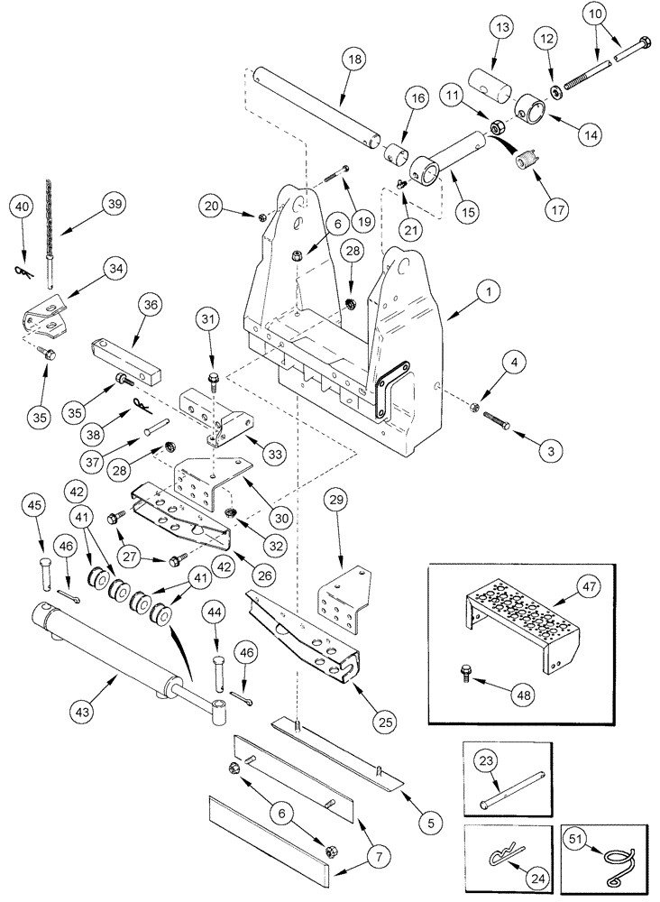
1

138898A4

HANGER

1шт.

3

114781A1

BOLT

1/2 x 3, Full Threads

1шт.

3

258542A1

BOLT

3/4 x 3-1/4, Full Threads

1шт.

4

425-148

JAM NUT,Jam, 1/2"-13, G5

2шт.

4

425-1412

JAM NUT,Jam, 3/4"-10, G5

2шт.

5

1984383C2

WEAR STRIP

Guide Bar Top

1шт.

6

231-5145

SERRATED NUT,Flg, USR, 5/16"-18

6шт.

7

1984382C3

WEAR STRIP

Front And Rear

2шт.

10

1349841C2

ROD

Front Radius

1шт.

11

429-1012

NUT,3/4"-10, G8

1шт.

12

496-21081

WASHER,13/16" x 1 1/2" x .179", HDN

1шт.

13

1982868C1

PIN,50.8mm OD x 110mm L

1шт.

14

1982869C1

SPACER

1шт.

15

1349842C2

END

Radius Rod, Inc. 16, 17

1шт.

16

617924R1

BUSHING,41.3mm ID x 44.45mm OD x 44.7mm L

1шт.

17

1994998C1

INSERT

1шт.

18

1983059C2

PIN,41.27mm OD x 445mm L

Front Radius Rod

1шт.

19

413-656

BOLT,Hex, 3/8" - 16 x 3-1/2", Gr 5

2шт.

20

231-1446

NUT,3/8" - 16, Gr 5

2шт.

21

219-55

LUBE NIPPLE,90 Degree Elbow, 1/8" - 27 NPTF

1шт.

23

118485A1

PIN,12.7mm OD x 150.75mm L

Support Hold-Down

1шт.

24

586591R1

COTTER PIN

1/8

1шт.

25

129949A2

CONDUIT

Cylinder, Left Hand, Drum #1

1шт.

26

129950A2

CONDUIT

Cylinder, Right Hand, Drum #5

1шт.

27

409-7820

BOLT,Hex Flg, 1/2" - 13 x 1 1/4", Spcl

Drums #1, 5

8шт.

28

231-5148

FLANGE NUT,Flg, USR, 1/2"-13

Drums #1, 5

8шт.

29

276542A1

BRACKET

Left Hand, Drum #1

1шт.

30

276544A1

SUPPORT

Right Hand, Drum #5

1шт.

31

409-7820

BOLT,Hex Flg, 1/2" - 13 x 1 1/4", Spcl

4шт.

32

231-5148

FLANGE NUT,Flg, USR, 1/2"-13

4шт.

33

128503A1

SUPPORT

Cylinder Bracket, Drums #1, 5

2шт.

34

128507A1

BRACKET

Cylinder Lock, Drums #2, 4

2шт.

35

409-7820

BOLT,Hex Flg, 1/2" - 13 x 1 1/4", Spcl

Drums #2, 4, 5

8шт.

36

129241A2

BAR

Spacer, Drums #1, 5

2шт.

37

439-11040

HEADED PIN,5/8" x 2", G2

Drums #1, 5

2шт.

38

136-166

COTTER PIN,Int, 9/32" x .120"

2шт.

39

137882A1

PIN

Cylinder Lock, Inc. Chain, Drums #2, 4

1шт.

40

136-166

COTTER PIN,Int, 9/32" x .120"

Drums #2, 4

1шт.

41

84141828

STOP

Cylinder Stroke Control, 32" Row

4шт.

42

137906A1

STOP

1", Cylinder Stroke Control, 32" Row, If Used

4шт.

43

1542544C1

CYLINDER ASSY.

Drum Spread, 57 ID x 375 mm strk, See Figure 08-44

2шт.

44

439-11664

HEADED PIN,1" x 4"

2шт.

45

439-11656

HEADED PIN,25.4mm OD x 88.9mm L

2шт.

46

432-1620

COTTER PIN,1/4" x 1 1/4"

4шт.

47

87344065

TREAD

Drum #5

1шт.

48

409-7820

BOLT,Hex Flg, 1/2" - 13 x 1 1/4", Spcl

4шт.

50

120903A1

SUPPORT

Harness, Drums #1, 5

2шт.

51

189300A1

BRACKET

Harness, Drums #2, 4

2шт.

409-7812

BOLT,Hex Flg, 1/2" - 13 x 3/4", Spcl

2шт.

52

495-11041

WASHER,0.406" ID x 0.812" OD x 0.065" W

1шт.

Выбрано товаров: 50