Запчасти Case IH 620 (04-03) - HARNESS, MAIN CAB (06) - ELECTRICAL SYSTEMS

Схема запчастей Case IH 620 - (04-03) - HARNESS, MAIN CAB (06) - ELECTRICAL SYSTEMS
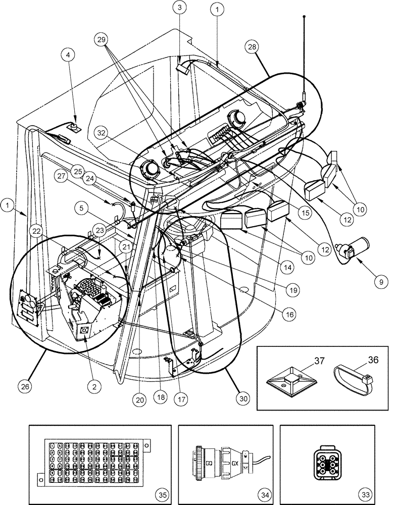
19
5
15
4
12
30
33
24
2
14
3
21
37
16
32
12
17
28
27
1
20
10
26
34
23
22
29
1
35
36
10
25
18
9
FIT
1:1
100%

Артикул

Название

Примечание

Количество

1

87589310

WIRE HARNESS

Main Cab

1шт.

Model Year 2008 And Prior

1шт.

1

84156622

WIRE HARNESS

Main Cab

1шт.

Model Year 2009 And After

1шт.

2

310057A1

ELEC CONNECTOR,Male, 9 Pin

Diagnostic

1шт.

3

429726A1

COURTESY LIGHT

DOME LIGHT

2шт.

See Figure 04-27

1шт.

4

83882C91

LAMP

Console

1шт.

See Figure 04-27

1шт.

5

87446833

TOWER

Cluster, Instrument, "A" Post Without Cotton Monitor, Serial Range: -Y8T013501

1шт.

See Figure 04-27

1шт.

5

87732340

TOWER

Cluster, Instrument, "A" Post Without Cotton Monitor, Start Serial: Y8T013501

1шт.

See Figure 04-27

1шт.

9

87458000

WIPER MOTOR

MOTOR, WIPER

1шт.

See Figure 04-29

1шт.

10

353657A1

HEADLIGHT

Left Hand Outer, Left Center

4шт.

See Figure 04-24

1шт.

12

353656A1

HEADLIGHT

High - Low, Left Hand

2шт.

See Figure 04-24

1шт.

14

87107380

BLOWER

Cab Pressurizer

1шт.

See Figure 09E-14

1шт.

15

417621A1

DECAL

Overhead Fuse Block

1шт.

See Figure 09F-13

1шт.

16

122579A1

SWITCH, A/C LOW PRES

Low, Air Conditioning

1шт.

17

141336A2

CONTROL VALVE

Heater Water

1шт.

18

187678A1

SWITCH

Tether, Basket Unload

1шт.

19

REF

INSTRUCTION

HARNESS, Auto Guidance, If Equipped

1шт.

20

323610A1

BLOWER

1шт.

84222524R

REMAN-BLOWER

620 (9/06-), Reman for New P/N 323610A1

1шт.

84222524C

CORE-BLOWER

Return Number

1шт.

21

1981852C3

SWITCH

Air Suspension Seat

1шт.

22

242306A2

SWITCH

Operator Presence System

1шт.

23

184720A2

SENSOR

Evaporator Temperature

1шт.

24

432212A1

CIGAR LIGHTER

Socket Assembly

1шт.

25

190812A1

COVER

1шт.

26

REF

INSTRUCTION

HARNESS, Pedestal, Right Hand

1шт.

See Figure 04-04

1шт.

27

REF

INSTRUCTION

HARNESS, Console

1шт.

See Figure 04-07

1шт.

28

REF

INSTRUCTION

OVERHEAD CONTROL PANEL

1шт.

See Figure 04-03

1шт.

29

D71346

TAIL LAMP,12V

No. 168

4шт.

30

REF

INSTRUCTION

HARNESS, Steering Console

1шт.

See Figure 04-06

1шт.

32

702093C1

CABLE TIE

CABLE STRAP

1шт.

33

396377A1

MULTIPOLE CONNECTOR,6 Pin

Socket 6 Pin

1шт.

34

187103A1

ELEC CONNECTOR

Auxillary Power

1шт.

35

122845A1

JUNCTION BLOCK

Feedback

1шт.

36

L11541

CABLE TIE,203.2mm L, Nylon

CABLE STRAP Tie

2шт.

37

22-823

MOUNT

Tie Strap Base Mount

2шт.

Выбрано товаров: 50