Запчасти Case IH 620 (08-07) - HYDRAULIC AND HYDROSTATIC PUMP MOUNTING (07) - HYDRAULICS

Схема запчастей Case IH 620 - (08-07) - HYDRAULIC AND HYDROSTATIC PUMP MOUNTING (07) - HYDRAULICS
17
11
15
14
6
12
1a
16
19
8
18a
10
2
1
20
4
15
3
9
5
13
18
7
FIT
1:1
100%

Артикул

Название

Примечание

Количество

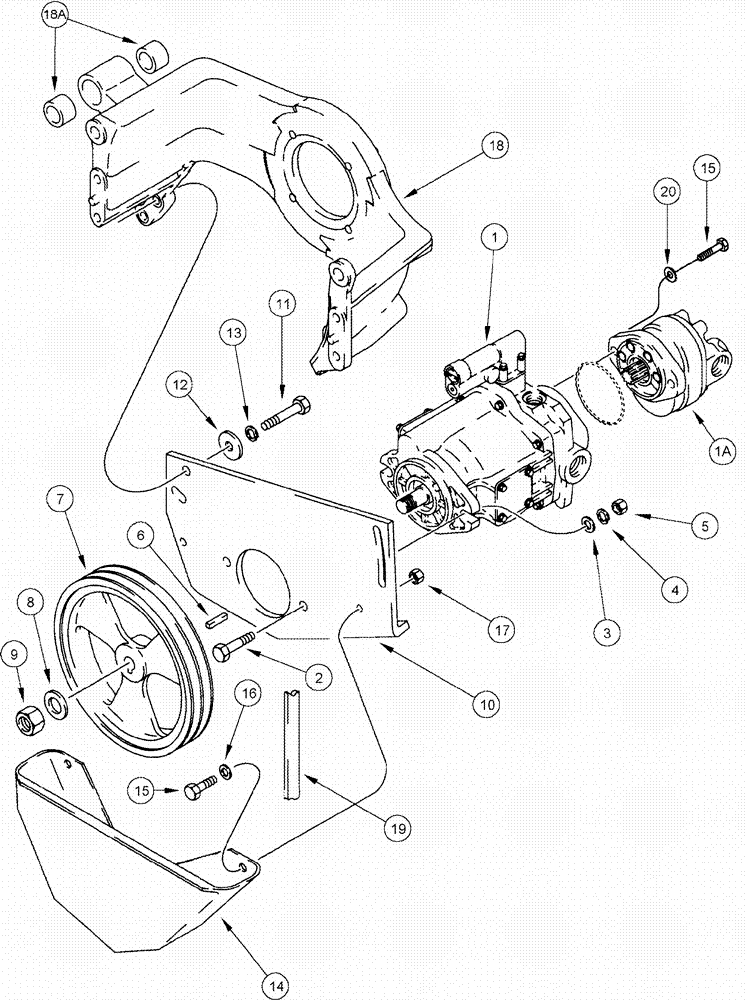
1

434239A1

PUMP, HYDRAULIC,45.1 CC

Piston

1шт.

See Figures 08-07, 08-08

1шт.

1

434239A1R

REMAN-HYD PUMP

Piston

1шт.

1

434239A1C

CORE-HYDRAULIC PUMP

Return Number

1шт.

1a

247337A1

PUMP, HYDRAULIC,10.8 CC

Gear

1шт.

See Figure 08-09

1шт.

2

413-828

BOLT,Hex, 1/2" - 13 x 1-3/4", Gr 5

2шт.

3

396-21053

WASHER,17/32" x 1 1/16" x .134"

2шт.

4

80679

LOCK WASHER,1/20.507 CST ZND

2шт.

5

425-108

NUT,1/2" - 13, Gr 5

2шт.

6

452779R1

KEY,1/4" Sq x 3/4", Par

Inc. With 248303A1

1шт.

7

1285257C4

PULLEY

Drive

1шт.

8

86637816

WASHER,0.81" ID x 1.5" OD x 0.22" Thk

1шт.

9

231-46112

LOCK NUT,3/4"-16, GB

1шт.

10

1546127C1

SUPPORT

1шт.

11

413-828

BOLT,Hex, 1/2" - 13 x 1-3/4", Gr 5

3шт.

12

495-81162

WASHER,17/32" x 1 1/2" x .179"

3шт.

13

80679

LOCK WASHER,1/20.507 CST ZND

3шт.

14

87367C2

GUARD

1шт.

15

413-620

BOLT,Hex, 3/8" - 16 x 1-1/4", Gr 5

4шт.

16

495-21044

WASHER,3/8"

2шт.

17

231-4116

NUT,3/8"-16, GB

2шт.

18

1990144C4

HOUSING

Drive Pulley, Inc. 37-1816, 18A

1шт.

See Figure 06-03

1шт.

37-1816

DOWEL,1/2" x 1"

(Not Shown)

2шт.

18a

87800C1

BUSHING,25.53mm ID x 31.81mm OD x 38.1mm L

2шт.

19

1546118C1

BELT,16.00 mm W x 1593.66 mm L, 2 Ribs

Drive, Auxillary Pump

1шт.

20

495-51041

WASHER,3/8"

2шт.

Выбрано товаров: 28