Запчасти Case IH 620 (08-11) - MANIFOLD VALVE SUPPLY AND PRESSURE COMPENSATOR SYSTEM (07) - HYDRAULICS

Схема запчастей Case IH 620 - (08-11) - MANIFOLD VALVE SUPPLY AND PRESSURE COMPENSATOR SYSTEM (07) - HYDRAULICS
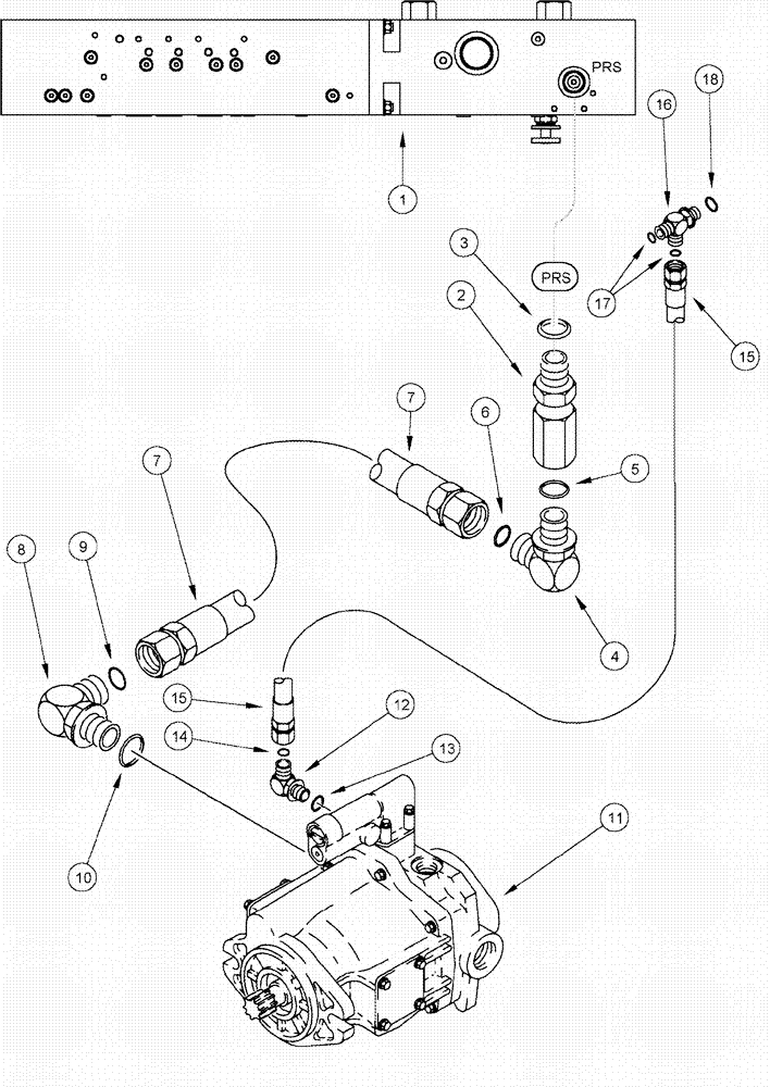
17
4
15
6
5
12
14
9
15
2
3
1
18
7
11
8
13
10
7
16
FIT
1:1
100%

Артикул

Название

Примечание

Количество

1

87445254

MANIFOLD VALVE

1шт.

See Figure 08-22

1шт.

2

93306C2

FILTER

In-Line

1шт.

3

237-6012

O-RING,0.116" Thk x 0.924" ID, -912, Cl 6, 90 Duro

1шт.

4

201-307

ELBOW,90 Degree Elbow, 1-3/16" - 12 Male ORFS x 1-1/16" - 12 Male ORB

Inc. 5, 6

1шт.

5

237-6012

O-RING,0.116" Thk x 0.924" ID, -912, Cl 6, 90 Duro

1шт.

6

238-6018

O-RING,0.07" Thk x 0.739" ID, -18, Cl 6, 90 Duro

1шт.

7

1988892C1

HOSE

1400 mm (55-1/8 in), Valve Supply

1шт.

8

201-355

ELBOW,90 Degree Elbow, 1-3/16" - 12 Male ORFS x 1-5/16" - 12 Male ORB

Inc. 9, 10

1шт.

9

238-6018

O-RING,0.07" Thk x 0.739" ID, -18, Cl 6, 90 Duro

1шт.

10

237-6016

O-RING,0.116" Thk x 1.171" ID, -916, Cl 6, 90 Duro

1шт.

11

434239A1

PUMP, HYDRAULIC,45.1 CC

Piston

1шт.

See Figures 08-07, 08-08

1шт.

11

434239A1R

REMAN-HYD PUMP

Piston

1шт.

11

434239A1C

CORE-HYDRAULIC PUMP

Return Number

1шт.

12

201-303

ELBOW,90 Degree Elbow, 9/16" - 18 Male ORFS x 7/16" - 20 Male ORB

Inc. 13, 14

1шт.

13

237-6004

O-RING,0.072" Thk x 0.351" ID, -904, Cl 6, 90 Duro

1шт.

14

238-6011

O-RING,0.07" Thk x 0.301" ID, -11, Cl 6, 90 Duro

1шт.

15

1990123C2

HYDRAULIC HOSE,6.35 mm ID x 950.00 mm, SAE 100R1 Class 21

Valve Sense

1шт.

16

201-435

TEE,9/16"-18 x 7/16"-20 Run, ORFS

Inc. 17, 18

1шт.

See Figure 05-02

1шт.

17

238-6011

O-RING,0.07" Thk x 0.301" ID, -11, Cl 6, 90 Duro

2шт.

18

237-6004

O-RING,0.072" Thk x 0.351" ID, -904, Cl 6, 90 Duro

1шт.

Выбрано товаров: 23