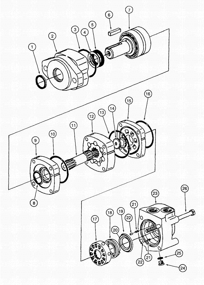
Запчасти Case IH 620 (08-38) - UNLOADER MOTOR ASSEMBLY (07) - HYDRAULICS

Схема запчастей Case IH 620 - (08-38) - UNLOADER MOTOR ASSEMBLY (07) - HYDRAULICS
8
4
15
24
22
11
26
14
18
21
10
23
19
9
3
25
17
5
21
6
2
22
13
1
20
16
12
7
FIT
1:1
100%

Артикул

Название

Примечание

Количество

429561A1

MOTOR, HYDRAULIC

Unloader, Inc. 1 - 27

1шт.

1

NSS

NOT SOLD SEPARAT

SEAL, Shaft Exclusion

1шт.

2

NSS

NOT SOLD SEPARAT

HOUSING, Bearing

1шт.

3

S114357

SEAL,Square, 1.7mm Thk x 75.9mm ID

3.0 ID x 5/64

1шт.

4

NSS

NOT SOLD SEPARAT

RING, Backup

1шт.

5

N9432

SEAL

Ring

1шт.

7

NSS

NOT SOLD SEPARAT

SHAFT, Sub Assembly, Inc. Bearing

1шт.

8

NSS

NOT SOLD SEPARAT

SEAL

1шт.

9

NSS

NOT SOLD SEPARAT

PLATE, Wear

1шт.

10

S114357

SEAL,Square, 1.7mm Thk x 75.9mm ID

3.0 ID x 5/64

1шт.

11

NSS

NOT SOLD SEPARAT

DRIVE

1шт.

12

NSS

NOT SOLD SEPARAT

GEROLER, Sub Assembly

1шт.

13

S114357

SEAL,Square, 1.7mm Thk x 75.9mm ID

3.0 ID x 5/64

1шт.

14

NSS

NOT SOLD SEPARAT

DRIVE, Valve

1шт.

15

189096A1

PLATE

Valve

1шт.

16

S114357

SEAL,Square, 1.7mm Thk x 75.9mm ID

3.0 ID x 5/64

1шт.

17

NSS

NOT SOLD SEPARAT

VALVE

1шт.

18

N9532

PLATE

Balancing

1шт.

19

S114491

SEAL,30.9mm ID x 38.7mm OD x 3.9mm Thk

Outer Face

1шт.

20

NSS

NOT SOLD SEPARAT

SEAL

1шт.

21

S114366

SPRING

2шт.

22

S114372

PIN

2шт.

23

NSS

NOT SOLD SEPARAT

HOUSING, Valve End

1шт.

24

278548

PLUG,Hex, 7/16"-20 ORB

Incl 25

1шт.

25

237-6004

O-RING,0.072" Thk x 0.351" ID, -904, Cl 6, 90 Duro

1шт.

26

NSS

NOT SOLD SEPARAT

SCREW, Cap

1шт.

27

320680A1

RIVET

Name Plate, (Not Shown)

2шт.

S300417

SEAL KIT

Inc. 1, 3, 4, 5, 8, 10, 13, 16, 19, 20

1шт.

Выбрано товаров: 28