Запчасти Case IH 620 (09A-32) - DRUM SUPPORT ASSEMBLY - 6 ROW WIDE AND 4 ROW WIDE (13) - PICKING SYSTEM

Схема запчастей Case IH 620 - (09A-32) - DRUM SUPPORT ASSEMBLY - 6 ROW WIDE AND 4 ROW WIDE (13) - PICKING SYSTEM
31
42
56
14
6
15
45
26
30
3
41
20
38
34
45
55
30
36
37
7
29
48
6
21
4
35
1
10
23
11
40
54
16
45
49
44
50
39
53
18
13
46
12
24
48
51
25
19
17
5
47
FIT
1:1
100%

Артикул

Название

Примечание

Количество

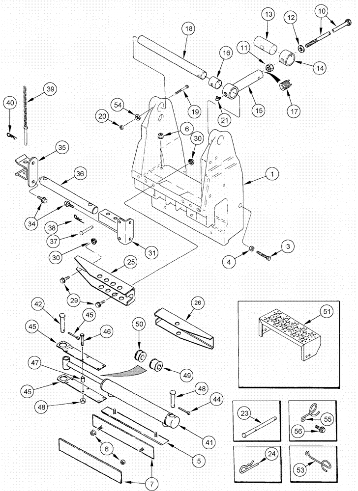
1

138898A4

HANGER

6шт.

3

114781A1

BOLT

Full Threads

6шт.

3

258542A1

BOLT

Full Threads

6шт.

4

425-148

JAM NUT,Jam, 1/2"-13, G5

12шт.

4

425-1412

JAM NUT,Jam, 3/4"-10, G5

12шт.

5

1984383C2

WEAR STRIP

Guide Bar Top

6шт.

6

231-5145

SERRATED NUT,Flg, USR, 5/16"-18

36шт.

7

1984382C3

WEAR STRIP

Front and Rear

12шт.

10

1349841C2

ROD

Front Radius

6шт.

11

429-1012

NUT,3/4"-10, G8

6шт.

12

496-21081

WASHER,13/16" x 1 1/2" x .179", HDN

18шт.

13

1982868C1

PIN,50.8mm OD x 110mm L

6шт.

14

1982869C1

SPACER

6шт.

15

1349842C2

END

Radius Rod, Inc. 16, 17

6шт.

16

617924R1

BUSHING,41.3mm ID x 44.45mm OD x 44.7mm L

1шт.

17

1994998C1

INSERT

1шт.

18

1983059C2

PIN,41.27mm OD x 445mm L

Front Radius Rod

6шт.

19

413-656

BOLT,Hex, 3/8" - 16 x 3-1/2", Gr 5

12шт.

20

231-1446

NUT,3/8" - 16, Gr 5

12шт.

21

219-55

LUBE NIPPLE,90 Degree Elbow, 1/8" - 27 NPTF

6шт.

23

118485A1

PIN,12.7mm OD x 150.75mm L

Support Hold Down, Drum Number 4

1шт.

24

586591R1

COTTER PIN

1/8, Drum Number 4

1шт.

25

446116A2

BRACKET

Service Spread, Left Hand, Drum Number 2

1шт.

26

446114A2

BRACKET

Service Spread, Right Hand, Drum Number 5

1шт.

29

409-7820

BOLT,Hex Flg, 1/2" - 13 x 1 1/4", Spcl

Drum Numbers 2, 5

2шт.

30

231-5148

FLANGE NUT,Flg, USR, 1/2"-13

Drum Numbers 2, 5

2шт.

31

128503A2

BRACKET

Cylinder, Drum Numbers 2 (2), 5 (1)

1-2шт.

34

409-7820

BOLT,Hex Flg, 1/2" - 13 x 1 1/4", Spcl

Drum Number 1 (2), 2 (6), 3 (2), 5 (4), 6 (2)

1шт.

35

446112A1

BRACKET

Drum Spacer, Drum Numbers 1, 3, 6

1шт.

36

446109A2

BAR

Drum Spacer

2шт.

37

439-11040

HEADED PIN,5/8" x 2", G2

Drum Numbers 2 (2), 5 (1)

1-2шт.

38

136-166

COTTER PIN,Int, 9/32" x .120"

Drum Numbers 2 (2), 5 (1)

1-2шт.

39

137882A1

PIN

Cylinder Lock, Inc. Chain, Drum Numbers 1, 3, 6

1шт.

40

136-166

COTTER PIN,Int, 9/32" x .120"

Drum Numbers 1, 3, 6

1шт.

41

87272673

CYLINDER ASSY.,Double Acting, 31.75mm Rod, 374.9mm Stroke

Drum Spread

2шт.

See Figure 08-34

1шт.

42

439-11664

HEADED PIN,1" x 4"

2шт.

43

439-11656

HEADED PIN,25.4mm OD x 88.9mm L

2шт.

44

87402

COTTER PIN,1/4" OD x 1-1/4" OAL

4шт.

45

128502A2

PLATE

Cylinder Stop

4шт.

46

413-528

BOLT,Hex, 5/16" - 18 x 1-3/4", Gr 5

12шт.

47

190123C1

SPACER,1/2" Tube x 1"

12шт.

48

231-5145

SERRATED NUT,Flg, USR, 5/16"-18

12шт.

49

87324942

CYLINDER

Stroke Control

5шт.

50

87324934

CYLINDER

Stroke Control

7шт.

51

87344065

TREAD

Drum Number 5 on 6 Row, 4 on 4 Row

1шт.

53

120903A1

SUPPORT

Harness, Drum Numbers 1 (1), 2 (2), 5 (2), 6 (1)

1-2шт.

54

495-11041

WASHER,0.406" ID x 0.812" OD x 0.065" W

Drum Numbers 1 (1), 2 (2), 3 (1), 5 (2), 6 (1)

1-2шт.

55

189300A1

BRACKET

Harness, Drum Numbers 2 (1), 3 (4), 4 (2), 5 (2)

1-4шт.

56

409-7812

BOLT,Hex Flg, 1/2" - 13 x 3/4", Spcl

Drum Numbers 1, 4

1шт.

58

409-7816

BOLT,Hex Flg, 1/2" - 13 x 1", Spcl

Drum Numbers 2 (1), 3 (3), 5 (4), 6 (1)

1-4шт.

Выбрано товаров: 51