Запчасти Case IH 625 (55.510.02[02]) - HARNESS CONSOLE, MODEL YEAR 2009 AND AFTER (55) - ELECTRICAL SYSTEMS

Схема запчастей Case IH 625 - (55.510.02[02]) - HARNESS CONSOLE, MODEL YEAR 2009 AND AFTER (55) - ELECTRICAL SYSTEMS
7
8
15
8
2
8
8
7
8
4
10
7
8
2
3
1
8
10
6
14
9
14
11
7
12
7
10
10
7
4
5
3
8
16
1
9
7
6
13
6
6
8
5
8
FIT
1:1
100%

Артикул

Название

Примечание

Количество

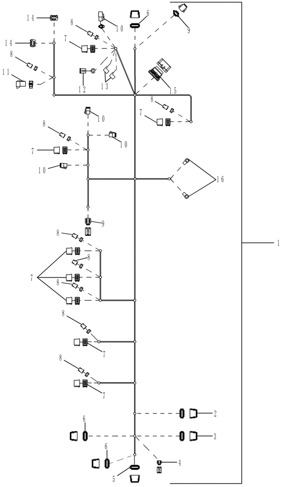
1

87718897

WIRE HARNESS

Console, Inc. 2-16

1шт.

2

225465C1

CONNECTOR, ELEC

CONNECTOR 12-Pin, D, To Cab Harness

1шт.

3

225402C1

CONNECTOR, ELEC

CONNECTOR 12-Pin, B, To Cab Harness

1шт.

4

NSS

NOT SOLD SEPARAT

CONNECTOR, 4-Pin, 557

1шт.

5

225403C1

CONNECTOR, ELEC

CONNECTOR 12-Pin, C, To Cab Harness

1шт.

6

225389C1

CONNECTOR, ELEC

CONNECTOR 12-Pin, A, To Cab Harness, 12, To Propulsion Handle

3шт.

7

225214C1

CONNECTOR, ELEC

CONNECTOR 8-Pin, 72, Park Brake Switch, 73, 4WD Switch, 74, Fan Switch, 75, Hydraulic Lockout Switch, 76, Module/Drum Lock Switch, 77, Moistener Switch, 78, O.P.S. Bypass Switch, EOP Power Switc

8шт.

8

225250C1

CONNECTOR,ELECTRIC

2-Pin, Backlighting, Chassis Ground

9шт.

9

225350C1

ELEC CONNECTOR,Male, 6 Pin

6-Pin, 80, 6, To Propulsion Handle

2шт.

10

225295C1

ELEC CONNECTOR,Female, 3 Pin

3-Pin, 79, Moistener Pressure Control Potentiometer, 79, Left Hand Drum Adjust, 79, Right Hand Drum Adjust, Offset Adjust Potentiometer

4шт.

11

227389A1

CONNECTOR, ELEC

CONNECTOR 4-Pin, 36, Compactor/Auger Switch

1шт.

12

225316C1

ELEC CONNECTOR,Female, 2 Pin

2-Pin, To Propulsion Handle Engage On/Off Switch

1шт.

13

NSS

NOT SOLD SEPARAT

CONNECTOR, 52B Alarm B+ Terminal, 56A Alarm Ground Terminal

2шт.

14

245432C1

CONNECTOR, ELEC

CONNECTOR 5-Pin, 17, Right Hand Drum Switch, 18, Left Hand Drum Switch

2шт.

15

182083A1

CONNECTOR, ELEC,Female, 6 Cavities

CONNECTOR 6-Pin, 81

1шт.

16

NSS

NOT SOLD SEPARAT

TERMINAL, 11A, 36A

2шт.

Выбрано товаров: 16