Запчасти Case IH 625 (60.600.29) - NEW GENERATION PLANT LIFTER WITH ELECTRONIC HEADER HEIGHT CONTROL - RIGHT HAND, MODEL YEAR 2009 AND AFTER (60) - PRODUCT FEEDING

Схема запчастей Case IH 625 - (60.600.29) - NEW GENERATION PLANT LIFTER WITH ELECTRONIC HEADER HEIGHT CONTROL - RIGHT HAND, MODEL YEAR 2009 AND AFTER (60) - PRODUCT FEEDING
15
2
29
23
62
66
32
17
8
19
63
41
65
42
24
48
28
39
25
22
52
27
31
47
16
37
40
43
44
11
35
33
28
49
53
20
3
51
21
61
46
45
55
26
34
4
36
50
14
18
FIT
1:1
100%

Артикул

Название

Примечание

Количество

2

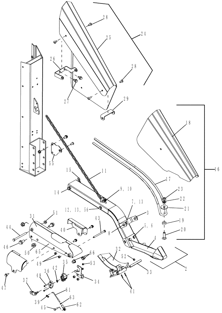
87638874

LIFT ARM

Right, Inc. 3 - 15

1шт.

3

87638899

COVER ASSY

1шт.

4

87638884

SHOE (ASSY)

1шт.

5

409-7512

BOLT,Hex Flg, 5/16" - 18 x 3/4", Spcl

4шт.

6

231-5145

SERRATED NUT,Flg, USR, 5/16"-18

4шт.

7

413-514

BOLT,Hex, 5/16" - 18 x 7/8", Gr 5

4шт.

8

450-73112

SERRATED SCREW,Truss HD, 5/16" - 18 x 3/4"

2шт.

9

409-7516

BOLT,Hex Flg, 5/16" - 18 x 1", Spcl

1шт.

10

231-5345

FLANGE NUT,Flg, 5/16"-18

1шт.

11

87457723

CHAIN (AG)

1шт.

12

396-21041

WASHER,10.31mm ID x 20.63mm OD x 2.26mm Thk

2шт.

13

392-11031

LOCK WASHER,5/16"

4шт.

14

439-1868

HEADED PIN,12.7mm OD x 107.25mm L

1шт.

15

136-163

HAIR PIN COTTER,Int, 5/16" x .177

1шт.

16

87638875

COVER ASSY

Inc. 17 - 23

1шт.

17

87457722

ROD ASSY.

Plant Lifter, Right

1шт.

18

87638897

COVER ASSY

1шт.

19

87638898

SPACER,13.5mm ID x 25.4mm OD x 9.1mm L

1шт.

20

433-828

CARRIAGE BOLT,Sq Nk, 1/2" - 13 x 1 3/4", Gr 5

1шт.

21

495-81164

WASHER,0.53" ID x 1.75" OD x 0.18" Thk

1шт.

22

492-11050

LOCK WASHER,1/2"

1шт.

23

425-108

NUT,1/2" - 13, Gr 5

1шт.

24

87638038

COVER ASSY

Inc. 25 - 29

1шт.

25

87427884

BODY

1шт.

26

87638905

COVER ASSY

1шт.

27

409-7612

BOLT,3/8"-16 x 1.09" OAL

2шт.

28

450-73112

SERRATED SCREW,Truss HD, 5/16" - 18 x 3/4"

4шт.

29

87638039

COVER ASSY

1шт.

31

87749227

MOUNTING PARTS

1шт.

32

87749250

SHOE

Sensor, Height Control

1шт.

33

87749664

PIN,12.5mm OD x 104mm L

1шт.

34

87749367

MOUNTING PARTS

1шт.

35

87330286

SENSOR

1шт.

36

87676896

SENSOR

1шт.

37

87749274

LEVER

1шт.

39

9821714

CLIP

1шт.

40

87749616

COVER

2шт.

41

38-31214

PIN,4.75mm OD x 22.23mm L, Coiled

2шт.

42

103-1437

SNAP RING,#37, Ext

1шт.

43

84180360

BOLT

1шт.

44

413-672

BOLT,Hex, 3/8" - 16 x 4-1/2", Gr 5

1шт.

45

413-416

BOLT,Hex, 1/4" - 20 x 1", Gr 5

1шт.

46

409-7816

BOLT,Hex Flg, 1/2" - 13 x 1", Spcl

2шт.

47

409-7512

BOLT,Hex Flg, 5/16" - 18 x 3/4", Spcl

3шт.

48

461-31024

HEX SOC SCREW,#10 - 24 x 1 1/2"

2шт.

49

230-4145

LOCK NUT

4шт.

50

231-5148

FLANGE NUT,Flg, USR, 1/2"-13

2шт.

51

231-5346

FLANGE NUT,Flg, 3/8"-16

1шт.

52

230-4244

LOCK NUT,1/4"-20, GA

1шт.

53

231-14409

NUT,#10-24, GB

2шт.

54

87638041

COVER ASSY

1шт.

55

NSS

NOT SOLD SEPARAT

See Ref. 54

1шт.

56

396-21041

WASHER,10.31mm ID x 20.63mm OD x 2.26mm Thk

2шт.

57

450-73112

SERRATED SCREW,Truss HD, 5/16" - 18 x 3/4"

1шт.

58

409-7612

BOLT,3/8"-16 x 1.09" OAL

1шт.

59

231-5146

FLANGE NUT,3/8"-16

1шт.

60

87749259

ROD

Arm

1шт.

61

87749260

THREADED ROD

Threaded

1шт.

62

87556474

CONNECTING ROD

1шт.

63

86976064

JAM NUT,Jam, 1/4"-28, G5

1шт.

64

87749227

MOUNTING PARTS

1шт.

66

1994864C1

BUSHING,12.72mm ID x 21mm OD x 15mm L

2шт.

Выбрано товаров: 62