Запчасти Case IH 625 (25.310.01) - FINAL DRIVE ASSY (25) - FRONT AXLE SYSTEM

Схема запчастей Case IH 625 - (25.310.01) - FINAL DRIVE ASSY (25) - FRONT AXLE SYSTEM
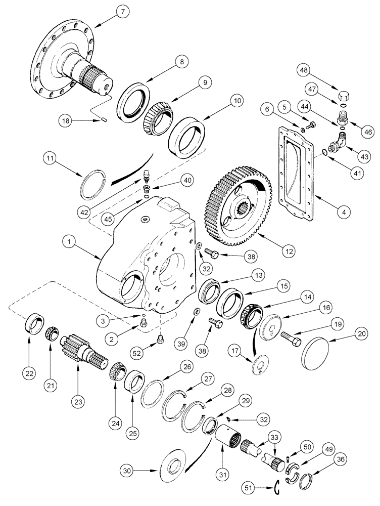
15
33
21
52
45
1
16
17
48
31
47
50
2
22
7
23
5
19
46
8
10
32
6
11
29
43
28
39
30
40
38
20
49
13
44
41
36
9
26
32
12
42
38
4
18
27
14
24
51
25
3
FIT
1:1
100%

Артикул

Название

Примечание

Количество

246065A3

DRIVE ASSY.

Final, Inc. 1 - 30

2шт.

1

246066A2

HOUSING

1шт.

2

218-5158

PLUG,Hex Hd, 1 1/16"-12 ORB

Incl. 3

2шт.

3

237-6012

O-RING,0.116" Thk x 0.924" ID, -912, Cl 6, 90 Duro

1шт.

4

135286A1

COVER

1шт.

5

628-16050

BOLT,Hex, M16 x 2 x 50mm, Cl 10.9, Full Thd

14шт.

6

896-11016

WASHER,17.5mm ID x 30mm OD x 4mm Thk

14шт.

7

246067A3

SHAFT

Output

1шт.

8

135293A1

OIL SEAL,158.75mm ID x 197mm OD x 12.7mm Thk

1шт.

9

335947A1

ROLLER BEARING,133.35mm ID x 46.04mm W

1шт.

10

135649A1

BEARING CUP,196.85mm OD x 38.1mm W

1шт.

11

246073A1

SNAP RING

1шт.

12

246068A1

GEAR

73T, final drive

1шт.

13

413564A1

SPACER

1шт.

14

246071A1

ROLLER BEARING,88.9 mm ID x 55.1 mm

1шт.

15

246070A1

BEARING CUP,161.925 mm OD x 42.863 mm

1шт.

16

246069A1

PLATE

1шт.

17

135299A1

SHIM,0.051mm Thk

1шт.

17

135300A1

SHIM,0.457mm Thk

1шт.

17

135301A1

SHIM,0.635mm Thk

1шт.

18

37-1512

DOWEL,5/16" x 3/4"

1шт.

19

828-24090

BOLT,Hex, M24 x 3 x 90mm, Cl 10.9

1шт.

20

246072A1

COVER

1шт.

21

135295A1

ROLLER BEARING,44.46mm ID x 35.98mm W

1шт.

22

135650A1

BEARING CUP,101.6mm OD x 26.99mm W

1шт.

23

135290A1

SHAFT

12T

1шт.

24

K4729

ROLLER BEARING,57.15mm ID x 30.96mm W

1шт.

25

135651A1

BEARING CUP,104.78mm OD x 23.81mm W

1шт.

26

135302A1

SHIM,88mm ID x 104mm OD x 0.05mm Thk

1шт.

26

135303A1

SHIM,88mm ID x 104mm OD x 0.46mm Thk

1шт.

26

135305A1

SHIM,88mm ID x 104mm OD x 0.63mm Thk

1шт.

27

193652A1

WASHER

1шт.

28

101-21412

SNAP RING,#412, 4.430", Int

1шт.

29

135292A1

OIL SEAL,55.6mm ID x 108.17mm OD x 12.7mm Thk

1шт.

30

135291A1

GUARD

1шт.

31

248600A1

COUPLING

Inc. 32

4шт.

32

219-45

LUBE NIPPLE,65 Degree Elbow, 1/4" NPTF

1шт.

33

291118A1

SHAFT

509 mm (20-3/64"), Left Hand Drive

1шт.

33

291121A1

SHAFT

589 mm (23-3/16"), Right Hand Drive

1шт.

34

244549A1

COLLAR

4шт.

35

245105A2

CLIP

4шт.

36

123763A1

SNAP RING

4шт.

38

862-20070

HEX SOC SCREW,M20 x 70mm, Cl 12.9

32шт.

39

137339A2

WASHER,21mm ID x 33.5mm OD x 4mm Thk

22 x 34 x 3.4 mm

32шт.

40

135950A1

ADAPTER

1/8 PT x 1-1/16 Or, Inc. 41

2шт.

41

237-6012

O-RING,0.116" Thk x 0.924" ID, -912, Cl 6, 90 Duro

1шт.

42

219-434

BREATHER,1/8" - 27 NPT, Short, W/ Washer

2шт.

43

201-313

ELBOW,90 Degree, 1 7/16"-12 x 1 1/16"-12, Adj, ORFS

Inc. 44,45

2шт.

44

238-6021

O-RING,15/16 X 1 - 1/16, Cl 6

1шт.

45

237-6012

O-RING,0.116" Thk x 0.924" ID, -912, Cl 6, 90 Duro

1шт.

46

201-147

REDUCER,1 3/16"-12 Male x 1 7/16"-12 Fem, ORFS

Inc. 47

2шт.

47

238-6018

O-RING,0.07" Thk x 0.739" ID, -18, Cl 6, 90 Duro

1шт.

48

201-907

CAP,1-3/16" - 12 ORFS

2шт.

49

244549A1

COLLAR

Inc. 50

4шт.

50

62-33116

HEX SOC SCREW,5/16" - 24 x 1"

1шт.

51

245105A2

CLIP

Retention

4шт.

52

353-782

PLUG,Slotted, 1 1/16"-12

1шт.

Выбрано товаров: 57